5 esquemas simples de diseno de circuito de protección contra sobrecalentamiento detallados
Este artículo describe cinco tipos de dispositivos de protección contra sobrecalentamiento: Termistor PTC, tiristor térmico tipo P, dispositivo interruptor térmico semiconductor "tiristor caliente", relé térmico como dispositivo de protección, diagrama de circuito de protección contra sobrecalentamiento del comparador.
Diagrama del circuito de protección contra sobrecalentamiento del termistor PTC (1)
Circuito principal
Tomando como ejemplo la protección contra sobrecalentamiento del motor, el circuito de control consta de un termistor PTC y un circuito Schmitt. En la figura, RT1, RT2 y RT3 son termistores PTC de tres pasos con las mismas características, que están enterrados en los devanados del estator del motor. En condiciones normales, los termistores PTC están a temperatura normal y su resistencia total es inferior a 1 KΩ. En este momento, V1 está apagado, V2 está encendido, y el relé K está conectado eléctricamente al contacto normalmente abierto, y el motor es operado por la fuente de alimentación comercial. Cuando el motor se sobrecalienta parcialmente debido a una falla, siempre que un termistor PTC se caliente más allá de la temperatura preestablecida, su valor de resistencia excederá los 10KΩ. Entonces V1 se enciende y V2 se corta, VD2 muestra una alarma roja, K se pierde y se suelta, y el motor deja de funcionar para lograr el propósito de protección.
La elección del relé K depende de la capacidad del motor. La Figura 2.3.1 es JRX-13F, la carga de contacto es 0.5A, adecuada para motores pequeños. El RP debe seleccionarse con un potenciómetro con un mecanismo de bloqueo.
Primero, apague la alimentación, es decir, después de bajar la temperatura, la fuente de alimentación reanuda el trabajo.
En segundo lugar, no apague la fuente de alimentación, sino que mejore las condiciones de ventilación dentro de la fuente de alimentación.
Nota especial: en el diseño y la puesta en servicio reales, R1 debe colocarse en un dispositivo donde el calor sea pequeño y el calor sea grande.
1, el circuito de apagado térmico

V: un voltaje de CC estable
V & TImes normales; R2 / (R1 + R2) ≤0.7V
R1: termistor con coeficiente de temperatura negativo
C1: tome 104J63 o condensador electrolítico de aluminio de pequeña capacidad para evitar interferencias externas
Vref: es el pin de referencia del chip. 8 pines como 3842
P1: Es solo un tubo de Darlington para NPN. Como 2N4401
Nota: También es posible usar un amplificador operacional, pero el principio es el mismo. Si hay una oportunidad, se enumerarán más de dichos circuitos.
2, circuito de control de velocidad del ventilador de control de temperatura
Vin: es ligeramente mayor que el voltaje de entrada máximo.
Por ejemplo, si se usa AC / DC, el condensador del filtro se toma como V & TImes normales; R2 / (R1 + R2) ≤0.7V
R1: termistor con coeficiente de temperatura negativo
C1: tome 104J63 o condensador electrolítico de aluminio de pequeña capacidad para evitar interferencias externas
Vref: estabiliza el voltaje y puede usar el pin de referencia del chip. 8 pines como 3842
Q1: Un tubo de Darlington que es NPN y puede ser sobrecorriente. Como TIP31C
Nota: También es posible usar un amplificador operacional, pero el principio es el mismo. Si hay una oportunidad, se enumerarán más de dichos circuitos.
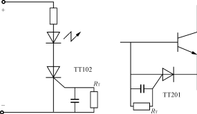
Diagrama del circuito de protección contra sobrecalentamiento del "tiristor caliente" del dispositivo de interruptor térmico de semiconductores (3)
El dispositivo de conmutación térmica de semiconductores "tiristor caliente" juega un papel importante en la protección contra sobretemperatura. Se puede utilizar como circuito indicador de temperatura. De acuerdo con las características del tiristor térmico de la puerta de control de tipo p (TT102), la temperatura de encendido del dispositivo está determinada por el valor de RT [ver Fig. 8 (a)]. Cuanto mayor es la RT, menor es la temperatura de encendido. Se puede usar como indicador de temperatura cuando se coloca cerca de un transistor de interruptor de alimentación o dentro de una unidad de fuente de alimentación. Cuando la temperatura del tubo del tubo de alimentación o la temperatura dentro del dispositivo excede el valor permitido, el tiristor térmico se enciende y el LED se ilumina.
Si se utiliza el optoacoplador, se puede operar todo el circuito de alarma para proteger el regulador de conmutación. También se puede usar como protección contra sobrecalentamiento para transistores de potencia como en la Figura 8 (b). La corriente de base del tubo del interruptor de cristal es puenteada por el tiristor térmico tipo puerta de control n TT201, y el tubo del interruptor se apaga para cortar la corriente del colector para evitar el sobrecalentamiento.

(a) Uso de un tiristor térmico tipo P (b) Uso de un tiristor térmico tipo n
Figura 8 Protección contra sobrecalentamiento
Si no hay un dispositivo de protección contra sobrecarga en el circuito, una vez que el motor está sobrecargado, es fácil quemarlo. El circuito que se muestra a continuación es un circuito de control de rotación unidireccional del motor con protección contra sobrecarga. Se utiliza un relé térmico como dispositivo de protección en el circuito, y su elemento calefactor está conectado en serie en el circuito del motor, y su contacto normalmente cerrado está conectado en serie en el circuito de la bobina del contactor.
Cuando la corriente aumenta debido a una sobrecarga durante el funcionamiento del motor, el calor generado por el elemento de calentamiento del relé térmico hace que el elemento de detección se doble por el calor, y el contacto normalmente cerrado del relé térmico se desconecta. Cortar la fuente de alimentación del contactor, y el motor se corta, por lo tanto, desempeña un papel protector.
El circuito de protección contra sobrecalentamiento que se muestra en la Fig. 1 está compuesto por un circuito de detección de temperatura y un circuito comparador. El voltaje de activación VBE del transistor de circuito Q tiene una característica de temperatura negativa, y los transistores MOS que operan en la región subliminal generan corrientes I1 e I2 que tienen coeficientes de temperatura positivos. A medida que aumenta la temperatura de funcionamiento, el VBE se vuelve cada vez más pequeño, y el voltaje a través de la resistencia aumenta al aumentar la corriente. Cuando VBE <VR3, la salida del comparador se invierte, la salida VOUT es baja y el circuito principal que consume energía se apaga, de modo que se reduce el calor del chip. Este comparador protegido contra sobrecalentamiento tiene una resolución más alta y funciona de manera estable a altas temperaturas, pero definitivamente aumenta el consumo de energía del circuito. Además, la corriente de PTAT proporcional a la temperatura absoluta generada por el tubo MOS que opera en la región del umbral inferior no es de alta precisión y es susceptible al voltaje de la fuente de alimentación, y el circuito de protección contra sobrecalentamiento no es lo suficientemente estable.
El circuito de protección contra sobrecalentamiento de este documento está diseñado en base al circuito de referencia de banda prohibida. El voltaje de polarización del circuito de referencia de banda prohibida se utiliza como polarización del circuito de protección contra sobrecalentamiento, y el circuito comparador está optimizado en el circuito, de modo que la estructura del circuito es simple y estable, y es fácil de implementar en el diseño. El circuito de protección contra sobrecalentamiento se muestra en la Figura 2.
Diagrama del circuito de protección contra sobrecalentamiento del termistor PTC (1)
Circuito principal
Tomando como ejemplo la protección contra sobrecalentamiento del motor, el circuito de control consta de un termistor PTC y un circuito Schmitt. En la figura, RT1, RT2 y RT3 son termistores PTC de tres pasos con las mismas características, que están enterrados en los devanados del estator del motor. En condiciones normales, los termistores PTC están a temperatura normal y su resistencia total es inferior a 1 KΩ. En este momento, V1 está apagado, V2 está encendido, y el relé K está conectado eléctricamente al contacto normalmente abierto, y el motor es operado por la fuente de alimentación comercial. Cuando el motor se sobrecalienta parcialmente debido a una falla, siempre que un termistor PTC se caliente más allá de la temperatura preestablecida, su valor de resistencia excederá los 10KΩ. Entonces V1 se enciende y V2 se corta, VD2 muestra una alarma roja, K se pierde y se suelta, y el motor deja de funcionar para lograr el propósito de protección.

La selección del termistor PTC para los componentes principales depende del nivel de aislamiento del motor. Las dimensiones estándar de los componentes se muestran en la figura. La temperatura de Curie del termistor PTC generalmente se selecciona en un rango de aproximadamente 40 ° C por debajo de la temperatura límite correspondiente al nivel de aislamiento del motor. Por ejemplo, para un motor aislado B1, la temperatura límite es 130 ° C, y se debe seleccionar un termistor PTC con una temperatura Curie de 90 ° C. (PTC Termistor PTC para protección contra sobrecalentamiento)

La elección del relé K depende de la capacidad del motor. La Figura 2.3.1 es JRX-13F, la carga de contacto es 0.5A, adecuada para motores pequeños. El RP debe seleccionarse con un potenciómetro con un mecanismo de bloqueo.
Diagrama del circuito de protección contra sobrecalentamiento del tiristor térmico tipo P (2)
Para potencias de alta potencia, la protección térmica también es un requisito necesario. Existen muchos tipos de protección contra sobrecalentamiento, circuitos de uso común:

Primero, apague la alimentación, es decir, después de bajar la temperatura, la fuente de alimentación reanuda el trabajo.
En segundo lugar, no apague la fuente de alimentación, sino que mejore las condiciones de ventilación dentro de la fuente de alimentación.
Nota especial: en el diseño y la puesta en servicio reales, R1 debe colocarse en un dispositivo donde el calor sea pequeño y el calor sea grande.
1, el circuito de apagado térmico

V: un voltaje de CC estable
V & TImes normales; R2 / (R1 + R2) ≤0.7V
R1: termistor con coeficiente de temperatura negativo
C1: tome 104J63 o condensador electrolítico de aluminio de pequeña capacidad para evitar interferencias externas
Vref: es el pin de referencia del chip. 8 pines como 3842
P1: Es solo un tubo de Darlington para NPN. Como 2N4401
Nota: También es posible usar un amplificador operacional, pero el principio es el mismo. Si hay una oportunidad, se enumerarán más de dichos circuitos.
2, circuito de control de velocidad del ventilador de control de temperatura

Vin: es ligeramente mayor que el voltaje de entrada máximo.
Por ejemplo, si se usa AC / DC, el condensador del filtro se toma como V & TImes normales; R2 / (R1 + R2) ≤0.7V
R1: termistor con coeficiente de temperatura negativo
C1: tome 104J63 o condensador electrolítico de aluminio de pequeña capacidad para evitar interferencias externas
Vref: estabiliza el voltaje y puede usar el pin de referencia del chip. 8 pines como 3842
Q1: Un tubo de Darlington que es NPN y puede ser sobrecorriente. Como TIP31C
Nota: También es posible usar un amplificador operacional, pero el principio es el mismo. Si hay una oportunidad, se enumerarán más de dichos circuitos.
Diagrama del circuito de protección contra sobrecalentamiento del "tiristor caliente" del dispositivo de interruptor térmico de semiconductores (3)
El dispositivo de conmutación térmica de semiconductores "tiristor caliente" juega un papel importante en la protección contra sobretemperatura. Se puede utilizar como circuito indicador de temperatura. De acuerdo con las características del tiristor térmico de la puerta de control de tipo p (TT102), la temperatura de encendido del dispositivo está determinada por el valor de RT [ver Fig. 8 (a)]. Cuanto mayor es la RT, menor es la temperatura de encendido. Se puede usar como indicador de temperatura cuando se coloca cerca de un transistor de interruptor de alimentación o dentro de una unidad de fuente de alimentación. Cuando la temperatura del tubo del tubo de alimentación o la temperatura dentro del dispositivo excede el valor permitido, el tiristor térmico se enciende y el LED se ilumina.
Si se utiliza el optoacoplador, se puede operar todo el circuito de alarma para proteger el regulador de conmutación. También se puede usar como protección contra sobrecalentamiento para transistores de potencia como en la Figura 8 (b). La corriente de base del tubo del interruptor de cristal es puenteada por el tiristor térmico tipo puerta de control n TT201, y el tubo del interruptor se apaga para cortar la corriente del colector para evitar el sobrecalentamiento.

(a) Uso de un tiristor térmico tipo P (b) Uso de un tiristor térmico tipo n
Figura 8 Protección contra sobrecalentamiento
Relé térmico como dispositivo de protección diagrama de circuito de protección contra sobrecalentamiento (4)

Cuando la corriente aumenta debido a una sobrecarga durante el funcionamiento del motor, el calor generado por el elemento de calentamiento del relé térmico hace que el elemento de detección se doble por el calor, y el contacto normalmente cerrado del relé térmico se desconecta. Cortar la fuente de alimentación del contactor, y el motor se corta, por lo tanto, desempeña un papel protector.
Diagrama del circuito de protección contra sobrecalentamiento del comparador (5)
El circuito de protección contra sobrecalentamiento apaga el tubo de alta potencia cuando la temperatura del chip es demasiado alta, lo que requiere una alta sensibilidad a la temperatura en el punto de temperatura umbral. Por lo tanto, la mayoría se basan en el diseño del comparador. La figura 1 es un diagrama esquemático de un circuito de protección contra sobrecalentamiento.
El circuito de protección contra sobrecalentamiento de este documento está diseñado en base al circuito de referencia de banda prohibida. El voltaje de polarización del circuito de referencia de banda prohibida se utiliza como polarización del circuito de protección contra sobrecalentamiento, y el circuito comparador está optimizado en el circuito, de modo que la estructura del circuito es simple y estable, y es fácil de implementar en el diseño. El circuito de protección contra sobrecalentamiento se muestra en la Figura 2.





