Características del producto termostato bimetálico KSD301, KSD302
nombre del producto:
KSD301, KSD302 termostato bimetálico
Descripción del producto:
KSD301, KSD302 es un desarrollo bimetálico y aplicación de productos representativos, ampliamente utilizado en productos de protección térmica de componentes térmicos.
Características del producto:
Vida útil: ≥100000 veces
Fuerza eléctrica: CA 50Hz 1800V duró 1 minuto, sin parpadeo, sin avería
Rango de temperatura de funcionamiento: 0 ~ 240 ℃ (opcional), precisión de temperatura: ± 2 ± 3 ± 5 ± 10 ℃
Características de KSD301:
1, parámetros eléctricos: 1) AC250V 50 ~ 60Hz 5A / 10A / 15A (carga resistiva), 2) AC 125V 50Hz 15A (carga resistiva)
2, el rango de temperatura de funcionamiento: -20 ~ 240 ℃ (opcional), precisión de temperatura: ± 2 ± 3 ± 5 ± 10 ℃
Rango de temperatura de aplicación: -20 ℃ ~ 250 ℃
Características del KSD302:
1, los parámetros técnicos: AC250V, 400V 15A-60A
2, el rango de temperatura: -20 ℃ -180 ℃
KSD301, KSD302 termostato bimetálico
Descripción del producto:
KSD301, KSD302 es un desarrollo bimetálico y aplicación de productos representativos, ampliamente utilizado en productos de protección térmica de componentes térmicos.
Características del producto:
Vida útil: ≥100000 veces
Fuerza eléctrica: CA 50Hz 1800V duró 1 minuto, sin parpadeo, sin avería
Rango de temperatura de funcionamiento: 0 ~ 240 ℃ (opcional), precisión de temperatura: ± 2 ± 3 ± 5 ± 10 ℃
Características de KSD301:
1, parámetros eléctricos: 1) AC250V 50 ~ 60Hz 5A / 10A / 15A (carga resistiva), 2) AC 125V 50Hz 15A (carga resistiva)
2, el rango de temperatura de funcionamiento: -20 ~ 240 ℃ (opcional), precisión de temperatura: ± 2 ± 3 ± 5 ± 10 ℃
Rango de temperatura de aplicación: -20 ℃ ~ 250 ℃
Características del KSD302:
1, los parámetros técnicos: AC250V, 400V 15A-60A
2, el rango de temperatura: -20 ℃ -180 ℃
Usa el chip:
Bimetal (reinicio automático, reinicio manual)
Tamaño del producto:
Pin Terminal Pose:
1: Horizontal 2: Vertical 90 °, 3: Vertical / 45 °, 4: Horizontal / 45 ° 5: 45 ° / 45 °, 6: Horizontal / Vertical, 7: Otros tipos
Tapa de aluminio de forma fija:
1: cubierta de aluminio móvil, 2: cubierta de aluminio no fija, 3: cubierta de aluminio fija de 45 °, 4: cubierta de aluminio fija de 90 °, 5: cubierta de aluminio fija de 180 °
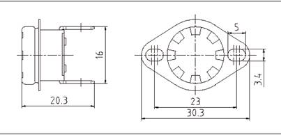
Tabla de tallas del producto KSD301

Dibujo acotado de KSD302

KSD301, KSD302 tienen una apariencia e instalación diferentes. Los clientes deben instalarse de acuerdo con los requisitos del producto. Elija una apariencia de producto diferente. Yaxun Electronics ofrece una amplia gama de diseño de productos. Bienvenido a preguntar.
Imagen de apariencia:
Imágenes del producto KSD301

Imágenes del producto KSD301

Rango de aplicaciones:
Aplicación KSD301:
Ampliamente utilizado: dispensador de agua, calentador de agua, tostadora sándwich, lavavajillas, secadora, gabinete de desinfección, hornos de microondas, cafetera eléctrica, cocina eléctrica, refrigerador, aire acondicionado, máquina de plástico, equipo de oficina, calentador de asiento de automóvil, electrodomésticos de calefacción eléctrica.
Aplicación KSD302:
Ampliamente utilizado en:
Máquinas de soldar de gran potencia, lavadoras, aires acondicionados, refrigeradores, termostatos sanitarios, botellas de agua eléctricas, hervidores eléctricos, calentadores eléctricos, hornos eléctricos, calentadores de agua, dispensadores de agua, hornos microondas, gabinete de desinfección, ollas a presión eléctricas, ollas arroceras y otras industrias y control de temperatura de electrodomésticos
Materiales de composición:
Serie KSD de interruptor de control de temperatura, los componentes básicos de los accesorios del interruptor de temperatura: carcasa (baquelita, cerámica), cubierta de aluminio KSD301 (cubierta de acero inoxidable KSD302)
Terminales:
(N: terminales de la serie 187 (4.8 × 0.5)
M: terminales de la serie 187 (4.8 × 0.8)
R: terminal de la serie 250 (6.3 × 0.8) Terminal no estándar,
Contactos (cobre, plata), remaches, contacto estático, caña dinámica, bimetal
Precauciones de uso:
1, el uso de la instalación de tipo de temperatura de contacto, la cubierta de metal debe estar cerca de la superficie de montaje del dispositivo controlado. Para garantizar el efecto de la temperatura, debe recubrirse en la temperatura de la superficie de la grasa térmica u otras propiedades similares al medio térmico.
2, la cubierta superior no se puede instalar cuando el colapso de presión, flojo o deformación, para no afectar el rendimiento.
3, no puede dejar que el líquido entre en el controlador de temperatura interno, no hará que la carcasa se agriete, no cambie la forma del terminal externo.
4, el producto no tiene más de 5 A de corriente en el circuito utilizado, debe elegir la sección del núcleo de cobre para 0. 5-1 mm2 de conexión de cable; No se debe utilizar más de 10 A de corriente en el circuito. Se debe seleccionar una conexión de cable de sección transversal del conductor de cobre de 0,75 a 1,5 mm2.
5, el producto debe tener menos del 90% de humedad relativa, temperatura ambiente por debajo de 40 ℃ ventilación, almacén de almacenamiento de gas limpio, seco, no corrosivo.





