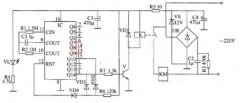
Stichwort: Temperatur TL431 Steuerschaltung 1. Arbeitsprinzip Nachdem der Strom eingeschaltet wird, wird der Heizwiderstand auf den 220 V Wechselstromkreis durch den normalerweise geschlossenen Kontakt des Relais verbunden ist, und eine Hei....
In der Produktion und in der wissenschaftlichen Forschung werden hufig elektrische Ofenthermostate verwendet, und es sind auch Temperaturmess- und Regelgenauigkeiten erforderlich. In der Anwendung, wenn der Thermostatregler die elektrische....
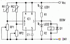
Die Thermostatsteuerung besteht aus dem Zeitbasisschaltkreis Thermistor Rt1, Rt2, NE555, den Temperaturbereichs-Einstellwiderstnden RP1, RP2 und dem Steueraktuator. Die Schaltung ist in Abbildung 1 dargestellt (klicken Sie hier, um den Scha....
1. Lsen Sie die Schraube oben am Thermostat mit einem kleinen Kreuzschlitzschraubendreher und entfernen Sie dann das uere Gehuse. Befestigen Sie dann mit den auf der Bodenplatte mitgelieferten Schrauben die Stelle, die Sie befestigen mchten....
1, Sichtprfung und Beurteilung (1) Beurteilung: Die Anzeigen XDl (rot) und XD2 (grn) auf dem Bedienfeld zeigen die Wrmespeicherung und den Heizstatus des Hochtemperaturofens an (dh Ausschalten und Einschalten). Schlieen Sie K2 unter normale....
Der Anschluss des Thermostats ist nichts anderes als der Anschluss der beiden Hauptleitungen von Eingang und Ausgang. Solange das Netzteil normal ist, kann es funktionieren. Komplexe High-End-Thermostate haben mehr Funktionen, hauptschlich,....
Die heutigen elektronischen Thermostate sind im Allgemeinen mit einem Flssigkristalldisplay ausgestattet, das einen Tasten- und einen Touchscreen-Typ aufweist. Wie in der folgenden Abbildung gezeigt, funktionieren sie alle auf dieselbe Weis....
Die Fubodenheizung Thermostat in zwei Typen unterteilt: der elektrische Heizthermostat und der Wasserheiz thermostat. Mit der Verbesserung der Lebensqualitt der Menschen wurde die traditionelle Heizmethode in der Winterheizung gendert. Das....
Die in diesem Beispiel vorgestellte intermittierende Steuerung kann die elektrischen Leistungsgerte wie elektrische Heizgerte, Luftbefeuchter und einphasige Wechselstrommotoren automatisch steuern, damit sie intermittierend arbeiten. Schalt....
Schlsselwrter: Thermostat LM358 Fahrplan der Zeitbasisschaltung des Thermostatreglers Lm358 (1) Die folgende Abbildung zeigt eine Thermostatreglerschaltung, die eine Zeitbasisschaltung als Kern verwendet. Die Thermostatsteuerschaltung verwe....