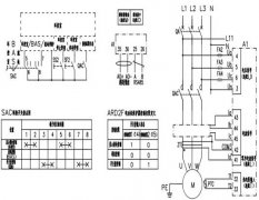
Die Aufgabe des Motorschutzes besteht darin, den Motor vollstndig zu schtzen. Ein Gert, das den Motor alarmiert oder schtzt, wenn berlast, berstrom, Phasenverlust, Stillstand, Kurzschluss, berspannung, Unterspannung, Leckage, dreiphasige Un....
TAG: Überlastungsschutz Motorschutz Lieferant von Überlastschutz Strom Überlastschutz Überlastschutz der Serie 98 manueller Reset-Überlastschutz Leistungsschalter Hersteller Bimetall-Leistungsschalter Motor-Überlastschutz Motor Überstromschutz
Read more