Der Temperaturregler KSD301 ist in drei Gehusetypen unterteilt. Eines ist ein im Allgemeinen schwarzes Bakelit- oder Kunststoffgehuse, und das andere ist ein weies oder ein anderes farbiges Keramikgehuse. Es gibt auch ein Gehuse aus PPS-Mat....
Die Qualitt des Thermostats wirkt sich direkt auf die Sicherheit elektrischer Gerte, die Leistung und die Lebensdauer aus. Ist eine sehr wichtige Komponente. Derzeit auf dem Markt gibt es viele Hersteller von Thermostat- / Temperaturregelun....
Yaxun Electronics nach Jahren der Entwicklung, groer Versorgung Wassertemperatursensor und Kfz-Kupfer-Temperaturregelschalter. Bisher keine CNC-Bearbeitungszentren, Kupfersondenschale sind nach auen gerichtet, Produktqualitt und Lieferzeit....
Die Temperaturschalter AIRPAX 6700 und JUC-31 werden in Inverter-Schweigerten verwendet Inverter-Schweigerte sind energieeffizienter und leichter als gewhnliche Schweigerte, daher geht die Entwicklung auch sehr schnell. Auch seine Qualitt un....
Bimetall ist ein Verbundwerkstoff aus zwei oder mehr Metallen oder anderen Materialien mit geeigneten Eigenschaften. Bimetall wird hufig in Temperaturschaltern / Thermostaten und anderen Produkten verwendet. Wrmeschutz fr Kleingerte: KSD301....
Technische Standards des Lftertemperaturschalters Der Lftertemperaturschalter ist die Verwendung der Bimetall-Wrmeausdehnung und -kontraktion des Arbeitsprinzips. Wrmeausdehnung und -kontraktion sind die gemeinsame Natur des Objekts, aber d....
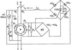
Wie in der folgenden Abbildung gezeigt, wird das Motorberspannungssignal des Netzes aus den Spannungsteilerschaltungen R3 und RP gezogen. Nach dem Einschalten der Triggerdiode wird der Mikrotrigger-Thyristor eingeschaltet, damit der Auslser....
Berechnen Sie die Gre des Schtzes, der Sicherung, des Leistungsschalters und des berlastrelais des DOL-Anlassers Berechnen Sie die Gre des Schtzes, der Sicherung, des Leistungsschalters, des O / L des DOL-Starters. Berechnen Sie die Gre jed....
Der Motorschutz besteht aus einem dreiphasigen Stromwandler, einer Detektions-, Verstrkungs-, Verzgerungs-, Einstellschaltung und einem Ausfhrungsrelais. Wenn die Erfassungsschaltung erkennt, dass der vom Stromwandler induzierte Strom phase....
Was ist ein berlastschutz? berlastschutz wird oft bezeichnet als: Drehmomenthalter, berlastschutz, Drehmomentkupplung, Drehmomentkupplung, Begrenzer, Axiallast-berlastschutz, Torsionsbegrenzer, Sicherheitskupplung, Sicherheitskupplung, Kraf....