Interruptor de temperatura Ksd301
- PRODUCT DETAIL
El interruptor de temperatura es un interruptor de temperatura que utiliza un bimetal como elemento sensor de temperatura. Cuando el aparato funciona normalmente, el bimetal está en estado libre y los contactos están en estado cerrado / abierto. Cuando la temperatura alcanza el valor de temperatura de funcionamiento, el elemento bimetálico actúa rápidamente debido al esfuerzo interno generado por el calor, al abrir / cerrar los contactos y al cortar / conectar el circuito, proporcionando así protección térmica. Cuando la temperatura cae a la temperatura de reinicio, el contacto se cerrará / abrirá automáticamente y se restablecerá el estado de funcionamiento normal. Ampliamente utilizado en motores de electrodomésticos y electrodomésticos, como motores de lavadoras, motores de ventiladores de aire acondicionado, transformadores, balastos, aparatos de calefacción eléctrica, etc.
● Parámetros técnicos de los interruptores de temperatura de la serie KSD301
⑴ parámetros eléctricos:
1) CQC, VDE, UL, CUL AC250V 50 ~ 60Hz 5A / 10A / 15A (carga resistiva)
2) UL AC125V 50Hz 15A (carga resistiva)
⑵ rango de temperatura de funcionamiento: 0-300 ℃ (opcional), precisión de temperatura: ± 2 ± 3 ± 5 ± 10 ℃
⑶ recuperación y diferencia de temperatura de acción: 8 ~ 100 ℃ (opcional)
⑷ Conexión: terminal de enchufe 250 # (doble 0 ~ 90 ° opcional); terminales de enchufe 187 # (doble 0 ~ 90 ° opcionalmente, el grosor 0.5,0.8mm opcional)
⑸ vida: ≥ 100,000 veces
Strength Fuerza eléctrica: CA 50Hz 1800V duró 1 minuto, sin parpadeo, sin avería
⑺ Resistencia de contacto: ≤50mΩ
Ampliamente utilizado en: ⑴ Esterilizador, aplicaciones de interruptores de temperatura de la serie KSD301,
⑵ lavavajillas,
⑶ secador,
⑷ microondas,
⑸ dispensador de agua,
⑹ hervidor eléctrico,
⑺ equipo de oficina,
⑻ cafetera,
⑼ tostadora sándwich,
⑽ calentadores de asientos de automóviles, anticongelante de automóviles, cocina eléctrica, refrigerador, aire acondicionado, laminador y otros electrodomésticos.
● Termostato de la serie KSD301 Precaución
⑴ Conexión a tierra: la cubierta metálica del termostato está conectada a las partes metálicas de conexión a tierra del equipo.
⑵ Al usar una temperatura de contacto, la instalación debe alinearse estrechamente con la superficie cargada de la tapa de metal de la superficie de montaje del aparato para garantizar el efecto de la temperatura. debe recubrirse con grasa térmica u otro medio térmico de rendimiento similar en la temperatura de la superficie.
⑶ la instalación no puede cubrir la superficie superior plegada, suelta o deformada, para no afectar el rendimiento.
⑷ no permita que el líquido penetre en la temperatura interna, no provoque grietas en la carcasa, no pueda cambiar libremente la forma de los terminales externos.
⑸ el producto no tiene más de 5 A de corriente en el circuito, se debe seleccionar una sección transversal de 0.5 5-1㎜2 conexión de cable de núcleo de cobre; no más de 10 A de corriente en el circuito, se debe seleccionar la sección transversal de la conexión del cable conductor de cobre 0.75-1.5㎜2.
⑹ los productos deben tener menos del 90% de humedad relativa, temperatura ambiente inferior a 40 ℃ gases ventilados, limpios, secos, no corrosivos almacenados en el almacén.
⑺ el uso no puede doblar terminales, de lo contrario afectará la confiabilidad de la conexión eléctrica.
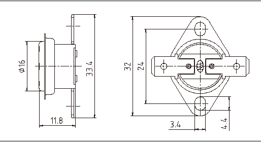
● Dibujo de dimensiones de los interruptores de temperatura de la serie KSD301

● Parámetros técnicos de los interruptores de temperatura de la serie KSD301
⑴ parámetros eléctricos:
1) CQC, VDE, UL, CUL AC250V 50 ~ 60Hz 5A / 10A / 15A (carga resistiva)
2) UL AC125V 50Hz 15A (carga resistiva)
⑵ rango de temperatura de funcionamiento: 0-300 ℃ (opcional), precisión de temperatura: ± 2 ± 3 ± 5 ± 10 ℃
⑶ recuperación y diferencia de temperatura de acción: 8 ~ 100 ℃ (opcional)
⑷ Conexión: terminal de enchufe 250 # (doble 0 ~ 90 ° opcional); terminales de enchufe 187 # (doble 0 ~ 90 ° opcionalmente, el grosor 0.5,0.8mm opcional)
⑸ vida: ≥ 100,000 veces
Strength Fuerza eléctrica: CA 50Hz 1800V duró 1 minuto, sin parpadeo, sin avería
⑺ Resistencia de contacto: ≤50mΩ
⑻ Resistencia de aislamiento: ≥100MΩ
⑼ Formulario de contacto:
Normalmente cerrado: aumento de temperatura, contactos abiertos, la temperatura baja, contacto conectado;
Tipo normalmente abierto: aumento de temperatura, contacto conectado, la temperatura baja, contactos abiertos
⑽ Grado de protección de carcasa: IP00
Instalación: Serie KSD301 Instalación anillo de actividades ordinarias, instalación de anillo de actividades redondas pequeñas, instalación de anillo activo de panel plano, con orificios de montaje cubierta de aluminio grande normal con orificios de montaje cubierta de aluminio alargada.
● Ventajas competitivas de los interruptores de temperatura de la serie KSD301
⑴ rendimiento estable
⑵ alta precisión
⑶ tamaño pequeño, peso ligero
⑷ alta fiabilidad, larga vida
⑸ radio pequeña preocupación seca
⑹ no tire del arco
Aplicaciones:
⑼ Formulario de contacto:
Normalmente cerrado: aumento de temperatura, contactos abiertos, la temperatura baja, contacto conectado;
Tipo normalmente abierto: aumento de temperatura, contacto conectado, la temperatura baja, contactos abiertos
⑽ Grado de protección de carcasa: IP00
Instalación: Serie KSD301 Instalación anillo de actividades ordinarias, instalación de anillo de actividades redondas pequeñas, instalación de anillo activo de panel plano, con orificios de montaje cubierta de aluminio grande normal con orificios de montaje cubierta de aluminio alargada.
● Ventajas competitivas de los interruptores de temperatura de la serie KSD301
⑴ rendimiento estable
⑵ alta precisión
⑶ tamaño pequeño, peso ligero
⑷ alta fiabilidad, larga vida
⑸ radio pequeña preocupación seca
⑹ no tire del arco
Aplicaciones:
⑵ lavavajillas,
⑶ secador,
⑷ microondas,
⑸ dispensador de agua,
⑹ hervidor eléctrico,
⑺ equipo de oficina,
⑻ cafetera,
⑼ tostadora sándwich,
⑽ calentadores de asientos de automóviles, anticongelante de automóviles, cocina eléctrica, refrigerador, aire acondicionado, laminador y otros electrodomésticos.
● Termostato de la serie KSD301 Precaución
⑴ Conexión a tierra: la cubierta metálica del termostato está conectada a las partes metálicas de conexión a tierra del equipo.
⑵ Al usar una temperatura de contacto, la instalación debe alinearse estrechamente con la superficie cargada de la tapa de metal de la superficie de montaje del aparato para garantizar el efecto de la temperatura. debe recubrirse con grasa térmica u otro medio térmico de rendimiento similar en la temperatura de la superficie.
⑶ la instalación no puede cubrir la superficie superior plegada, suelta o deformada, para no afectar el rendimiento.
⑷ no permita que el líquido penetre en la temperatura interna, no provoque grietas en la carcasa, no pueda cambiar libremente la forma de los terminales externos.
⑸ el producto no tiene más de 5 A de corriente en el circuito, se debe seleccionar una sección transversal de 0.5 5-1㎜2 conexión de cable de núcleo de cobre; no más de 10 A de corriente en el circuito, se debe seleccionar la sección transversal de la conexión del cable conductor de cobre 0.75-1.5㎜2.
⑹ los productos deben tener menos del 90% de humedad relativa, temperatura ambiente inferior a 40 ℃ gases ventilados, limpios, secos, no corrosivos almacenados en el almacén.
⑺ el uso no puede doblar terminales, de lo contrario afectará la confiabilidad de la conexión eléctrica.
● Dibujo de dimensiones de los interruptores de temperatura de la serie KSD301












