KSD301 Bimetall Waermeschutz
- PRODUCT DETAIL
Der Temperaturschalter ist nach Modellen unterteilt: BW, KW, BR, KSD9700, ST-22, AMT, RS9700, KSD01F, JUC31F, JUC1M;
Je nach Marke kann es unterteilt werden in: KSD-Temperaturschalter, Emerson-Temperaturschalter, NEC-Temperaturschalter;
Geteilt durch die Temperatur: 0 ~ 300 Grad, ein Sprung alle 5 °;
Geteilt durch die Art der Aktion: normalerweise offen, normalerweise geschlossen;
Je nach Material können Punkte unterteilt werden in:
Bakelite Körper, der Kunststoffkörper, Eisenmantel, der Keramikkörper.
Der Temperaturschalter zeichnet sich durch geringe Größe, isoliertes Gehäuse, empfindliche Wirkung und lange Lebensdauer aus. Es wird häufig zum doppelten Schutz vor Überhitzung und Überstrom verschiedener Motoren, Induktionsherde, Staubsauger, Spulen, Transformatoren, Heizungen, Vorschaltgeräte, elektrischer Heizgeräte, fluoreszierender Vorschaltgeräte, Kraftfahrzeugmotoren, integrierter Schaltkreise und allgemeiner elektrischer Geräte verwendet.
Je nach Marke kann es unterteilt werden in: KSD-Temperaturschalter, Emerson-Temperaturschalter, NEC-Temperaturschalter;
Geteilt durch die Temperatur: 0 ~ 300 Grad, ein Sprung alle 5 °;
Geteilt durch die Art der Aktion: normalerweise offen, normalerweise geschlossen;
Je nach Material können Punkte unterteilt werden in:
Bakelite Körper, der Kunststoffkörper, Eisenmantel, der Keramikkörper.
Der Temperaturschalter zeichnet sich durch geringe Größe, isoliertes Gehäuse, empfindliche Wirkung und lange Lebensdauer aus. Es wird häufig zum doppelten Schutz vor Überhitzung und Überstrom verschiedener Motoren, Induktionsherde, Staubsauger, Spulen, Transformatoren, Heizungen, Vorschaltgeräte, elektrischer Heizgeräte, fluoreszierender Vorschaltgeräte, Kraftfahrzeugmotoren, integrierter Schaltkreise und allgemeiner elektrischer Geräte verwendet.
● Technische Parameter des Thermostats der Serie KSD301
⑴ elektrische Parameter:
1) CQC, VDE, UL, CUL AC250V 50 ~ 60 Hz 5A / 10A / 15A (ohmsche Last)
2) UL AC125V 50Hz 15A (ohmsche Last)
⑵ Betriebstemperaturbereich: 0-300 ℃ (optional), Temperaturgenauigkeit: ± 2 ± 3 ± 5 ± 10 ℃
⑶ Erholung und Action Temperaturdifferenz: 8 ~ 100 ℃ (optional)
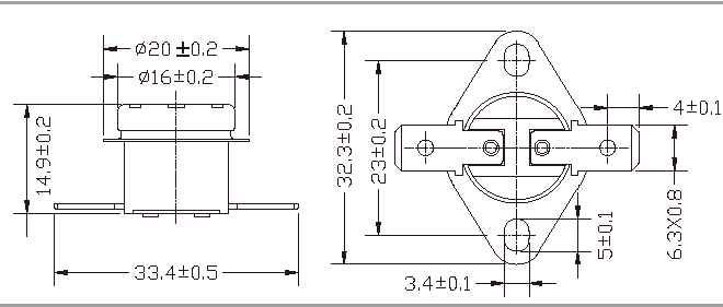
⑷ Anschluss: Steckklemme 250 # (Biegung 0 ~ 90 ° optional); Steckklemmen 187 # (Biegung 0 ~ 90 ° optional, Dicke 0,5, 0,8 mm optional)
⑸ Lebensdauer: ≥ 100.000 Mal
Stärke elektrische Stärke: AC 50Hz 1800V dauerte 1 Minute, kein Flackern, kein Ausfall
⑺ Kontaktwiderstand: ≤ 50 mΩ
⑻ Isolationswiderstand: ≥ 100 MΩ
⑼ Kontaktformular: Normalerweise geschlossen: Temperaturanstieg, Kontakte offen, Temperaturabfall, Kontakt verbunden;
Normalerweise offener Typ: Temperaturanstieg, Kontakt angeschlossen, Temperatur sinkt, Kontakte offen
⑴ elektrische Parameter:
1) CQC, VDE, UL, CUL AC250V 50 ~ 60 Hz 5A / 10A / 15A (ohmsche Last)
2) UL AC125V 50Hz 15A (ohmsche Last)
⑵ Betriebstemperaturbereich: 0-300 ℃ (optional), Temperaturgenauigkeit: ± 2 ± 3 ± 5 ± 10 ℃
⑶ Erholung und Action Temperaturdifferenz: 8 ~ 100 ℃ (optional)
⑷ Anschluss: Steckklemme 250 # (Biegung 0 ~ 90 ° optional); Steckklemmen 187 # (Biegung 0 ~ 90 ° optional, Dicke 0,5, 0,8 mm optional)
⑸ Lebensdauer: ≥ 100.000 Mal
Stärke elektrische Stärke: AC 50Hz 1800V dauerte 1 Minute, kein Flackern, kein Ausfall
⑺ Kontaktwiderstand: ≤ 50 mΩ
⑻ Isolationswiderstand: ≥ 100 MΩ
⑼ Kontaktformular: Normalerweise geschlossen: Temperaturanstieg, Kontakte offen, Temperaturabfall, Kontakt verbunden;
Normalerweise offener Typ: Temperaturanstieg, Kontakt angeschlossen, Temperatur sinkt, Kontakte offen
Normalerweise offener Typ: Temperaturanstieg, Kontakt angeschlossen, Temperatur sinkt, Kontakte offen
Normalerweise offener Typ: Temperaturanstieg, Kontakt angeschlossen, Temperatur sinkt, Kontakte offen
⑽ Schutzart: IP00
Installation: KSD301-Serie Installation Ring für gewöhnliche Aktivitäten, Ring Installation kleiner runder Aktivitäten, Installation eines aktiven Flachbildschirms mit Befestigungslöchern gewöhnliche große Aluminiumabdeckung mit verlängerten Aluminiumabdeckungen für Befestigungslöcher.
● Wettbewerbsvorteil des Thermostats der Serie KSD301
⑴ stabile Leistung
⑵ hohe Präzision
⑶ klein, leicht
⑷ hohe Zuverlässigkeit, lange Lebensdauer
⑸ kleine Radio trockene Sorge
⑹ Ziehen Sie nicht am Lichtbogen

Normalerweise offener Typ: Temperaturanstieg, Kontakt angeschlossen, Temperatur sinkt, Kontakte offen
⑽ Schutzart: IP00
Installation: KSD301-Serie Installation Ring für gewöhnliche Aktivitäten, Ring Installation kleiner runder Aktivitäten, Installation eines aktiven Flachbildschirms mit Befestigungslöchern gewöhnliche große Aluminiumabdeckung mit verlängerten Aluminiumabdeckungen für Befestigungslöcher.
● Wettbewerbsvorteil des Thermostats der Serie KSD301
⑴ stabile Leistung
⑵ hohe Präzision
⑶ klein, leicht
⑷ hohe Zuverlässigkeit, lange Lebensdauer
⑸ kleine Radio trockene Sorge
⑹ Ziehen Sie nicht am Lichtbogen













