NEC, fusible de temperatura de caja metálica Emerson Parámetros comunes
NEC, Emerson Organism fusible de temperatura de carcasa metálica Parámetros y precauciones comunes
nombre del producto:
Fusible de temperatura de carcasa metálica de organismo
Descripción del producto:
A temperaturas de funcionamiento normales, un fusible térmico funciona haciendo fluir corriente desde el cable izquierdo hacia el contacto deslizante, y fluye hacia el cable del lado derecho a través del contacto móvil. Cuando la temperatura externa alcanza la temperatura de fusión predeterminada (Tf). el material orgánico se derrite, el resorte de compresión se afloja, es decir, el resorte se expande. El contacto móvil (contacto deslizante) está separado del cable izquierdo. Loop se abre, la corriente entre el contacto deslizante y la punta de la izquierda se corta. La protección normal de los riesgos de seguridad del producto.
Características del producto:
Características del fusible de la temperatura de la carcasa metálica del organismo: una fusión en caliente de una sola vez, no se puede reutilizar.
Corriente de uso común: 5A, 10A, 15A, 16A, 20A, 25A
Temperatura de funcionamiento nominal común (Tf):
A 77 ° C, 77 ° C, 94 ° C, 113 ° C, 133 ° C, 142 ° C, 157 ° C, 172 ° C, 192 ° C, 216 ° C, 227 ° C,
84C, 92C, 95C, 105C, 110C, 115C, 121C, 128C, 130C, 139C, 141C, 144C, 152C, 157C, 169C,
184 ° C, 185 ° C, 192 ° C, 216 ° C, 227 ° C, 228 ° C, 240 ° C, 250 ° C, 280 ° C,
Usa el chip:
Organismo
Tamaño del producto:
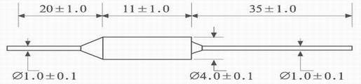
Caja de metal organometálico Temperatura Fusible Dimensiones: Longitud 66 (mm) * Diámetro 4 (mm)
Dibujos dimensionales de fusibles de temperatura
El tamaño del producto del fusible de temperatura de la carcasa de metal orgánico es básicamente el mismo, solo la serie Emerson G7 de tamaño de producto ordinario solo 2/3. El cliente de acuerdo con la corriente diferente y la elección de temperatura diferentes parámetros del producto. Yaxun Electronics ofrece una variedad de diseños de productos. Bienvenido a consultar.
Precauciones de uso:
1. Características eléctricas PRECAUCIÓN:
Cada fusible de temperatura tiene sus parámetros eléctricos y de temperatura nominales. La aplicación deberá ser tal que funcione dentro de los parámetros nominales especificados. Estos parámetros incluyen Tf (temperatura de funcionamiento nominal), Th o Tc (temperatura de mantenimiento), Tm (temperatura límite) y corriente nominal, voltaje.
2. Nota de soldadura:
Si la temperatura se fusiona para usar soldadura o conexión de estaño con la línea, la soldadura o el estaño por inmersión es mejor desde el cuerpo de protección de temperatura 10 mm arriba. En el caso de una soldadura de 300 ℃ o un baño de estaño, el tiempo debe controlarse dentro de 1 a 2 segundos, si el uso de una temperatura inferior a 113 f se fusiona lo más posible para no usar la soldadura o el baño de estaño. Ya sea soldadura de hierro, soldadura o estaño por inmersión, debe completarse en poco tiempo, y el lado del lado de soldadura para calentar, evitar la aparición de calor y fusibles, un circuito abierto.
3. Notas de instalación:
1> lado del paquete de resina epoxi de la línea de salida para el uso de doblado, la distancia desde las piezas de resina epoxi a 8 mm de distancia, para no dañar el aislante, el otro extremo de la línea de doblado. A una distancia de 5 mm de la carcasa. Al doblar, doble el cable conductor (la parte epoxi no se aplica).
2> No tuerza el fusible térmico (por ejemplo, el pasador gira en relación con la carcasa).
3> El pasador no debe dañarse durante la instalación, golpear el espacio, doblar en ángulo agudo, quemarse.
4> la resina de sellado y la carcasa no se pueden dañar, quemar o sobrecalentar.
nombre del producto:
Fusible de temperatura de carcasa metálica de organismo
Descripción del producto:
A temperaturas de funcionamiento normales, un fusible térmico funciona haciendo fluir corriente desde el cable izquierdo hacia el contacto deslizante, y fluye hacia el cable del lado derecho a través del contacto móvil. Cuando la temperatura externa alcanza la temperatura de fusión predeterminada (Tf). el material orgánico se derrite, el resorte de compresión se afloja, es decir, el resorte se expande. El contacto móvil (contacto deslizante) está separado del cable izquierdo. Loop se abre, la corriente entre el contacto deslizante y la punta de la izquierda se corta. La protección normal de los riesgos de seguridad del producto.
Características del producto:
Características del fusible de la temperatura de la carcasa metálica del organismo: una fusión en caliente de una sola vez, no se puede reutilizar.
Corriente de uso común: 5A, 10A, 15A, 16A, 20A, 25A
Temperatura de funcionamiento nominal común (Tf):
A 77 ° C, 77 ° C, 94 ° C, 113 ° C, 133 ° C, 142 ° C, 157 ° C, 172 ° C, 192 ° C, 216 ° C, 227 ° C,
84C, 92C, 95C, 105C, 110C, 115C, 121C, 128C, 130C, 139C, 141C, 144C, 152C, 157C, 169C,
184 ° C, 185 ° C, 192 ° C, 216 ° C, 227 ° C, 228 ° C, 240 ° C, 250 ° C, 280 ° C,
Usa el chip:
Organismo
Tamaño del producto:
Caja de metal organometálico Temperatura Fusible Dimensiones: Longitud 66 (mm) * Diámetro 4 (mm)
Dibujos dimensionales de fusibles de temperatura

El tamaño del producto del fusible de temperatura de la carcasa de metal orgánico es básicamente el mismo, solo la serie Emerson G7 de tamaño de producto ordinario solo 2/3. El cliente de acuerdo con la corriente diferente y la elección de temperatura diferentes parámetros del producto. Yaxun Electronics ofrece una variedad de diseños de productos. Bienvenido a consultar.
Imagen de apariencia:
Imágenes del producto fusible de temperatura

Rango de aplicaciones:
Aplicaciones de fusibles de temperatura: Campo de comunicación:
Terminal móvil
Coche: Aire acondicionado automotriz calefacción asiento ABS protección
Electrodoméstico: Máquina para hacer leche de soya Secadora de cabello Plancha / Ropa Prensa Exprimidor Máquina para hacer pan Ventilador eléctrico Más
Grandes electrodomésticos: aire acondicionado refrigerador lavadora eléctrica
Optoelectrónica: Luces LED halógenas condensador de arranque
Componentes: Resistencia de capacitancia MOV
Coches eléctricos: Bateria cargando
Control industrial y automatización: robots automáticos
Materiales de composición:
Material de composición del fusible de temperatura de la carcasa metálica del organismo:
1. Un pasador, 2. resina de sellado, 3. cerámica aislante, 4. resorte pequeño, 5. caña en forma de estrella, 6. resorte grueso, 7. oblea, 8. bloque de temperatura de detección, 9. carcasa, 10) B pin. La siguiente estructura del producto:
Imágenes del producto fusible de temperatura

Rango de aplicaciones:
Aplicaciones de fusibles de temperatura: Campo de comunicación:
Terminal móvil
Coche: Aire acondicionado automotriz calefacción asiento ABS protección
Electrodoméstico: Máquina para hacer leche de soya Secadora de cabello Plancha / Ropa Prensa Exprimidor Máquina para hacer pan Ventilador eléctrico Más
Grandes electrodomésticos: aire acondicionado refrigerador lavadora eléctrica
Optoelectrónica: Luces LED halógenas condensador de arranque
Componentes: Resistencia de capacitancia MOV
Coches eléctricos: Bateria cargando
Control industrial y automatización: robots automáticos
Materiales de composición:
Material de composición del fusible de temperatura de la carcasa metálica del organismo:
1. Un pasador, 2. resina de sellado, 3. cerámica aislante, 4. resorte pequeño, 5. caña en forma de estrella, 6. resorte grueso, 7. oblea, 8. bloque de temperatura de detección, 9. carcasa, 10) B pin. La siguiente estructura del producto:

Precauciones de uso:
1. Características eléctricas PRECAUCIÓN:
Cada fusible de temperatura tiene sus parámetros eléctricos y de temperatura nominales. La aplicación deberá ser tal que funcione dentro de los parámetros nominales especificados. Estos parámetros incluyen Tf (temperatura de funcionamiento nominal), Th o Tc (temperatura de mantenimiento), Tm (temperatura límite) y corriente nominal, voltaje.
2. Nota de soldadura:
Si la temperatura se fusiona para usar soldadura o conexión de estaño con la línea, la soldadura o el estaño por inmersión es mejor desde el cuerpo de protección de temperatura 10 mm arriba. En el caso de una soldadura de 300 ℃ o un baño de estaño, el tiempo debe controlarse dentro de 1 a 2 segundos, si el uso de una temperatura inferior a 113 f se fusiona lo más posible para no usar la soldadura o el baño de estaño. Ya sea soldadura de hierro, soldadura o estaño por inmersión, debe completarse en poco tiempo, y el lado del lado de soldadura para calentar, evitar la aparición de calor y fusibles, un circuito abierto.
3. Notas de instalación:
1> lado del paquete de resina epoxi de la línea de salida para el uso de doblado, la distancia desde las piezas de resina epoxi a 8 mm de distancia, para no dañar el aislante, el otro extremo de la línea de doblado. A una distancia de 5 mm de la carcasa. Al doblar, doble el cable conductor (la parte epoxi no se aplica).
2> No tuerza el fusible térmico (por ejemplo, el pasador gira en relación con la carcasa).
3> El pasador no debe dañarse durante la instalación, golpear el espacio, doblar en ángulo agudo, quemarse.
4> la resina de sellado y la carcasa no se pueden dañar, quemar o sobrecalentar.





