Principio de circuito de control de temperatura analógico simple y práctico
composición total del circuito de control de temperatura
El circuito de control de temperatura está compuesto principalmente por una fuente de alimentación, un componente de detección de temperatura, amplificación de señal, integral proporcional, comparación de voltaje, relé de control de disparo de cambio de fase, protección contra sobretemperatura, horno de calentamiento y pantalla LED. La estructura del circuito se muestra en la Figura 1.

Figura 1 diagrama de composición del circuito
El componente de valor de temperatura puede detectar la señal del valor de temperatura, y la señal se amplifica y se envía al circuito de integración proporcional y se compara con el voltaje de ajuste de temperatura. El resultado de la comparación se envía al circuito de activación de fase para generar un impulso de período variable para activar el ángulo de conducción del tiristor en el relé de estado sólido, controlando así la potencia de calentamiento del dispositivo de calentamiento con el fin de controlar la temperatura. El circuito de compensación de temperatura reduce la influencia de la temperatura ambiente en la precisión de la medición de temperatura; El circuito de protección contra sobretemperatura asegura que cuando la temperatura de calentamiento excede el valor establecido, el dispositivo deja de calentar y lo protege.
2.2 Diseño de cada circuito
2.1. 1 circuito de alimentación
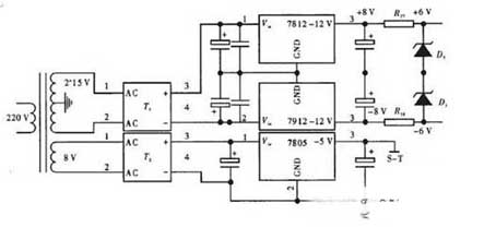
Los dispositivos que requieren voltaje de CC en el circuito de control de temperatura son amplificadores operacionales y módulos electrónicos de visualización de información. El voltaje es rectificado y filtrado por un voltaje de 220V AC. Se obtiene la salida al regulador de tres terminales. Su circuito se muestra en la Figura 2.

Figura 2 Diagrama del circuito de alimentación
2.3 Amplificación de señal de temperatura de entrada y circuito de compensación de temperatura
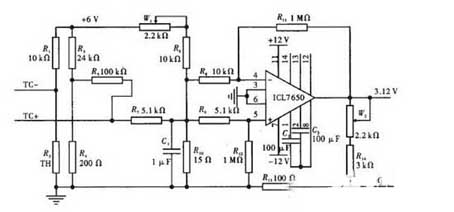
El sensor de temperatura se recolecta utilizando un sensor de temperatura, termopar tipo K de níquel-níquel-cromo como sensor de temperatura. La señal de temperatura es el nivel de mV, y la medición real necesita ser amplificada. La señal de temperatura de medición del termopar se ve afectada por la temperatura de trabajo y la temperatura ambiente del extremo libre, por lo que se necesita la señal de compensación en la medición para eliminar la influencia del cambio de temperatura ambiente en la medición de temperatura.
El circuito específico se muestra en la Figura 3.

Figura 5 amplificación de señal y circuito de compensación de temperatura
Editar comentario: este artículo presenta dos circuitos de control de temperatura. En comparación con los circuitos digitales, el circuito de control de temperatura analógico es más simple en diseño e implementación. Por lo tanto, el diseño del circuito de control de temperatura se realiza mediante un circuito analógico simple y práctico.
El circuito de control de temperatura está compuesto principalmente por una fuente de alimentación, un componente de detección de temperatura, amplificación de señal, integral proporcional, comparación de voltaje, relé de control de disparo de cambio de fase, protección contra sobretemperatura, horno de calentamiento y pantalla LED. La estructura del circuito se muestra en la Figura 1.

Figura 1 diagrama de composición del circuito
El componente de valor de temperatura puede detectar la señal del valor de temperatura, y la señal se amplifica y se envía al circuito de integración proporcional y se compara con el voltaje de ajuste de temperatura. El resultado de la comparación se envía al circuito de activación de fase para generar un impulso de período variable para activar el ángulo de conducción del tiristor en el relé de estado sólido, controlando así la potencia de calentamiento del dispositivo de calentamiento con el fin de controlar la temperatura. El circuito de compensación de temperatura reduce la influencia de la temperatura ambiente en la precisión de la medición de temperatura; El circuito de protección contra sobretemperatura asegura que cuando la temperatura de calentamiento excede el valor establecido, el dispositivo deja de calentar y lo protege.
2.2 Diseño de cada circuito
2.1. 1 circuito de alimentación
Los dispositivos que requieren voltaje de CC en el circuito de control de temperatura son amplificadores operacionales y módulos electrónicos de visualización de información. El voltaje es rectificado y filtrado por un voltaje de 220V AC. Se obtiene la salida al regulador de tres terminales. Su circuito se muestra en la Figura 2.

Figura 2 Diagrama del circuito de alimentación
2.3 Amplificación de señal de temperatura de entrada y circuito de compensación de temperatura
El sensor de temperatura se recolecta utilizando un sensor de temperatura, termopar tipo K de níquel-níquel-cromo como sensor de temperatura. La señal de temperatura es el nivel de mV, y la medición real necesita ser amplificada. La señal de temperatura de medición del termopar se ve afectada por la temperatura de trabajo y la temperatura ambiente del extremo libre, por lo que se necesita la señal de compensación en la medición para eliminar la influencia del cambio de temperatura ambiente en la medición de temperatura.
El circuito específico se muestra en la Figura 3.

Figura 5 amplificación de señal y circuito de compensación de temperatura
Editar comentario: este artículo presenta dos circuitos de control de temperatura. En comparación con los circuitos digitales, el circuito de control de temperatura analógico es más simple en diseño e implementación. Por lo tanto, el diseño del circuito de control de temperatura se realiza mediante un circuito analógico simple y práctico.





