Principio de funcionamiento de termostatos mecánicos y electrónicos
1. Termostato - Introducción
El termostato, conocido como controlador de temperatura (termostato), también conocido como interruptor de control de temperatura, protector de temperatura, se divide en dos categorías mecánicas y electrónicas. Se basa principalmente en el cambio de temperatura del entorno de trabajo, la deformación física dentro del interruptor, lo que resulta en algunos efectos especiales, lo que resulta en una serie de componentes de control automático para la conducción o desconexión. O los componentes electrónicos pueden proporcionar datos de temperatura al circuito a diferentes temperaturas y diferentes estados de funcionamiento para que el circuito recopile datos de temperatura.
2. El principio de funcionamiento del termostato.
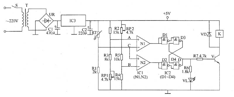
El principio de funcionamiento del termostato es muestrear y controlar automáticamente la temperatura ambiente a través del sensor de temperatura. La unidad de control se inicia cuando la temperatura ambiente es más alta que el valor establecido de control, y la histéresis de control se puede establecer. El termostato consta de cuatro mecanismos principales:
mecanismo de visualización de conversión, mecanismo de configuración, mecanismo de cálculo de comparación y mecanismo de salida. Cuando el sensor de temperatura convierte la temperatura del campo en una señal eléctrica y la transmite al termostato, el mecanismo de visualización de conversión del termostato convierte la señal eléctrica en una pantalla digital o indicación analógica. E internamente, el valor establecido del mecanismo de ajuste se compara con el mecanismo de comparación, y luego se envía al controlador a través del mecanismo de salida, y luego el controlador controla el calentador / enfriador.
3. Función de termostato
En la mayoría de los casos en Europa, el termostato es imprescindible para hornos montados en la pared. Los dos se entregan al usuario al mismo tiempo, y los termostatos son en su mayoría termostatos inteligentes. Las funciones principales del termostato se dividen en las siguientes categorías:
Comodidad: ajuste automáticamente la caldera suspendida para avanzar o retrasar el interruptor todos los días, eliminando la necesidad de operación manual, que es más necesaria para los trabajadores de oficina;
Cómodo: Cada mañana, medianoche y tarde, la temperatura de la habitación se ajusta automáticamente a diferentes intervalos de tiempo para evitar la vergüenza de esperar que la habitación se caliente y se congele después de levantarse por la mañana y regresar a casa del trabajo.
Ahorro de gas: El control extenso de la temperatura del agua se cambia a un control de temperatura ambiente avanzado y preciso, y la temperatura ambiente fija se opera bajo demanda en diferentes períodos de tiempo, por lo que no es necesaria la calefacción abierta de día y de noche.
Está seguro: Cuando la temperatura ambiente es demasiado baja, la caldera se ve obligada a arrancar, y solo se necesita una pequeña cantidad de gas para proteger la habitación de las heladas de manera segura.
De hecho, en nuestra vida, la aplicación del termostato no es ajena. ¡Por ejemplo, el aire acondicionado utiliza el principio de funcionamiento del termostato para enfriarse en verano y calentarse en invierno!
El termostato, conocido como controlador de temperatura (termostato), también conocido como interruptor de control de temperatura, protector de temperatura, se divide en dos categorías mecánicas y electrónicas. Se basa principalmente en el cambio de temperatura del entorno de trabajo, la deformación física dentro del interruptor, lo que resulta en algunos efectos especiales, lo que resulta en una serie de componentes de control automático para la conducción o desconexión. O los componentes electrónicos pueden proporcionar datos de temperatura al circuito a diferentes temperaturas y diferentes estados de funcionamiento para que el circuito recopile datos de temperatura.

2. El principio de funcionamiento del termostato.
El principio de funcionamiento del termostato es muestrear y controlar automáticamente la temperatura ambiente a través del sensor de temperatura. La unidad de control se inicia cuando la temperatura ambiente es más alta que el valor establecido de control, y la histéresis de control se puede establecer. El termostato consta de cuatro mecanismos principales:
mecanismo de visualización de conversión, mecanismo de configuración, mecanismo de cálculo de comparación y mecanismo de salida. Cuando el sensor de temperatura convierte la temperatura del campo en una señal eléctrica y la transmite al termostato, el mecanismo de visualización de conversión del termostato convierte la señal eléctrica en una pantalla digital o indicación analógica. E internamente, el valor establecido del mecanismo de ajuste se compara con el mecanismo de comparación, y luego se envía al controlador a través del mecanismo de salida, y luego el controlador controla el calentador / enfriador.

3. Función de termostato
En la mayoría de los casos en Europa, el termostato es imprescindible para hornos montados en la pared. Los dos se entregan al usuario al mismo tiempo, y los termostatos son en su mayoría termostatos inteligentes. Las funciones principales del termostato se dividen en las siguientes categorías:
Comodidad: ajuste automáticamente la caldera suspendida para avanzar o retrasar el interruptor todos los días, eliminando la necesidad de operación manual, que es más necesaria para los trabajadores de oficina;
Cómodo: Cada mañana, medianoche y tarde, la temperatura de la habitación se ajusta automáticamente a diferentes intervalos de tiempo para evitar la vergüenza de esperar que la habitación se caliente y se congele después de levantarse por la mañana y regresar a casa del trabajo.
Ahorro de gas: El control extenso de la temperatura del agua se cambia a un control de temperatura ambiente avanzado y preciso, y la temperatura ambiente fija se opera bajo demanda en diferentes períodos de tiempo, por lo que no es necesaria la calefacción abierta de día y de noche.
Está seguro: Cuando la temperatura ambiente es demasiado baja, la caldera se ve obligada a arrancar, y solo se necesita una pequeña cantidad de gas para proteger la habitación de las heladas de manera segura.
De hecho, en nuestra vida, la aplicación del termostato no es ajena. ¡Por ejemplo, el aire acondicionado utiliza el principio de funcionamiento del termostato para enfriarse en verano y calentarse en invierno!






