Principio protector de sobrecarga
¿Qué es el protector de sobrecarga?
Los protectores de sobrecarga a menudo se denominan:
Soporte de torque, protector de sobrecarga, embrague de torque, embrague de torque, limitador, protector de sobrecarga de carga axial, limitador de torsión, embrague de seguridad, acoplamiento de seguridad, embrague limitador de fuerza, limitador de embrague, embrague de bolas, embrague de fricción.
El papel del protector de sobrecarga:
A menudo se instala entre los lados principal y pasivo de la transmisión de potencia. Cuando ocurre una falla de sobrecarga (el torque excede el valor establecido), el limitador de torque se separará, protegiendo efectivamente la maquinaria de accionamiento y la carga;
La forma común es:
Limitador de par de fricción y limitador de par de bola.
La estructura de instalación del limitador de par es:
Eje del eje, brida del eje, polea síncrona del eje, piñón del eje, engranaje del eje, correa del eje, etc.
Los protectores de sobrecarga a menudo se denominan:
Soporte de torque, protector de sobrecarga, embrague de torque, embrague de torque, limitador, protector de sobrecarga de carga axial, limitador de torsión, embrague de seguridad, acoplamiento de seguridad, embrague limitador de fuerza, limitador de embrague, embrague de bolas, embrague de fricción.
El papel del protector de sobrecarga:
A menudo se instala entre los lados principal y pasivo de la transmisión de potencia. Cuando ocurre una falla de sobrecarga (el torque excede el valor establecido), el limitador de torque se separará, protegiendo efectivamente la maquinaria de accionamiento y la carga;
La forma común es:
Limitador de par de fricción y limitador de par de bola.
La estructura de instalación del limitador de par es:
Eje del eje, brida del eje, polea síncrona del eje, piñón del eje, engranaje del eje, correa del eje, etc.
El protector de sobrecarga muestrea la señal del transformador de corriente, convierte cada corriente de carga de fase en una señal de voltaje proporcional a ella e ingresa la señal y todas las señales de control al microprocesador. El microprocesador recolecta, calcula y almacena varias señales continuamente, las compara con las condiciones correspondientes y luego genera los resultados.
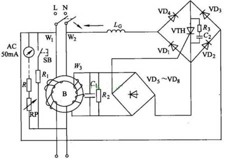
Esquema del circuito de protección contra sobrecarga del protector de fugas
Como se muestra en la figura, el circuito divisor de voltaje R3, RP dibuja la señal de sobretensión de la red eléctrica y conduce el tiristor microactivador a través del diodo de activación para hacer que el disparador actúe. La protección contra sobrecarga del protector de fugas se completa con la bobina de devanado remanente Lg utilizando el principio de corriente residual.

El contacto normalmente abierto del interruptor de láminas está conectado al botón de prueba SB; La bobina Lg está conectada en serie al devanado W1. Cuando la corriente de carga excede el valor establecido (el valor de ajuste de sobrecarga se determina por el diámetro del cable y el número de vueltas de la bobina), el contacto normalmente abierto del interruptor de láminas se cierra debido a la magnetización. Cuando el botón de prueba SB está cerrado, la corriente residual se genera en el lado primario del transformador T, y la señal del lado secundario activa el VTH para que se encienda, y la unidad de disparo funciona para cortar rápidamente la energía. El principio eléctrico es el mismo que el de la protección contra fugas y sobretensión descrita anteriormente. El circuito que se muestra en la figura a continuación protege completamente contra sobretensiones, sobrecorrientes, sobrecargas y fugas.





