Prinzip der dreiphasigen Temperaturregelung für Asynchronmotoren
1, Timing-Automatik Zyklus-Steuerkreis
Beschreibung:
1. Die Kapazität des dreiphasigen Asynchronmotors in der Abbildung beträgt 1,5 kW, was erfordert, dass die Schaltung automatisch vorwärts und rückwärts steuert. Die Wartungszeit für die Vorwärtsrotation beträgt 20 Sekunden und die Wartungszeit für die Rückwärtsrotation beträgt 40 Sekunden.
2. Die Verkabelung auf der Stromverteilungsplatine gemäß dem schematischen Diagramm erfordert helle Linien, einen angemessenen Prozess und zuverlässige Kontakte.
3. Beschreiben Sie kurz das Funktionsprinzip der Schaltung.
Hinweis: Die Verzögerungszeit des Zeitrelais sollte nicht weniger als 15 Sekunden betragen, und die Zeiteinstellung sollte lang bis kurz sein. Funktionsprinzip des Zeitschaltkreises für die automatische Zyklussteuerung:
Schließen Sie den Netzschalter QF, drücken Sie die Haltetaste SB2 und das Zwischenrelais KA zieht ein. Der Selbstschutzkontakt von KA ist parallel zur Serienschaltung geschaltet, die aus den Unterbrechungskontakten der Tasten SB2, KT1 und KT2 besteht, und die Startsteuerschaltung ist angeschlossen. Wenn die Starttaste SB3 gedrückt wird, wird das Zeitrelais KT1 angezogen. Der bewegliche Kontakt KT1, dessen Ausschaltverzögerung offen ist, ist geschlossen, die Spule des Schützes KM1 ist erregt, der Hauptkontakt ist geschlossen und der Motor dreht sich vorwärts (die Vorwärtsdrehungshaltezeit beträgt 20 Sekunden).
Gleichzeitig wird der bewegliche Kontakt KM1 mit dem Zeitrelais KT2 verbunden, und der bewegliche Kontakt KT2, der im Spulenstromkreis des Schützes KM2 in Reihe geschaltet ist, wird geschlossen. Da der Verriegelungskontakt von KM1 jetzt getrennt ist, kann die Schützspule KM2 nicht erregt werden. Wenn die Wartungszeit für die Vorwärtsdrehung abgelaufen ist, wird der bewegliche Kontakt KT1 mit der Ausschaltverzögerung ausgeschaltet, KM1 wird freigegeben und der Motor dreht sich vorwärts. Der Unterbrechungskontakt von KM1 ist geschlossen, die Spule des Schützes KM2 ist erregt, der Hauptkontakt ist geschlossen und der Motor beginnt sich umzukehren. Gleichzeitig öffnet der bewegliche Kontakt KM1 den Spulenkreis des Zeitrelais KT2 (die Rückwärtsdrehzeit beginnt bei 40 Sekunden). Zu diesem Zeitpunkt ist der bewegliche Kontakt KM2 wieder mit der Spule KT1 verbunden, und der bewegliche Kontakt KT1 mit der Ausschaltverzögerung wird geschlossen, um die nächste Vorwärtsdrehung des Motors vorzubereiten.
Daher wird der in Reihe geschaltete Verriegelungskontakt KM2 im Spulenstromkreis des Schützes KM1 getrennt und die Spule des Schützes KM1 wird vorübergehend nicht erregt. Die KT1 und KT2 in Reihe mit der Taste SB2 werden mit einer Ausschaltverzögerung geschlossen, um sicherzustellen, dass der Steuerkreis nach Abschluss des automatischen Zyklus des Motors neu gestartet werden kann. Thermo-Relais FR normalerweise geschlossener Kontakt, der Steuerkreis wird automatisch getrennt, wenn der Motor überlastet oder die Phase überhitzt ist, und der Motor ist geschützt.
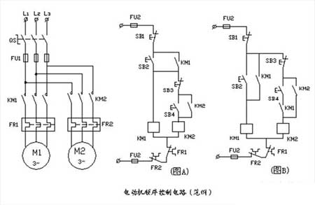
2, sequentielle Steuerschaltung (Beispiel)
Die Sequenz-Steuerschaltung (Beispiel) arbeitet:
Abbildung A: Die KM2-Spulenschaltung wird angeschlossen, nachdem die KM1-Spulenschaltung gestartet und gestoppt wurde. Wenn der Startknopf SB2 gedrückt wird, wird die KM1-Spule elektrisch angezogen und selbsthemmend, und der KM2-Spulenstromkreis kann zu diesem Zeitpunkt gesteuert werden. Die Stopptaste SB3 kann nur den Stopp des M2-Motors steuern, und die Stopptaste SB1 ist die Stopptaste. Diese Schaltung kann den M2-Motor nur starten, wenn sie die Bedingungen zum ersten Starten des M1-Motors erfüllt.
Abbildung B: Die Steuerschaltung besteht aus einer KM1-Spulenschaltung und einer KM2-Spulenschaltung. Der bewegliche Kontakt des KM1 wird als Steuerbedingung verwendet und in der KM2-Spulenschaltung in Reihe geschaltet. Nur die KM1-Spule ist elektrisch angeschlossen, und ihre Hilfsgruppe unterstützt das Schließen des Schließkontakts. Zu diesem Zeitpunkt kann die KM2-Spulenschaltung gesteuert werden. Die Stopptaste SB3 kann nur den Stopp des M2-Motors steuern, und die Stopptaste SB1 ist die Stopptaste. Diese Schaltung kann den M2-Motor nur starten, wenn sie die Bedingungen zum ersten Starten des M1-Motors erfüllt.
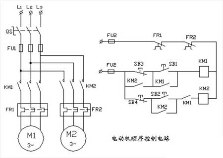
3, Motorsequenzsteuerschaltung

Beschreibung:
1. Die Startsequenz dieser Schaltung ist der erste M1-Motor und der hintere M2-Motor; Die Stoppsequenz ist umgekehrt.
2. SPS (Mitsubishi FX0N, FX1N), Programmieranschluss und Einschaltvorgang.
3, Betrieb löschen
Programmschreibvorgang; Schreiben Sie die Anweisungsliste gemäß dem Kontaktplan auf.
4. Schließen Sie den Motor an die Hauptsequenzsteuerung am Hauptgerät an.
Das Funktionsprinzip der Steuerschaltung Motor Folge: Schließen Sie den Netzschalter QS, drücken Sie die Starttaste SB1, das Schütz KM1 ist elektrisch angezogen und selbstgeschützt, und der M1-Motor läuft an. Der andere bewegliche Kontakt des KM1 wird geschlossen, um das Schütz KM2 für die Stromversorgung vorzubereiten. Wenn der Startknopf SB2 gedrückt wird, wird das Schütz KM2 erregt und selbstgeschützt und der M2-Motor gestartet. Die Startsequenz ist das erste Einziehen des KM1, und der M1-Motor läuft an. Nach dem Einfahren des KM2 läuft der M2-Motor an. Die Parksequenz lautet:
Erst wenn die Taste SB4 zuerst gedrückt wird, wird das Schütz KM2 ausgeschaltet, der bewegliche Kontakt des KM2 wird geöffnet und der M2-Motor stoppt und drückt dann SB3, um den M1-Motor zu stoppen. Thermorelais FR1, FR2 normalerweise geschlossene Kontakte, der Steuerkreis wird automatisch getrennt, wenn der Motor überlastet oder der Phasenverlust überhitzt ist, und der Motor ist geschützt.
Beschreibung:
1. Die Kapazität des dreiphasigen Asynchronmotors in der Abbildung beträgt 1,5 kW, was erfordert, dass die Schaltung automatisch vorwärts und rückwärts steuert. Die Wartungszeit für die Vorwärtsrotation beträgt 20 Sekunden und die Wartungszeit für die Rückwärtsrotation beträgt 40 Sekunden.
2. Die Verkabelung auf der Stromverteilungsplatine gemäß dem schematischen Diagramm erfordert helle Linien, einen angemessenen Prozess und zuverlässige Kontakte.
3. Beschreiben Sie kurz das Funktionsprinzip der Schaltung.
Hinweis: Die Verzögerungszeit des Zeitrelais sollte nicht weniger als 15 Sekunden betragen, und die Zeiteinstellung sollte lang bis kurz sein. Funktionsprinzip des Zeitschaltkreises für die automatische Zyklussteuerung:
Schließen Sie den Netzschalter QF, drücken Sie die Haltetaste SB2 und das Zwischenrelais KA zieht ein. Der Selbstschutzkontakt von KA ist parallel zur Serienschaltung geschaltet, die aus den Unterbrechungskontakten der Tasten SB2, KT1 und KT2 besteht, und die Startsteuerschaltung ist angeschlossen. Wenn die Starttaste SB3 gedrückt wird, wird das Zeitrelais KT1 angezogen. Der bewegliche Kontakt KT1, dessen Ausschaltverzögerung offen ist, ist geschlossen, die Spule des Schützes KM1 ist erregt, der Hauptkontakt ist geschlossen und der Motor dreht sich vorwärts (die Vorwärtsdrehungshaltezeit beträgt 20 Sekunden).
Gleichzeitig wird der bewegliche Kontakt KM1 mit dem Zeitrelais KT2 verbunden, und der bewegliche Kontakt KT2, der im Spulenstromkreis des Schützes KM2 in Reihe geschaltet ist, wird geschlossen. Da der Verriegelungskontakt von KM1 jetzt getrennt ist, kann die Schützspule KM2 nicht erregt werden. Wenn die Wartungszeit für die Vorwärtsdrehung abgelaufen ist, wird der bewegliche Kontakt KT1 mit der Ausschaltverzögerung ausgeschaltet, KM1 wird freigegeben und der Motor dreht sich vorwärts. Der Unterbrechungskontakt von KM1 ist geschlossen, die Spule des Schützes KM2 ist erregt, der Hauptkontakt ist geschlossen und der Motor beginnt sich umzukehren. Gleichzeitig öffnet der bewegliche Kontakt KM1 den Spulenkreis des Zeitrelais KT2 (die Rückwärtsdrehzeit beginnt bei 40 Sekunden). Zu diesem Zeitpunkt ist der bewegliche Kontakt KM2 wieder mit der Spule KT1 verbunden, und der bewegliche Kontakt KT1 mit der Ausschaltverzögerung wird geschlossen, um die nächste Vorwärtsdrehung des Motors vorzubereiten.
Daher wird der in Reihe geschaltete Verriegelungskontakt KM2 im Spulenstromkreis des Schützes KM1 getrennt und die Spule des Schützes KM1 wird vorübergehend nicht erregt. Die KT1 und KT2 in Reihe mit der Taste SB2 werden mit einer Ausschaltverzögerung geschlossen, um sicherzustellen, dass der Steuerkreis nach Abschluss des automatischen Zyklus des Motors neu gestartet werden kann. Thermo-Relais FR normalerweise geschlossener Kontakt, der Steuerkreis wird automatisch getrennt, wenn der Motor überlastet oder die Phase überhitzt ist, und der Motor ist geschützt.

2, sequentielle Steuerschaltung (Beispiel)
Die Sequenz-Steuerschaltung (Beispiel) arbeitet:

Abbildung A: Die KM2-Spulenschaltung wird angeschlossen, nachdem die KM1-Spulenschaltung gestartet und gestoppt wurde. Wenn der Startknopf SB2 gedrückt wird, wird die KM1-Spule elektrisch angezogen und selbsthemmend, und der KM2-Spulenstromkreis kann zu diesem Zeitpunkt gesteuert werden. Die Stopptaste SB3 kann nur den Stopp des M2-Motors steuern, und die Stopptaste SB1 ist die Stopptaste. Diese Schaltung kann den M2-Motor nur starten, wenn sie die Bedingungen zum ersten Starten des M1-Motors erfüllt.
Abbildung B: Die Steuerschaltung besteht aus einer KM1-Spulenschaltung und einer KM2-Spulenschaltung. Der bewegliche Kontakt des KM1 wird als Steuerbedingung verwendet und in der KM2-Spulenschaltung in Reihe geschaltet. Nur die KM1-Spule ist elektrisch angeschlossen, und ihre Hilfsgruppe unterstützt das Schließen des Schließkontakts. Zu diesem Zeitpunkt kann die KM2-Spulenschaltung gesteuert werden. Die Stopptaste SB3 kann nur den Stopp des M2-Motors steuern, und die Stopptaste SB1 ist die Stopptaste. Diese Schaltung kann den M2-Motor nur starten, wenn sie die Bedingungen zum ersten Starten des M1-Motors erfüllt.
3, Motorsequenzsteuerschaltung

Beschreibung:
1. Die Startsequenz dieser Schaltung ist der erste M1-Motor und der hintere M2-Motor; Die Stoppsequenz ist umgekehrt.
2. SPS (Mitsubishi FX0N, FX1N), Programmieranschluss und Einschaltvorgang.
3, Betrieb löschen
Programmschreibvorgang; Schreiben Sie die Anweisungsliste gemäß dem Kontaktplan auf.
4. Schließen Sie den Motor an die Hauptsequenzsteuerung am Hauptgerät an.
Das Funktionsprinzip der Steuerschaltung Motor Folge: Schließen Sie den Netzschalter QS, drücken Sie die Starttaste SB1, das Schütz KM1 ist elektrisch angezogen und selbstgeschützt, und der M1-Motor läuft an. Der andere bewegliche Kontakt des KM1 wird geschlossen, um das Schütz KM2 für die Stromversorgung vorzubereiten. Wenn der Startknopf SB2 gedrückt wird, wird das Schütz KM2 erregt und selbstgeschützt und der M2-Motor gestartet. Die Startsequenz ist das erste Einziehen des KM1, und der M1-Motor läuft an. Nach dem Einfahren des KM2 läuft der M2-Motor an. Die Parksequenz lautet:
Erst wenn die Taste SB4 zuerst gedrückt wird, wird das Schütz KM2 ausgeschaltet, der bewegliche Kontakt des KM2 wird geöffnet und der M2-Motor stoppt und drückt dann SB3, um den M1-Motor zu stoppen. Thermorelais FR1, FR2 normalerweise geschlossene Kontakte, der Steuerkreis wird automatisch getrennt, wenn der Motor überlastet oder der Phasenverlust überhitzt ist, und der Motor ist geschützt.





