Produkt Merkmale des Bimetal Thermostat KSD301, KSD302
Produktname:
KSD301, KSD302 Bimetall thermostats
Produktbeschreibung:
KSD301, KSD302 ist eine Bimetall entwicklung und -anwendung repräsentativer Produkte, die in Wärmeschutz Produkten weit verbreitet sind.
Produktmerkmale:
Lebensdauer: ≥100000 mal
Elektrische Stärke: AC 50Hz 1800V dauerte 1 Minute, kein Flackern, kein Ausfall
Betriebstemperaturbereich: 0 ~ 240 ° C (optional), Temperaturgenauigkeit: ± 2 ± 3 ± 5 ± 10 ° C.
KSD301 Eigenschaften:
1, Elektrische Parameter: 1) AC250V 50 ~ 60Hz 5A / 10A / 15A (ohmsche Last), 2) AC 125V 50Hz 15A (ohmsche Last)
2, Betriebstemperaturbereich: -20 ~ 240 ° C (optional), Temperaturgenauigkeit: ± 2 ± 3 ± 5 ± 10 ° C.
Anwendung Temperaturbereich: -20 ℃ ~ 250 ℃
KSD302 Eigenschaften:
1 die technischen Parameter: AC250V, 400V 15A-60A
2, der Temperaturbereich: -20 ℃ -180 ℃
KSD301, KSD302 Bimetall thermostats
Produktbeschreibung:
KSD301, KSD302 ist eine Bimetall entwicklung und -anwendung repräsentativer Produkte, die in Wärmeschutz Produkten weit verbreitet sind.
Produktmerkmale:
Lebensdauer: ≥100000 mal
Elektrische Stärke: AC 50Hz 1800V dauerte 1 Minute, kein Flackern, kein Ausfall
Betriebstemperaturbereich: 0 ~ 240 ° C (optional), Temperaturgenauigkeit: ± 2 ± 3 ± 5 ± 10 ° C.
KSD301 Eigenschaften:
1, Elektrische Parameter: 1) AC250V 50 ~ 60Hz 5A / 10A / 15A (ohmsche Last), 2) AC 125V 50Hz 15A (ohmsche Last)
2, Betriebstemperaturbereich: -20 ~ 240 ° C (optional), Temperaturgenauigkeit: ± 2 ± 3 ± 5 ± 10 ° C.
Anwendung Temperaturbereich: -20 ℃ ~ 250 ℃
KSD302 Eigenschaften:
1 die technischen Parameter: AC250V, 400V 15A-60A
2, der Temperaturbereich: -20 ℃ -180 ℃
Verwenden Sie den Chip:
Bimetall (automatischer Reset, manueller Reset)
Produktgröße:
Pin Terminal Pose:
1: Horizontal 2: Vertikal 90 °, 3: Vertikal / 45 °, 4: Horizontal / 45 ° 5: 45 ° / 45 °, 6: Horizontal / Vertikal, 7: Andere Typen
Feste Form der Aluminiumkappe:
1: bewegliche Aluminiumabdeckung, 2: keine feste Aluminiumabdeckung, 3: 45 ° feste Aluminiumabdeckung, 4: 90 ° feste Aluminiumabdeckung, 5: 180 ° feste Aluminiumabdeckung
Produkt größentabelle KSD301

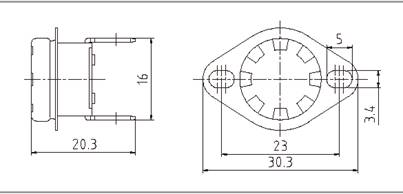
Maßzeichnung von KSD302

Bimetall (automatischer Reset, manueller Reset)
Produktgröße:
Pin Terminal Pose:
1: Horizontal 2: Vertikal 90 °, 3: Vertikal / 45 °, 4: Horizontal / 45 ° 5: 45 ° / 45 °, 6: Horizontal / Vertikal, 7: Andere Typen
Feste Form der Aluminiumkappe:
1: bewegliche Aluminiumabdeckung, 2: keine feste Aluminiumabdeckung, 3: 45 ° feste Aluminiumabdeckung, 4: 90 ° feste Aluminiumabdeckung, 5: 180 ° feste Aluminiumabdeckung
Produkt größentabelle KSD301

Maßzeichnung von KSD302

KSD301, KSD302 haben unterschiedliche Erscheinungsbilder und Installationen. Kunden müssen gemäß den Produktanforderungen installiert werden. Wählen Sie ein anderes Erscheinungsbild des Produkts. Yaxun Electronics bietet eine breite Palette an Produktdesigns. Willkommen zu erkundigen.
Aussehen Bild:
KSD301 Produktbilder

KSD301 Produktbilder

Anwendungsbereich:
KSD301 Anwendung:
Weit verbreitet: Wasserspender, Warmwasserbereiter, Sandwich-Toaster, Geschirrspüler, Trockner, Desinfektionsschrank, Mikrowelle, elektrische Kaffeekanne, Elektroherd, Kühlschrank, Klimaanlage, Kunststoffmaschine, Büroausstattung, Autositzheizung Elektrische Heizgeräte.
KSD302 Anwendung:
Weit verbreitet in:
Großleistungsschweißmaschinen, Waschmaschinen, Klimaanlagen, Kühlschränke, Sanitärthermostate, elektrische Wasserflaschen, Wasserkocher, elektrische Heizungen, elektrische Öfen, Warmwasserbereiter, Wasserspender, Mikrowellenöfen, Desinfektionsschrank, elektrische Schnellkochtöpfe, Reiskocher und andere Branchen und Temperaturregelung von Haushaltsgeräten
Kompositionsmaterialien:
Temperaturregler der KSD-Serie, die Grundkomponenten des Zubehörs für Temperaturschalter:
Schale (Bakelit, Keramik), KSD301 Aluminiumabdeckung (KSD302 Edelstahlabdeckung)
Terminals:
(Anschlüsse der Serie N: 187 (4,8 × 0,5)
Anschlüsse der Serie M: 187 (4,8 × 0,8)
R: Terminal der Serie 250 (6,3 × 0,8) Nicht standardmäßiges Terminal, Kontakte (Kupfer, Silber), Nieten, statischer Kontakt, dynamisches Schilf, Bimetall
Vorsichtsmaßnahmen für die Verwendung:
1, die Verwendung einer Installation vom Typ Kontakttemperatur. Die Metallabdeckung sollte sich nahe an der Montagefläche des gesteuerten Geräts befinden. Um den Temperatureffekt zu gewährleisten, sollte die Oberflächentemperatur von Wärmeleitpaste oder andere dem thermischen Medium ähnliche Eigenschaften aufgetragen werden.
In 2 kann die obere Abdeckung nicht installiert werden, wenn der Druck zusammenbricht, sich löst oder verformt, um die Leistung nicht zu beeinträchtigen.
3, kann die Flüssigkeit nicht in den Temperaturregler intern lassen, soll die Hülle nicht reißen lassen, die Form des externen Anschlusses nicht ändern.
4, das Produkt ist nicht größer als 5A Strom in der verwendeten Schaltung, sollte den Kupferkernabschnitt für 0,5 wählen. 5-1 mm2 Drahtverbindung; Nicht mehr als 10 A Strom in der Schaltung verwendet, sollte Kupferleiterquerschnitt 0,75-1,5 mm2 Drahtverbindung gewählt werden.
5, das Produkt sollte weniger als 90% relative Luftfeuchtigkeit, Umgebungstemperatur unter 40 ° C Belüftung, sauberes, trockenes, nicht korrosives Gasspeicherlager haben.
In 2 kann die obere Abdeckung nicht installiert werden, wenn der Druck zusammenbricht, sich löst oder verformt, um die Leistung nicht zu beeinträchtigen.
3, kann die Flüssigkeit nicht in den Temperaturregler intern lassen, soll die Hülle nicht reißen lassen, die Form des externen Anschlusses nicht ändern.
4, das Produkt ist nicht größer als 5A Strom in der verwendeten Schaltung, sollte den Kupferkernabschnitt für 0,5 wählen. 5-1 mm2 Drahtverbindung; Nicht mehr als 10 A Strom in der Schaltung verwendet, sollte Kupferleiterquerschnitt 0,75-1,5 mm2 Drahtverbindung gewählt werden.
5, das Produkt sollte weniger als 90% relative Luftfeuchtigkeit, Umgebungstemperatur unter 40 ° C Belüftung, sauberes, trockenes, nicht korrosives Gasspeicherlager haben.





