Resistencia Fusible amperio Clasificación de interrupción
- PRODUCT DETAIL
Un fusible también se llama fusible actual, que se define en el estándar IEC127 como un "enlace fusible". Se utiliza principalmente para la protección contra sobrecargas. Si el fusible se coloca correctamente en el circuito, el fusible cortará automáticamente la corriente cuando la corriente se eleve anormalmente a una cierta altura y calor, lo que protege el funcionamiento seguro del circuito.
El fusible inventado por Edison hace más de cien años se utilizó para proteger las costosas lámparas incandescentes. Con el desarrollo de los tiempos, el fusible para proteger los equipos eléctricos de sobrecorriente, daños por sobrecalentamiento. Evite lesiones graves causadas por el mal funcionamiento interno de los equipos electrónicos.
¿Cómo funcionan los fusibles?
Cuando una corriente fluye a través de los conductores fusibles, conductores porque hay una cierta resistencia, el conductor generará calor. Y el valor calorífico sigue esta fórmula: Q = 0.24I2RT; Donde Q es la cantidad de calor, 0.24 es una constante, I es la corriente que fluye a través del conductor, R es la resistencia del conductor y T es el tiempo que la corriente fluye a través del conductor; Basado en esta fórmula, no es difícil ver el principio de funcionamiento simple del fusible.
Cuando se determina el material y la forma del fusible, su resistencia R está relativamente determinada (si no se considera su coeficiente de resistencia a la temperatura). Cuando la corriente fluye a través de él, genera calor y su generación de calor aumenta con el tiempo. La magnitud de la corriente y la resistencia determina la tasa de generación de calor. La estructura del fusible y su condición de instalación determinan la tasa de disipación de calor. Si la tasa de generación de calor es menor que la tasa de disipación de calor, el fusible no se fundirá. Si la tasa de generación de calor es igual a la tasa de disipación de calor, no se derretirá por mucho tiempo. Si la tasa de generación de calor es mayor que la tasa de disipación de calor, se generará más y más calor. Y debido a que tiene un cierto calor y masa específicos, el aumento de su calor se refleja en el aumento de la temperatura. Cuando la temperatura sube por encima del punto de fusión del fusible, el fusible se fundirá. Así es como funciona el fusible. Debemos saber de este principio que cuando diseña y fabrica fusibles, debe estudiar cuidadosamente las características físicas de los materiales que elija y asegurarse de que tengan una geometría consistente. Porque estos factores juegan un papel vital en el funcionamiento normal del fusible. Además, cuando lo use, asegúrese de instalarlo correctamente.
A, Características del producto
El rendimiento contra sobretensiones del producto es bueno, el fusible de buena consistencia, pequeño volumen, instalación conveniente, segura y
confiable, ampliamente utilizado en fuentes de luz eléctrica, fuentes de alimentación conmutadas, cargadores y electrodomésticos y otros dispositivos electrónicos
equipo.
Dos,Tamaño y forma

Tres, Nota tecnica
Informacion General
1 、 Tolerancia de resistencia nominal: ± 5% 、 ± 10%
2 、 Categoría climática : 55/155/21
3 、 Baja presión: 8.5kpa
4 、 Grado de estabilidad: 5%
5 、 El valor límite de cambio de resistencia:
5.1 、 Prueba a largo plazo: ± (5% R + 0.1Ω)
5.2 、 Prueba a corto plazo: ± (1% R + 0.05Ω)
6 、 Coeficiente de temperatura: ± 350 * 10-6 / ℃
7 、 Corriente nominal: I2 (A) = P (W) / R (Ω)
8, la curva de potencia en la figura 2:
Nota: la potencia nominal es el funcionamiento continuo máximo a 70 ℃ de temperatura superior a 70 ℃, lo que reduce el consumo de energía por la curva。
9, característica del fusible
Definición: la sobrecarga de resistencias impone requisitos, la resistencia aumentó significativamente; La corriente que fluye a través de la resistencia para caer a la corriente experimental inicial por debajo de 1/50 se llama fusible. La resistencia de más la sobrecarga especificada para fusionar el tiempo requerido se llama tiempo de fusión. Esta propiedad se llama características del fusible.
10 、Rendimiento antichoque
De acuerdo con el interruptor K de la figura 3, encienda el interruptor K2, de acuerdo con 1S 1S apagado, K1 se repite 30 veces, pruebe que la resistencia no se abra。
El fusible inventado por Edison hace más de cien años se utilizó para proteger las costosas lámparas incandescentes. Con el desarrollo de los tiempos, el fusible para proteger los equipos eléctricos de sobrecorriente, daños por sobrecalentamiento. Evite lesiones graves causadas por el mal funcionamiento interno de los equipos electrónicos.
¿Cómo funcionan los fusibles?
Cuando una corriente fluye a través de los conductores fusibles, conductores porque hay una cierta resistencia, el conductor generará calor. Y el valor calorífico sigue esta fórmula: Q = 0.24I2RT; Donde Q es la cantidad de calor, 0.24 es una constante, I es la corriente que fluye a través del conductor, R es la resistencia del conductor y T es el tiempo que la corriente fluye a través del conductor; Basado en esta fórmula, no es difícil ver el principio de funcionamiento simple del fusible.
Cuando se determina el material y la forma del fusible, su resistencia R está relativamente determinada (si no se considera su coeficiente de resistencia a la temperatura). Cuando la corriente fluye a través de él, genera calor y su generación de calor aumenta con el tiempo. La magnitud de la corriente y la resistencia determina la tasa de generación de calor. La estructura del fusible y su condición de instalación determinan la tasa de disipación de calor. Si la tasa de generación de calor es menor que la tasa de disipación de calor, el fusible no se fundirá. Si la tasa de generación de calor es igual a la tasa de disipación de calor, no se derretirá por mucho tiempo. Si la tasa de generación de calor es mayor que la tasa de disipación de calor, se generará más y más calor. Y debido a que tiene un cierto calor y masa específicos, el aumento de su calor se refleja en el aumento de la temperatura. Cuando la temperatura sube por encima del punto de fusión del fusible, el fusible se fundirá. Así es como funciona el fusible. Debemos saber de este principio que cuando diseña y fabrica fusibles, debe estudiar cuidadosamente las características físicas de los materiales que elija y asegurarse de que tengan una geometría consistente. Porque estos factores juegan un papel vital en el funcionamiento normal del fusible. Además, cuando lo use, asegúrese de instalarlo correctamente.
A, Características del producto
El rendimiento contra sobretensiones del producto es bueno, el fusible de buena consistencia, pequeño volumen, instalación conveniente, segura y
confiable, ampliamente utilizado en fuentes de luz eléctrica, fuentes de alimentación conmutadas, cargadores y electrodomésticos y otros dispositivos electrónicos
equipo.
Dos,Tamaño y forma

|
Teclea un número
|
Potencia nominal W |
Tamaño (mm)
|
Longitud de la raíz de pintura permitida * (mm)
|
|||
|
Dmax
|
Lmax
|
H±1
|
d±0.05
|
|||
|
RXF
|
0.25、0.5S
|
3.0
|
7.0
|
60~70
|
0.38~0.45
|
≤1
|
|
0.5、1S
|
4.0
|
11
|
60~95
|
0.43~0.60
|
≤1.5
|
|
|
1、2S
|
5.0
|
12
|
60~70
|
0.54~0.72
|
||
|
2、3S
|
6.0
|
16
|
60~80
|
0.60~0.72
|
||
Informacion General
1 、 Tolerancia de resistencia nominal: ± 5% 、 ± 10%
2 、 Categoría climática : 55/155/21
3 、 Baja presión: 8.5kpa
4 、 Grado de estabilidad: 5%
5 、 El valor límite de cambio de resistencia:
5.1 、 Prueba a largo plazo: ± (5% R + 0.1Ω)
5.2 、 Prueba a corto plazo: ± (1% R + 0.05Ω)
6 、 Coeficiente de temperatura: ± 350 * 10-6 / ℃
7 、 Corriente nominal: I2 (A) = P (W) / R (Ω)
8, la curva de potencia en la figura 2:

9, característica del fusible
Definición: la sobrecarga de resistencias impone requisitos, la resistencia aumentó significativamente; La corriente que fluye a través de la resistencia para caer a la corriente experimental inicial por debajo de 1/50 se llama fusible. La resistencia de más la sobrecarga especificada para fusionar el tiempo requerido se llama tiempo de fusión. Esta propiedad se llama características del fusible.
Requisitos: condiciones de sobrecarga en las reglas de relación de corriente nominal, el tiempo de fusión se ajustará a las siguientes disposiciones ;
Tabla 3
Tabla 3
|
Relación de corriente nominal (veces)
|
Tiempo de fusión (S)
|
|
|
0.25W
|
R<1Ω:6 R≥1Ω:8
|
≤30
|
|
0.5~3W
|
R<1Ω:5 R≥1Ω:6
|
≤30
|
|
Nota: el tiempo de fusión de acuerdo con los requisitos del usuario
|
||
De acuerdo con el interruptor K de la figura 3, encienda el interruptor K2, de acuerdo con 1S 1S apagado, K1 se repite 30 veces, pruebe que la resistencia no se abra。
11 、 Características de sobretensión (sobretensión)
Condiciónes de la prueba: de acuerdo con la prueba estándar IEC61000-4-5, la carga específica para el extremo de salida se conecta con la correspondiente, aplicando una sobretensión,
forma de onda: 1.2 / 50us 8 / 20usCombination wave;
modo acoplado: L-N, L N-PE, L-PE, N-PE según el requisito de selección; polar respectivamente: positivo y negativo;
ángulo de fase: 0 ° 、 90 ° 、 180 ° 、 270 ° , Frecuencia de sobretensión 5 veces cada una, tiempo de intervalo 60S。
Prueba estándar: después de la prueba, pruebe que la resistencia no debe abrirse。
12, Los principales elementos de prueba, métodos de prueba y requisitos de rendimiento (si no hay instrucciones especiales, se encuentran en las condiciones atmosféricas de prueba estándar standard
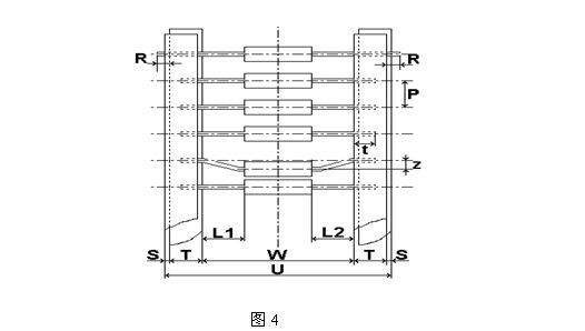
13 、Tipo y tamaño de trenza como se muestra en la Figura 4, tabla 5:
16 、 Especificación del nombre de la especificación (casos)
17, señal de anillo de color de resistencia
Descripción del producto
● Introducción del producto: la resistencia de fusible (también llamada resistencia de seguro, resistencias de bobinado, resistencias de bobinado, resistencia de fusible), es un nuevo tipo de elemento especial que tiene un doble papel de resistencia y fusible. Es con la letra y ldquo en el circuito; RF "o" R "
representación.
● Potencia nominal: 1 / 4W, 1 / 2WS, 1 / 2W, 1WS, 1W, 2WS, 2W, 3WS, etc.
● tensión soportada: 350V
● rango de resistencia: 0.1Ω ~ 510Ω.
● error: ± 1% ~ ± 5%
● certificación: certificación UL / VDE / CQC
Las características del producto:
1, es la mejor opción para el esquema de bajo costo de pequeña potencia.
2, puede satisfacer los requisitos de descarga de corriente contra sobretensiones y contra rayos
Capacidad de disipación de calor de
3, fuerte, coeficiente de baja temperatura, resistencia a alta presión, aislamiento, ignífugo, a prueba de explosiones, larga vida.
Condiciónes de la prueba: de acuerdo con la prueba estándar IEC61000-4-5, la carga específica para el extremo de salida se conecta con la correspondiente, aplicando una sobretensión,
forma de onda: 1.2 / 50us 8 / 20usCombination wave;
modo acoplado: L-N, L N-PE, L-PE, N-PE según el requisito de selección; polar respectivamente: positivo y negativo;
ángulo de fase: 0 ° 、 90 ° 、 180 ° 、 270 ° , Frecuencia de sobretensión 5 veces cada una, tiempo de intervalo 60S。
Prueba estándar: después de la prueba, pruebe que la resistencia no debe abrirse。
12, Los principales elementos de prueba, métodos de prueba y requisitos de rendimiento (si no hay instrucciones especiales, se encuentran en las condiciones atmosféricas de prueba estándar standard
|
Número de serie
|
Proyecto de prueba
|
Método de prueba
|
Requisitos de desempeño
|
|
1
|
Resistencia
|
Error de medición del instrumento de clasificación de resistencia.
|
Valor de resistencia a resistencia nominal y el rango de desviación admisible。 |
|
2
|
Carga a corto plazo
|
Tensión nominal, resistencia aplicada 2.5 veces por 5S, 1 ~ 2H después de la recuperación de la medición de resistencia, y calcular la tasa de cambio de resistencia.
|
El cambio de resistencia:
△R≤±(2%R+0.05Ω)
|
|
3
|
Soldabilidad
|
Método de soldadura por ranura, inmersión de terminaciones de resistencia (260 ± 5) ℃ La olla de soldadura, el cuerpo del elemento de distancia de profundidad de inserción 2-0.5 mm Para 2 ± 0.5S, elimine el área de cobertura de soldadura observada. |
Sumérjase en la parte periférica de la dirección de la superficie 90% de cobertura
|
|
4
|
Alto voltaje
|
La resistencia se coloca en ranuras metálicas en "V", regulación de voltaje de aislamiento, voltaje y resistencia en los dos cables y & ldquo juntos; Ranura en V entre 60S, continuación.
|
Sin averías, arcos
|
|
5
|
Resistencia al calor de soldadura
|
Antes del experimento que mide la resistencia, las terminaciones de la resistencia de inmersión 350 ± 10 ℃ La olla de soldadura, continuó 3.5 ± 0.5 S Después de la recuperación, 1 h Después de la medición, calculando la tasa de cambio de resistencia.
|
El cambio de resistencia:
△R≤±(1%R+0.05Ω)
|
|
6
|
Cambios rápidos de temperatura.
|
Según la baja temperatura: -55 ± 3 ℃ , Tiempo: 30 minutos, temperatura normal, tiempo 2-3 minutos, temperatura alta 155 ± 3 ℃, tiempo: 30 minutos a temperatura ambiente, tiempo, estilo = "2-3 minutos, este es un ciclo, haz 5 ciclos, restablecer las 1-2 h después de medir y calcular la tasa de cambio de resistencia
|
El cambio de resistencia:
△R≤±(1%R+0.05Ω)
|
|
7
|
Durabilidad
|
La resistencia se coloca en la caja de temperatura constante (70 ± 3) ℃, voltaje de CC nominal de entrada, 1,5 h, falla de 0,5 h, por lo que el ciclo de recuperación de 1000 h, 1 y mdash después de la extracción; después de 4h, la medición de resistencia, cálculo de la tasa de cambio de resistencia. El periodico>
|
El cambio de resistencia:
△R≤±(5%R+0.1Ω)
|
|
8
|
Fuerza terminal
|
Pull: con 10N continuó tirando de 10S;
flexión: Al final con 5NLoad, el cuerpo de la resistencia (2-3 "TAMAÑO DE FUENTE: 12pt") S en 90 ° después de la recuperación, la otra dirección se dobla, es decir, se dobla 2 veces. |
El cambio de resistencia: △ R≤ ± (1% R + 0.05Ω) |
|
9
|
Vibración
|
El cuerpo de la resistencia y la distancia del punto de instalación de 6 ± 1 mm, rango de tasa de vibración de 10-500 HZ, : 0.75 mm "TAMAÑO FUENTE: 12pt 98m / s2" TAMAÑO FUENTE: 12pt "> el menor de; dirección y tiempo de vibración a lo largo de Z "TAMAÑO DE FUENTE: 12pt", eje XY 2h "TAMAÑO DE FUENTE: 12pt, ciclo : 1min ; (10-55-10HZ) , Prueba de medición de resistencia y calcule la tasa de cambio de resistencia |
1) Apariencia: sin daños mecánicos
Die Widerstandsänderung:
△R≤±(1%R+0.05Ω)
|
|
10
|
Secuencia climática
|
- Prueba de calor húmedo cíclico seco, Db, el primer ciclo frío; ciclo de prueba de calor cíclico húmedo a baja presión, Db, DC carga el resto
|
Die Widerstandsänderung:
△R≤±(5%R+0.1Ω)
|
|
11
|
El cambio de resistencia
|
Las muestras de prueba se instalaron en 25 ± 3 mm, aplicando 5 "TAMAÑO DE FUENTE: 12pt", 10
"TAMAÑO DE FUENTE: 12pt", 16 carga nominal de consumo de energía, duración de 5 minutos <span style = "TAMAÑO DE FUENTE: 12pt"> o al resistor en verificación abierta |
El cilindro de la pantalla falla
|
13 、Tipo y tamaño de trenza como se muestra en la Figura 4, tabla 5:
|
Especificaciones de grabación
|
Talla (㎜)
|
||||||||
|
U
|
W
|
P
|
L1-L2
|
T
|
Z
|
R
|
t
|
S
|
|
|
T26
|
38±1
|
26±0.5
|
5±0.5
|
<0.5
|
6±0.1
|
≤1
|
0
|
≥3.2
|
<0.8
|
|
T52
|
64±2
|
52±1
|
<1
|
||||||
|
T63
|
75±2
|
63±1
|
≤1,2
|
||||||
|
75±2
|
63±1
|
10±0.5
|
|||||||
|
T72
|
84±2
|
72±2
|
5±0.5
|
<1.2
|
|||||
|
84±2
|
72±2
|
10±0.5
|
|||||||
14 、El estilo y el tamaño del producto de la carcasa se muestran en la Figura 5, tabla 6
|
Forma
|
regla de pulgada; (㎜)
|
|||||
|
H±1
|
H1±1.5
|
H2±1.5
|
h≤ h (1±5%)
|
h1±2
|
h2±2
|
|
|
Tipo de TA
|
70
|
20
|
20
|
50
|
10
|
10
|
|
Modelo TB
|
80
|
5
|
25
|
40
|
10
|
30
|
|
Nota: 1, las partes expuestas al plomo≤5㎜, la tolerancia es + 2 / -1 mm, 2, el tamaño de la carcasa se puede fabricar de acuerdo con los requisitos del cliente
|
||||||

15, estilo de moldeo y el gráfico tamaño

|
Forma
|
Talla(㎜)
|
|||
|
P±0.5
|
H±1
|
h±1
|
Nota: La forma y el tamaño se pueden producir de acuerdo con los requisitos del cliente. |
|
|
nType
|
5
|
4
|
|
|
|
10
|
4
|
|
||
|
BType
|
5
|
|
4.5
|
|
|
10
|
|
4.5
|
||
|
LType
|
10
|
4.5
|
|
|
|
12
|
4.5
|
|
||
16 、 Especificación del nombre de la especificación (casos)

17, señal de anillo de color de resistencia

|
Color
Color
|
Primer digital Primer dígito |
Segundo digital Segundo dígito
|
Tercera digital Tercer dígito |
Multiplicador Malutiplier |
Tasa de error Tolerancia
|
|
Negro Negro
|
0
|
0
|
0
|
100
|
—
|
|
marrón Marrón
|
1
|
1
|
1
|
101
|
±1
|
|
rojo
|
2
|
2
|
2
|
102
|
±2
|
|
Naranja naranja
|
3
|
3
|
3
|
103
|
—
|
|
Huang Yellow
|
4
|
4
|
4
|
104
|
—
|
|
Verde verde
|
5
|
5
|
5
|
105
|
±0.5
|
|
Azul Azul
|
6
|
6
|
6
|
106
|
±0.25
|
|
Violeta púrpura
|
7
|
7
|
7
|
107
|
±0.1
|
|
Gris ceniza
|
8
|
8
|
8
|
108
|
—
|
|
Blanco
|
9
|
9
|
9
|
109
|
—
|
|
Oro oro
|
—
|
—
|
—
|
10-1
|
±5
|
|
Plata plata
|
—
|
—
|
—
|
10-2
|
±10
|
|
no llano
|
—
|
—
|
—
|
—
|
±20
|
Descripción del producto
● Introducción del producto: la resistencia de fusible (también llamada resistencia de seguro, resistencias de bobinado, resistencias de bobinado, resistencia de fusible), es un nuevo tipo de elemento especial que tiene un doble papel de resistencia y fusible. Es con la letra y ldquo en el circuito; RF "o" R "
representación.
● Potencia nominal: 1 / 4W, 1 / 2WS, 1 / 2W, 1WS, 1W, 2WS, 2W, 3WS, etc.
● tensión soportada: 350V
● rango de resistencia: 0.1Ω ~ 510Ω.
● error: ± 1% ~ ± 5%
● certificación: certificación UL / VDE / CQC
Las características del producto:
1, es la mejor opción para el esquema de bajo costo de pequeña potencia.
2, puede satisfacer los requisitos de descarga de corriente contra sobretensiones y contra rayos
Capacidad de disipación de calor de
3, fuerte, coeficiente de baja temperatura, resistencia a alta presión, aislamiento, ignífugo, a prueba de explosiones, larga vida.











