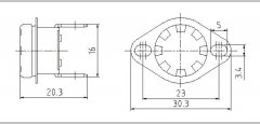
Estructura y componentes del interruptor de control de temperatura de la serie bimetlica KSD Estructura bimetlica de control de temperatura de la serie KSD (como: KSD9700, KSD301, KSD302, TB02, BW9700) Estructura y composicin Accesorios: Ca....
A menudo, los clientes me han preguntado qu es el termostato bimetlico S.P.S.T. Alguien respondi as: El termostato bimetlico puede controlar la temperatura del interruptor. De hecho, esta pregunta slo la mitad de la respuesta, no dijo que e....
P: El termostato digital no se muestra despus de encender la alimentacin? A: 1 Verifique que la fuente de alimentacin del termostato digital est conectada. 2, verifique que el interruptor de encendido del termostato digital se est reproduci....
El equipo de deteccin del interruptor de control de temperatura consta de cinco partes: sistema de calefaccin, sistema de enfriamiento de aire, sistema de carga, sistema de visualizacin de control de deteccin, sistema de alarma. 1, la confi....
en la vida diaria, cuando el termostato digital tiene un problema, la pantalla mostrar algunos smbolos de alarma, podemos consultar la informacin de alarma, el termostato para mantenimiento. P: el termostato digital tiene una pantalla de fa....
Principio de funcionamiento La serie de termostatos de accin rpida KSD301 es una serie de termostatos bimetlicos de tamao pequeo con una tapa de metal, que pertenece a la familia de rels trmicos. El principio principal es que una funcin de....
Dependiendo de la temperatura del ambiente, deformacin fsica del lquido interno del termostato, lo que resulta en un efecto especial de proteccin trmica, un elemento de control de temperatura automtico que se enciende o apaga. Llamado termo....
1. Requisitos tcnicos 1.1 condiciones de trabajo normales y requisitos de instalacin A menos que se acuerde lo contrario, el interruptor de control de temperatura debe funcionar normalmente en las condiciones especificadas a continuacin. 1.....
Termostato de produccin electrnica de Yaxun durante 15 aos, la calidad del producto ha sido reconocida por los clientes, debido a que mi empresa tiene un conjunto de estrictos estndares de prueba de productos, tasa de calificacin del produc....
1.1 Clasificacin de pruebas Mtodos de prueba: inspeccin de tipo e inspeccin de fbrica dos. 1.2 Inspeccin de tipo El interruptor de temperatura Ksd9700 es una de las siguientes circunstancias, General debe ser prueba de tipo: A. Nuevos ester....