Widerstand Sicherung Verstaerker Unterbrechung Leistung
- PRODUCT DETAIL
Eine Sicherung wird auch als Stromsicherung bezeichnet, die in der Norm IEC127 als "Schmelzsicherung" definiert ist. Es wird hauptsächlich zum Überlastschutz eingesetzt. Wenn die Sicherung richtig im Stromkreis platziert ist, unterbricht die Sicherung automatisch den Strom, wenn der Strom abnormal auf eine bestimmte Höhe und Wärme ansteigt, was den sicheren Betrieb des Stromkreises schützt.
Die vor mehr als hundert Jahren von Edison erfundene Zündschnur diente zum Schutz der damals teuren Glühlampen. Mit der Entwicklung der Zeit wird die Sicherung zum Schutz elektrischer Geräte vor Überstrom, Überhitzungsschäden. Vermeiden Sie schwere Verletzungen durch interne Fehlfunktionen elektronischer Geräte.
Wie Sicherungen funktionieren
Wenn ein Strom durch die Sicherungsleiter fließt, Leiter, weil es einen bestimmten Widerstand gibt, erzeugt der Leiter Wärme. Und der Heizwert folgt dieser Formel: Q = 0,24I2RT; Wobei Q die Wärmemenge ist, 0,24 eine Konstante ist, I der durch den Leiter fließende Strom ist, R der Widerstand des Leiters ist und T die Zeit ist, in der der Strom durch den Leiter fließt; Basierend auf dieser Formel ist es nicht schwierig, das einfache Funktionsprinzip der Sicherung zu erkennen.
Die vor mehr als hundert Jahren von Edison erfundene Zündschnur diente zum Schutz der damals teuren Glühlampen. Mit der Entwicklung der Zeit wird die Sicherung zum Schutz elektrischer Geräte vor Überstrom, Überhitzungsschäden. Vermeiden Sie schwere Verletzungen durch interne Fehlfunktionen elektronischer Geräte.
Wie Sicherungen funktionieren
Wenn ein Strom durch die Sicherungsleiter fließt, Leiter, weil es einen bestimmten Widerstand gibt, erzeugt der Leiter Wärme. Und der Heizwert folgt dieser Formel: Q = 0,24I2RT; Wobei Q die Wärmemenge ist, 0,24 eine Konstante ist, I der durch den Leiter fließende Strom ist, R der Widerstand des Leiters ist und T die Zeit ist, in der der Strom durch den Leiter fließt; Basierend auf dieser Formel ist es nicht schwierig, das einfache Funktionsprinzip der Sicherung zu erkennen.
Wenn das Material und die Form der Sicherung bestimmt werden, wird ihr Widerstand R relativ bestimmt (wenn ihr Temperaturkoeffizient des Widerstands nicht berücksichtigt wird). Wenn Strom durch ihn fließt, erzeugt er Wärme und seine Wärmeerzeugung nimmt mit der Zeit zu. Die Größe des Stroms und des Widerstands bestimmt die Geschwindigkeit der Wärmeerzeugung. Die Struktur der Sicherung und ihr Installationszustand bestimmen die Wärmeableitungsrate. Wenn die Wärmeerzeugungsrate geringer ist als die Wärmeableitungsrate, löst die Sicherung nicht aus. Wenn die Wärmeerzeugungsrate gleich der Wärmeableitungsrate ist, schmilzt sie lange Zeit nicht. Wenn die Wärmeerzeugungsrate größer als die Wärmeableitungsrate ist, wird immer mehr Wärme erzeugt. Und weil es eine bestimmte spezifische Wärme und Masse hat, spiegelt sich die Zunahme seiner Wärme in der Zunahme der Temperatur wider. Wenn die Temperatur über den Schmelzpunkt der Sicherung steigt, löst die Sicherung aus. So funktioniert die Sicherung. Aus diesem Prinzip sollten wir wissen, dass Sie bei der Konstruktion und Herstellung von Sicherungen die physikalischen Eigenschaften der von Ihnen ausgewählten Materialien sorgfältig untersuchen und sicherstellen müssen, dass sie eine einheitliche Geometrie aufweisen. Denn diese Faktoren spielen im normalen Betrieb der Sicherung eine entscheidende Rolle. Wenn Sie es verwenden, müssen Sie es auch korrekt installieren.
EIN, Produktmerkmale
Anti-Surge-Leistung des Produkts ist gut, die Sicherung gute Konsistenz, kleines Volumen, bequeme Installation, sicher und
zuverlässig, weit verbreitet in elektrischen Lichtquellen, Schaltnetzteilen, Ladegeräten und Haushaltsgeräten und anderen elektronischen Geräten
Ausrüstung.
Zwei, Größe und Form
|
Nummer eingeben
|
Nennleistung W. |
Größe (mm)
|
Lackwurzellänge erlaubt * (mm)
|
|||
|
Dmax
|
Lmax
|
H±1
|
d±0.05
|
|||
|
RXF
|
0.25、0.5S
|
3.0
|
7.0
|
60~70
|
0.38~0.45
|
≤1
|
|
0.5、1S
|
4.0
|
11
|
60~95
|
0.43~0.60
|
≤1.5
|
|
|
1、2S
|
5.0
|
12
|
60~70
|
0.54~0.72
|
||
|
2、3S
|
6.0
|
16
|
60~80
|
0.60~0.72
|
||
Allgemeine Daten
1 、 Nennwiderstandstoleranz: ± 5% 、 ± 10%
2 、 Klimakategorie: 55/155/21
3 、 Niederdruck: 8,5 kPa
4 、 Stabilitätsgrad: 5%
5 、 Der Grenzwert für die Widerstandsänderung:
5.1 、 Langzeittest: ± (5% R + 0.1Ω)
5.2 、 Kurzzeittest : ± (1% R + 0.05Ω)
6 、 Temperaturkoeffizient: ± 350 * 10-6 / ℃
7 、 Nennstrom : I2 (A) = P (W) / R (Ω)
8 、 Leistungskurve in Abbildung 2:

9 、 Sicherungscharakteristik
Definition: Die Überlastung der Widerstände stellt Anforderungen, der Widerstand deutlich erhöht; Der Strom, der durch den Widerstand fließt, um auf den anfänglichen experimentellen Strom unter 1/50 abzufallen, wird als Sicherung bezeichnet. Der Widerstand von plus der angegebenen Überlast zum Verschmelzen der erforderlichen Zeit wird als Schmelzzeit bezeichnet. Diese Eigenschaft wird als Sicherungseigenschaften bezeichnet
Bedarf: Überlastbedingungen bei Nennstromverhältnisregeln muss die Schmelzzeit den folgenden Bestimmungen entsprechen ;
Tisch 3
Bedarf: Überlastbedingungen bei Nennstromverhältnisregeln muss die Schmelzzeit den folgenden Bestimmungen entsprechen ;
Tisch 3
|
Nennstromverhältnis (Zeiten)
|
Schmelzzeit (S)
|
|
|
0.25W
|
R<1Ω:6 R≥1Ω:8
|
≤30
|
|
0.5~3W
|
R<1Ω:5 R≥1Ω:6
|
≤30
|
|
Hinweis: Die Schmelzzeit richtet sich nach den Anforderungen des Benutzers
|
||
Schalten Sie gemäß Abbildung 3 Schalter K den Schalter K2 ein, gemäß 1S 1S aus, K1 30-mal wiederholt, testen Sie, ob der Widerstand nicht öffnen sollte。

Test-Bedingungen: Gemäß dem Standardtest IEC61000-4-5 wird die für das Ausgangsende spezifische Last mit der entsprechenden Last verbunden, wobei eine Stoßspannung angelegt wird.
Wellenform: 1,2 / 50us 8 / 20usKombinationswelle;
gekoppelter Modus: L-N, LN-PE, L-PE, N-PE gemäß den Anforderungen der Auswahl; polar jeweils: positiv und negativ;
Phasenwinkel: 0 ° 、 90 ° 、 180 ° 、 270 ° , Stoßfrequenz jeweils 5-mal, Intervallzeit60S。
Teststandard: Nach dem Test sollte der Widerstand nicht geöffnet werden open
12, Die Hauptprüfpunkte, Prüfmethoden und Leistungsanforderungen (wenn keine besonderen Anweisungen vorliegen, befinden sich in den atmosphärischen Standardprüfbedingungen)
|
Ordnungsnummer
|
Testprojekt
|
Testmethode
|
Leistungsanforderungen
|
|
1
|
Resistance
|
Messfehler des Widerstandssortiergeräts.
|
Widerstandswert bei Nennwiderstand und Der zulässige Abweichungsbereich. |
|
2
|
Short term load
|
Nennspannung, 2,5-facher Widerstand für 5S, 1 ~ 2H nach Wiederherstellung der Widerstandsmessung, und Berechnung der Widerstandsänderungsrate.
|
Die Widerstandsänderung:
△R≤±(2%R+0.05Ω)
|
|
3
|
Weldability
|
Schlitzschweißverfahren, Eintauchen der Widerstandsabschlüsse (260 ± 5) ℃ Der Löttopf, der Einstecktiefenabstand Elementkörper 2-0,5 mm Entfernen Sie für 2 ± 0,5 S den beobachteten Lötmitteldeckungsbereich. |
Tauchen Sie in den peripheren Teil der Richtung der Oberfläche 90% Bedeckung
|
|
4
|
High voltage
|
Der Widerstand befindet sich in Metall-V-Nuten, Isolationsspannungsregelung, Spannung und Widerstand in den beiden Drähten und & ldquo zusammen; V ”-Nut zwischen 60S, Fortsetzung.
|
Keine Panne, Lichtbogenbildung
|
|
5
|
Resistance to soldering heat
|
Vor dem Versuch, den Widerstand zu messen, werden die Widerstandsabschlüsse 350 ± 10 ℃ eingetaucht. Der Löttopf wird fortgesetzt. 3,5 ± 0,5 S Nach der Wiederherstellung, 1 Stunde nach der Messung, Berechnung der Widerstandsänderungsrate.
|
Die Widerstandsänderung:
△R≤±(1%R+0.05Ω)
|
|
6
|
Rapid temperature changes
|
Entsprechend der niedrigen Temperatur:
-55 ± 3 ℃ , Zeit: 30 Minuten, normale Temperatur, Zeit2-3 Minuten, hohe Temperatur 155 ± 3 ℃, Zeit: 30 Minuten bei Raumtemperatur, Zeit, Stil = "2-3 Minuten, dies ist ein Zyklus, mache 5 Stellen Sie die 1-2 Stunden nach dem Messen und Berechnen der Widerstandsänderungsrate wieder her |
Die Widerstandsänderung:
△R≤±(1%R+0.05Ω)
|
|
7
|
Durability
|
Der Widerstand befindet sich in der Box für konstante Temperatur (70 ± 3) ℃, Eingangsnenngleichspannung, 1,5 h, 0,5 h Fehler, so dass der Zyklus von 1000 h, 1 & mdash Wiederherstellung nach dem Entfernen; nach 4h die Widerstandsmessung, Berechnung der Widerstandsänderungsrate. Die Papierspanne>
|
Die Widerstandsänderung:
△R≤±(5%R+0.1Ω)
|
|
8
|
Terminal strength
|
Ziehen: mit 10N zog es weiter 10S;
Biegen: Am Ende mit 5NLoad wird der Widerstandskörper (2-3 "SCHRIFTGRÖSSE: 12pt") S in 90 ° nach der Wiederherstellung in die andere Richtung gebogen, nämlich 2-mal gebogen. |
Die Widerstandsänderung:
△R≤±(1%R+0.05Ω)。
|
|
9
|
Vibration
|
Der Widerstandskörper und der Installationspunktabstand von 6 ± 1 mm, der Schwingungsratenbereich von 10-500 Hz, : 0,75 mm "SCHRIFTGRÖSSE: 12pt 98m / s2" SCHRIFTGRÖSSE: 12pt "> der kleinere von; Schwingungsrichtung und -zeit entlang der Z "SCHRIFTGRÖSSE: 12pt", XY-Achse 2h "SCHRIFTGRÖSSE: 12pt, Zyklus: 1 min 10 (10-55-10 Hz) , Widerstandsmessungstest und Berechnung der Widerstandsänderungsrate |
1) Aussehen: keine mechanischen Schäden
Die Widerstandsänderung:
△R≤±(1%R+0.05Ω)
|
|
10
|
Klimasequenz
|
- Trocknen Sie den zyklischen Feuchtwärmetest, Db, den ersten Kältezyklus; zyklischer Niederdruck-Feuchtwärme-Testzyklus, Db, DC belasten den Rest
|
Die Widerstandsänderung:
△R≤±(5%R+0.1Ω)
|
|
11
|
Die Widerstandsänderung
|
Die Testproben wurden in 25 ± 3 mm installiert, wobei 5 "SCHRIFTGRÖSSE: 12pt", 10 angewendet wurden
"SCHRIFTGRÖSSE: 12pt", 16 Nennstromverbrauchsdauer, Dauer von 5 Minuten <span style = "SCHRIFTGRÖSSE: 12pt"> oder zum Widerstand in offene Prüfung |
Der Bildschirmzylinder hat eine Fehlzündung
|
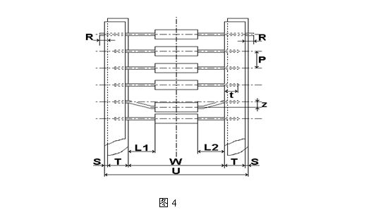
13 、 Geflechttyp und -größe wie in Abbildung 4, Tabelle 5 gezeigt:

|
Taping-Spezifikationen
|
Größe (㎜)
|
||||||||
|
U
|
W
|
P
|
L1-L2
|
T
|
Z
|
R
|
t
|
S
|
|
|
T26
|
38±1
|
26±0.5
|
5±0.5
|
<0.5
|
6±0.1
|
≤1
|
0
|
≥3.2
|
<0.8
|
|
T52
|
64±2
|
52±1
|
<1
|
||||||
|
T63
|
75±2
|
63±1
|
≤1,2
|
||||||
|
75±2
|
63±1
|
10±0.5
|
|||||||
|
T72
|
84±2
|
72±2
|
5±0.5
|
<1.2
|
|||||
|
84±2
|
72±2
|
10±0.5
|
|||||||
14 、Der Stil und die Größe des Gehäuseprodukts sind in Abbildung 5, Tabelle 6 dargestellt
|
Gestalten
|
Zoll Lineal; (㎜)
|
|||||
|
H±1
|
H1±1.5
|
H2±1.5
|
h≤ h (1±5%)
|
h1±2
|
h2±2
|
|
|
TA-Typ
|
70
|
20
|
20
|
50
|
10
|
10
|
|
TB-Typ
|
80
|
5
|
25
|
40
|
10
|
30
|
|
Hinweis: 1, die bleiexponierten Teile ≤ 5㎜, Toleranz + 2 / -1 mm, 2, Gehäusegröße kann nach Kundenwunsch hergestellt werden
|
||||||

15 、 Formstil- und Größentabelle

|
Gestalten
|
Größe(㎜)
|
|||
|
P±0.5
|
H±1
|
h±1
|
Hinweis:
Form und Größe können nach Kundenwunsch hergestellt werden |
|
|
nType
|
5
|
4
|
|
|
|
10
|
4
|
|
||
|
BType
|
5
|
|
4.5
|
|
|
10
|
|
4.5
|
||
|
LType
|
10
|
4.5
|
|
|
|
12
|
4.5
|
|
||
16 、 Spezifikation Name Spezifikation (Fälle)

17 、 Widerstand Farbring Zeichen

|
Farbe Farbe |
Zuerst digital Erste Ziffer |
Zweite digitale zweite Ziffer
|
Dritte digitale Dritte Ziffer |
Multiplikator
Malutiplier |
FehlerrateToleranz
|
|
Schwarz Schwarz
|
0
|
0
|
0
|
100
|
—
|
|
Brown Brown
|
1
|
1
|
1
|
101
|
±1
|
|
rot rot
|
2
|
2
|
2
|
102
|
±2
|
|
Orange Orange
|
3
|
3
|
3
|
103
|
—
|
|
Huang Gelb
|
4
|
4
|
4
|
104
|
—
|
|
Grün Grün
|
5
|
5
|
5
|
105
|
±0.5
|
|
Blau Blau
|
6
|
6
|
6
|
106
|
±0.25
|
|
Lila Violett
|
7
|
7
|
7
|
107
|
±0.1
|
|
Aschgrau
|
8
|
8
|
8
|
108
|
—
|
|
Weiß
|
9
|
9
|
9
|
109
|
—
|
|
Gold Gold
|
—
|
—
|
—
|
10-1
|
±5
|
|
Silber Silber
|
—
|
—
|
—
|
10-2
|
±10
|
|
keine Ebene
|
—
|
—
|
—
|
—
|
±20
|
● Produkteinführung: Der Sicherungswiderstand (auch Versicherungswiderstand, Drahtwiderstand, Drahtwiderstand, Sicherungswiderstand genannt) ist eine neue Art von Spezialelement, das eine doppelte Rolle als Widerstand und Sicherung hat. Es mit dem Buchstaben & ldquo in der Schaltung; RF ”oder“ R ”
Darstellung.
● Nennleistung: 1 / 4W, 1 / 2WS, 1 / 2W, 1WS, 1W, 2WS, 2W, 3WS usw.
● Spannungsfestigkeit: 350V
● Widerstandsbereich: 0,1 Ω ~ 510 Ω.
● Fehler: ± 1% ~ ± 5%
● Zertifizierung: UL / VDE / CQC-Zertifizierung
Die Produktmerkmale:
1, ist die beste Wahl für ein kostengünstiges Schema mit kleiner Leistung.
2, kann die Anforderungen an Stoßstoß und Blitzschlag erfüllen.
Wärmeableitungsfähigkeit von
3, stark, niedriger Temperaturkoeffizient, hohe Druckbeständigkeit, Isolierung, Flammschutzmittel, explosionsgeschützt, lange Lebensdauer.











