principio de control de la temperatura del motor asíncrono 3-fase
1, temporización del circuito de control de ciclo automático
Descripción:
1. La capacidad del motor asíncrono trifásico en el mapa es de 1.5KW, lo que requiere que el circuito realice un ciclo de avance y retroceso automático. El tiempo de mantenimiento de rotación hacia adelante es de 20 segundos y el tiempo de mantenimiento de rotación inversa es de 40 segundos.
2. El cableado en el tablero de distribución de energía de acuerdo con el diagrama esquemático requiere líneas brillantes, procesos razonables y contactos confiables.
3. Describa brevemente el principio de funcionamiento del circuito.
Nota: El tiempo de retraso del relé de tiempo no debe ser inferior a 15 segundos, y el ajuste de tiempo debe ser de largo a corto. Principio de funcionamiento del circuito del circuito de control de ciclo automático de temporización:
Cierre el interruptor de alimentación QF, presione el botón de retención SB2 y el relé intermedio KA se activa. El contacto de autoprotección de KA está conectado en paralelo con el circuito en serie compuesto por los contactos de interrupción de los botones SB2, KT1 y KT2, y el circuito de control de arranque está conectado. Cuando se presiona el botón de inicio SB3, el relé de tiempo KT1 se activa. El contacto móvil KT1 cuyo retardo de apagado está abierto está cerrado, la bobina del contactor KM1 está activada, el contacto principal está cerrado y el motor gira hacia adelante (el tiempo de mantenimiento de la rotación hacia adelante es de 20 segundos).
Al mismo tiempo, el contacto móvil KM1 está conectado al relé de tiempo KT2, y el contacto móvil KT2 que está desconectado en serie en el circuito de la bobina del contactor KM2 está cerrado. Dado que el contacto de enclavamiento de KM1 ahora está desconectado, la bobina del contactor KM2 no se puede energizar. Cuando finaliza el tiempo de mantenimiento de la rotación hacia adelante, el contacto móvil KT1 con el retardo de apagado se apaga, se libera KM1 y el motor gira hacia adelante. El contacto de ruptura de KM1 está cerrado, la bobina del contactor KM2 está energizada, el contacto principal está cerrado y el motor comienza a retroceder. Al mismo tiempo, el contacto móvil KM1 abre el circuito de la bobina KT2 del relé de tiempo (el tiempo de rotación inversa comienza en 40 segundos). En este momento, el contacto móvil KM2 se conecta nuevamente a la bobina KT1, y el contacto móvil KT1 con el retardo de apagado se cierra para prepararse para la próxima rotación hacia adelante del motor.
Por lo tanto, el contacto de enclavamiento KM2 en serie en el circuito de la bobina del contactor KM1 se desconecta, y la bobina del contactor KM1 no se energiza temporalmente. Los KT1 y KT2 en serie con el botón SB2 se cierran con un retraso de apagado para garantizar que el circuito de control pueda reiniciarse después de que se complete el ciclo automático del motor. Relé térmico FR contacto normalmente cerrado, el circuito de control se desconecta automáticamente cuando el motor se sobrecarga o la fase se sobrecalienta, y el motor está protegido.
Figura A: El circuito de la bobina KM2 se conecta después de que el circuito de la bobina KM1 se inicia y se detiene. Cuando se presiona el botón de inicio SB2, la bobina KM1 se atrae eléctricamente y se autobloquea, y el circuito de la bobina KM2 se puede controlar en este momento. El botón de parada SB3 solo puede controlar la parada del motor M2, y el botón de parada SB1 es el botón de parada. Este circuito solo puede arrancar el motor M2 si cumple las condiciones para arrancar primero el motor M1.
Figura B: El circuito de control está compuesto por un circuito de bobina KM1 y un circuito de bobina KM2. El contacto móvil del KM1 se usa como condición de control y se conecta en serie en el circuito de la bobina KM2. Solo la bobina KM1 está conectada eléctricamente, y su grupo auxiliar ayuda al cierre del contacto de cierre. En este momento, se puede controlar el circuito de la bobina KM2. El botón de parada SB3 solo puede controlar la parada del motor M2, y el botón de parada SB1 es el botón de parada. Este circuito solo puede arrancar el motor M2 si cumple las condiciones para arrancar primero el motor M1.
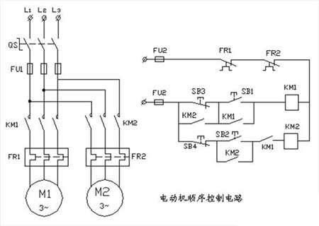
3, circuito de control de secuencia del motor

Descripción:
1. La secuencia de arranque de este circuito es el primer motor M1 y el motor M2 trasero; La secuencia de parada se invierte.
2. PLC (Mitsubishi FX0N, FX1N), conexión del programador y operación de encendido.
Solo cuando se presiona primero el botón SB4, el contactor KM2 se apaga, se abre el contacto móvil del KM2 y el motor M2 se detiene y luego presiona SB3 para detener el motor M1. Los relés térmicos FR1, FR2 normalmente cierran los contactos, el circuito de control se desconecta automáticamente cuando el motor se sobrecarga o la pérdida de fase se sobrecalienta, y el motor está protegido.
Descripción:
1. La capacidad del motor asíncrono trifásico en el mapa es de 1.5KW, lo que requiere que el circuito realice un ciclo de avance y retroceso automático. El tiempo de mantenimiento de rotación hacia adelante es de 20 segundos y el tiempo de mantenimiento de rotación inversa es de 40 segundos.
2. El cableado en el tablero de distribución de energía de acuerdo con el diagrama esquemático requiere líneas brillantes, procesos razonables y contactos confiables.
3. Describa brevemente el principio de funcionamiento del circuito.
Nota: El tiempo de retraso del relé de tiempo no debe ser inferior a 15 segundos, y el ajuste de tiempo debe ser de largo a corto. Principio de funcionamiento del circuito del circuito de control de ciclo automático de temporización:
Cierre el interruptor de alimentación QF, presione el botón de retención SB2 y el relé intermedio KA se activa. El contacto de autoprotección de KA está conectado en paralelo con el circuito en serie compuesto por los contactos de interrupción de los botones SB2, KT1 y KT2, y el circuito de control de arranque está conectado. Cuando se presiona el botón de inicio SB3, el relé de tiempo KT1 se activa. El contacto móvil KT1 cuyo retardo de apagado está abierto está cerrado, la bobina del contactor KM1 está activada, el contacto principal está cerrado y el motor gira hacia adelante (el tiempo de mantenimiento de la rotación hacia adelante es de 20 segundos).
Al mismo tiempo, el contacto móvil KM1 está conectado al relé de tiempo KT2, y el contacto móvil KT2 que está desconectado en serie en el circuito de la bobina del contactor KM2 está cerrado. Dado que el contacto de enclavamiento de KM1 ahora está desconectado, la bobina del contactor KM2 no se puede energizar. Cuando finaliza el tiempo de mantenimiento de la rotación hacia adelante, el contacto móvil KT1 con el retardo de apagado se apaga, se libera KM1 y el motor gira hacia adelante. El contacto de ruptura de KM1 está cerrado, la bobina del contactor KM2 está energizada, el contacto principal está cerrado y el motor comienza a retroceder. Al mismo tiempo, el contacto móvil KM1 abre el circuito de la bobina KT2 del relé de tiempo (el tiempo de rotación inversa comienza en 40 segundos). En este momento, el contacto móvil KM2 se conecta nuevamente a la bobina KT1, y el contacto móvil KT1 con el retardo de apagado se cierra para prepararse para la próxima rotación hacia adelante del motor.
Por lo tanto, el contacto de enclavamiento KM2 en serie en el circuito de la bobina del contactor KM1 se desconecta, y la bobina del contactor KM1 no se energiza temporalmente. Los KT1 y KT2 en serie con el botón SB2 se cierran con un retraso de apagado para garantizar que el circuito de control pueda reiniciarse después de que se complete el ciclo automático del motor. Relé térmico FR contacto normalmente cerrado, el circuito de control se desconecta automáticamente cuando el motor se sobrecarga o la fase se sobrecalienta, y el motor está protegido.

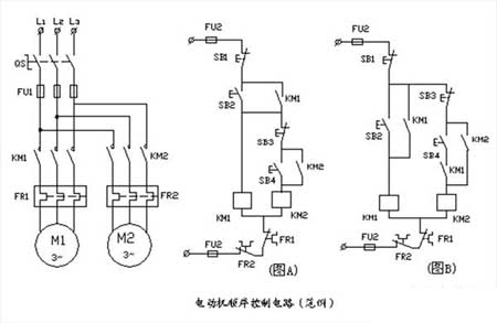
2, circuito de control secuencial (ejemplo)
El circuito de control de secuencia (ejemplo) funciona:
El circuito de control de secuencia (ejemplo) funciona:

Figura A: El circuito de la bobina KM2 se conecta después de que el circuito de la bobina KM1 se inicia y se detiene. Cuando se presiona el botón de inicio SB2, la bobina KM1 se atrae eléctricamente y se autobloquea, y el circuito de la bobina KM2 se puede controlar en este momento. El botón de parada SB3 solo puede controlar la parada del motor M2, y el botón de parada SB1 es el botón de parada. Este circuito solo puede arrancar el motor M2 si cumple las condiciones para arrancar primero el motor M1.
Figura B: El circuito de control está compuesto por un circuito de bobina KM1 y un circuito de bobina KM2. El contacto móvil del KM1 se usa como condición de control y se conecta en serie en el circuito de la bobina KM2. Solo la bobina KM1 está conectada eléctricamente, y su grupo auxiliar ayuda al cierre del contacto de cierre. En este momento, se puede controlar el circuito de la bobina KM2. El botón de parada SB3 solo puede controlar la parada del motor M2, y el botón de parada SB1 es el botón de parada. Este circuito solo puede arrancar el motor M2 si cumple las condiciones para arrancar primero el motor M1.
3, circuito de control de secuencia del motor

Descripción:
1. La secuencia de arranque de este circuito es el primer motor M1 y el motor M2 trasero; La secuencia de parada se invierte.
2. PLC (Mitsubishi FX0N, FX1N), conexión del programador y operación de encendido.
3, operación clara
Operación de escritura de programa; escriba la lista de instrucciones de acuerdo con el diagrama de escalera.
4. Conecte el motor al control de secuencia principal en la unidad principal.
El principio de funcionamiento del circuito de control de secuencia del motor: cierre el interruptor de alimentación QS, presione el botón de inicio SB1, el contactor KM1 se atrae eléctricamente y se autoprotege, y el motor M1 comienza a funcionar. El otro contacto móvil del KM1 se cierra para preparar el contactor KM2 para la alimentación. Cuando se presiona el botón de inicio SB2, el contactor KM2 se energiza y se autoprotege, y se arranca el motor M2. La secuencia de arranque es el primer arrastre KM1, y el motor M1 comienza a funcionar; Después de que el KM2 se detiene, el motor M2 comienza a funcionar. La secuencia de estacionamiento es:
Operación de escritura de programa; escriba la lista de instrucciones de acuerdo con el diagrama de escalera.
4. Conecte el motor al control de secuencia principal en la unidad principal.
El principio de funcionamiento del circuito de control de secuencia del motor: cierre el interruptor de alimentación QS, presione el botón de inicio SB1, el contactor KM1 se atrae eléctricamente y se autoprotege, y el motor M1 comienza a funcionar. El otro contacto móvil del KM1 se cierra para preparar el contactor KM2 para la alimentación. Cuando se presiona el botón de inicio SB2, el contactor KM2 se energiza y se autoprotege, y se arranca el motor M2. La secuencia de arranque es el primer arrastre KM1, y el motor M1 comienza a funcionar; Después de que el KM2 se detiene, el motor M2 comienza a funcionar. La secuencia de estacionamiento es:
Solo cuando se presiona primero el botón SB4, el contactor KM2 se apaga, se abre el contacto móvil del KM2 y el motor M2 se detiene y luego presiona SB3 para detener el motor M1. Los relés térmicos FR1, FR2 normalmente cierran los contactos, el circuito de control se desconecta automáticamente cuando el motor se sobrecarga o la pérdida de fase se sobrecalienta, y el motor está protegido.





