Einfaches und praktisches Prinzip der analogen Temperatur Regel Schalter
Temperaturregelung Gesamtkreislauf Zusammensetzung
Die Temperatur Steuerschaltung ist hauptsächlich aus Stromversorgungsteil, Temperaturerfassungskomponente, eine Signalverstärkung, Proportional-Integral, Spannungsvergleich, Phasenverschiebung Triggersteuerrelais, Übertemperaturschutz zusammengesetzt, Heizofens und LED-Anzeige. Die Schaltungsstruktur ist in Abbildung 1 dargestellt.

Abbildung 1 Schaltkreis Zusammensetzungsdiagramm
2.1. 1 Stromkreis
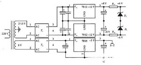
Die Geräte, die Gleichspannung im Temperaturregelkreis benötigen, sind Operationsverstärker und elektronische Information Anzeige Module. Die Spannung wird durch eine 220 V Wechselspannung gleichgerichtet und gefiltert. Der Ausgang zum dreipoligen Regler wird erhalten. Die Schaltung ist in Abbildung 2 dargestellt.

Abbildung 2 Leistung Schaltplan

Abbildung 5 Signalverstärkung- und Temperaturkompensation Schaltung
Kommentar bearbeiten: In diesem Dokument werden zwei Temperaturregelkreise vorgestellt. Im Vergleich zu digitalen Schaltungen ist die analoge Temperaturregelschaltung in Aufbau und Implementierung einfacher. Daher wird der Aufbau der Temperaturregelschaltung durch eine einfache und praktische analoge Schaltung realisiert.
Die Temperatur Steuerschaltung ist hauptsächlich aus Stromversorgungsteil, Temperaturerfassungskomponente, eine Signalverstärkung, Proportional-Integral, Spannungsvergleich, Phasenverschiebung Triggersteuerrelais, Übertemperaturschutz zusammengesetzt, Heizofens und LED-Anzeige. Die Schaltungsstruktur ist in Abbildung 1 dargestellt.

Abbildung 1 Schaltkreis Zusammensetzungsdiagramm
Der Temperaturwert Komponente kann den Temperaturwert Signal erfassen, und das Signal wird verstärkt und an das Proportional Integrationsschaltung gesendet und im Vergleich mit der Temperatureinstellung Spannung. Das Vergleichsergebnis wird an die Phasentriggerschaltung gesendet, um einen Impuls mit variabler Periode zu erzeugen, um den Thyristorleitungswinkel in dem Halbleiterrelais auszulösen, wodurch die Heizleistung der Heizvorrichtung zum Zweck der Steuerung der Temperatur gesteuert wird. Die Temperaturkompensation Schaltung reduziert den Einfluss der Raumtemperatur auf die Genauigkeit der Temperaturmessung; Die Übertemperatur-Schutzschaltung sorgt dafür, daß wenn die Erwärmungstemperatur den eingestellten Wert überschreitet, stoppt das Gerät erhitzt und schützt das Gerät.
2.2 Jedes Schaltungsdesign2.1. 1 Stromkreis
Die Geräte, die Gleichspannung im Temperaturregelkreis benötigen, sind Operationsverstärker und elektronische Information Anzeige Module. Die Spannung wird durch eine 220 V Wechselspannung gleichgerichtet und gefiltert. Der Ausgang zum dreipoligen Regler wird erhalten. Die Schaltung ist in Abbildung 2 dargestellt.

Abbildung 2 Leistung Schaltplan
2.3 Schaltung der Eingangstemperatur Signalverstärkung und Temperaturkompensation
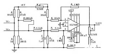
Der Temperatursensor wird unter Verwendung eines Temperatursensors, eines K-Typ-Thermoelements vom Nickel-Nickel-Chrom-Typ, als Temperatursensor gesammelt. Das Temperatursignal ist mV-Pegel und die tatsächliche Messung muss verstärkt werden. Das Temperatursignal der Thermoelementmessung wird von der Arbeitstemperatur und der Umgebungstemperatur am freien Ende beeinflusst. Daher wird das Kompensationssignal bei der Messung benötigt, um den Einfluss der Änderung der Umgebungstemperatur auf die Temperaturmessung zu eliminieren.
Die spezifische Schaltung ist in Abbildung 3 dargestellt.
Der Temperatursensor wird unter Verwendung eines Temperatursensors, eines K-Typ-Thermoelements vom Nickel-Nickel-Chrom-Typ, als Temperatursensor gesammelt. Das Temperatursignal ist mV-Pegel und die tatsächliche Messung muss verstärkt werden. Das Temperatursignal der Thermoelementmessung wird von der Arbeitstemperatur und der Umgebungstemperatur am freien Ende beeinflusst. Daher wird das Kompensationssignal bei der Messung benötigt, um den Einfluss der Änderung der Umgebungstemperatur auf die Temperaturmessung zu eliminieren.
Die spezifische Schaltung ist in Abbildung 3 dargestellt.

Abbildung 5 Signalverstärkung- und Temperaturkompensation Schaltung
Kommentar bearbeiten: In diesem Dokument werden zwei Temperaturregelkreise vorgestellt. Im Vergleich zu digitalen Schaltungen ist die analoge Temperaturregelschaltung in Aufbau und Implementierung einfacher. Daher wird der Aufbau der Temperaturregelschaltung durch eine einfache und praktische analoge Schaltung realisiert.





