Funktion des SPST-Thermoschalter
SPST-Thermoschalter funktionen (hohe Leistung und niedriger Strom) und thermostatische Steuerung anwendungen:
Thermostate werden unterteilt in: SPST-Thermoschalter, Bimetall-Thermostate, wasserdichte und trocken hitzebeständige Thermostat schalter.
Die meisten Elektrogeräte und Wasserkocher mit Wärmeisolationsfunktion verfügen über zwei Heizrohre, und eines der Wärmeisolationsheizrohre wird unabhängig vom SPST-Thermoschalter gesteuert. Damit können Benutzer steuern, ob sie warm bleiben möchten oder nicht. Die Wärmedämmleistung liegt im Allgemeinen unter 50 W und der Stromverbrauch überschreitet normalerweise nicht 0,1 Kilowattstunde pro Stunde. Denn heutige Wasserkocher können Wasser sehr schnell kochen und es dauert nur vier bis fünf Minuten, um einen Topf Wasser zum Kochen zu bringen. Wenn das Heizrohr das Wasser zum Kochen bringt, wird die Stromversorgung automatisch unterbrochen. Zu diesem Zeitpunkt beginnt das Isolierrohr zu arbeiten. Die Heiztemperatur des Isolierrohrs liegt zwischen 70 und 80 Grad, wodurch das Wasser auf einer konstanten Temperatur gehalten werden kann.
Schlüsselkomponenten: Die Schlüsselkomponente des Wasserkochers ist der SPST-Thermostat. Die Qualität und Lebensdauer des SPST-Thermostats bestimmen die Qualität und Lebensdauer des Wasserkochers. Verbrauchern wird empfohlen, einen Wasserkocher mit Thermostat zu wählen, der wasserdicht ist und ein Trockenkochen verhindert.
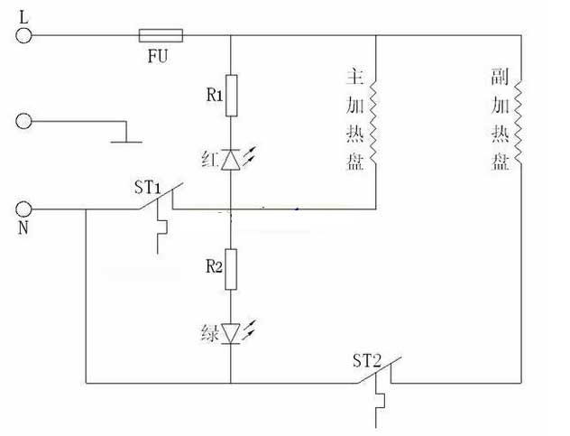
Es besteht aus dem Anti-Trocken-Heizthermostat ST1, dem Hauptheizgerät EH1, dem Heizthermostat ST2, der Gleichrichterdiode VD1, der Isolationsheizung EH2, der Heizungskontrollleuchte HL1, der Isolationskontrollleuchte HL2 und anderen Komponenten. Schalten Sie den Strom ein und der 220-V-Netzstrom wird über die Übertemperatursicherung fu an eh1 angelegt, um das Wasser in der Flasche zu erhitzen. Gleichzeitig zeigt hl1 rotes Licht an, was darauf hinweist, dass die Thermosflasche in den Heizzustand übergegangen ist. Da hl2 und r2, vd1 und eh2 in Reihe geschaltet sind und durch st2 kurzgeschlossen werden, leuchtet hl2 nicht und eh2 heizt nicht. Wenn das Wasser in der Flasche kocht, wird der Kontakt st2 automatisch getrennt, wodurch die Stromversorgung des Heizkreises unterbrochen wird, eh1 heizt nicht und hl1 erlischt. Zu diesem Zeitpunkt versorgt die Einweggleichrichtung vd1 eh2 und eh1 mit Strom. Da eh2 und eh1 in Reihe geschaltet sind und der Widerstand von eh1 sehr klein ist, liegt fast die gesamte halbwellengleichgerichtete Spannung an eh2. eh2 heizt mit halber Leistung (d. h. 30 W), um das kochende Wasser lange warm zu halten Gleichzeitig fließt durch hl2 Strom und die Anzeige leuchtet grün. Das Licht zeigt an, dass die Thermosflasche in den Wärmeerhaltungszustand übergegangen ist.
Durch den Einsatz von PTC-Heizelementen anstelle von Heizrohren kann der Brandgefahr durch Trockenbrand wirksam vorgebeugt werden. Die Trocken heiztemperatur des PTC-Heizelements kann auf eine beliebige Temperatur zwischen 150 °C und 250 °C eingestellt werden. Wenn die Temperatur die eingestellte Temperatur erreicht, steigt der Widerstand des PTC-Elements schnell an und die Heizleistung sinkt stark, sodass die Temperatur auf der eingestellten Temperatur gehalten wird, ohne weiter anzusteigen. Die automatische Temperaturregelung von PTC-Heizelementen ist absolut zuverlässig. Zur Steuerung der Temperatur beruht es auf der Widerstandsänderung innerhalb des PTC-Körpers und nicht auf einer Kontaktsteuerung. Daher verwenden viele High-End-Wasserkocher mittlerweile PTC-Anti-Hitze-Elemente.
Da jedoch viele Konstrukteure von Wasserkochern nicht an die Verwendung von PTC-Heizelementen gewöhnt sind und der Preis für PTC relativ hoch und das Volumen relativ groß ist, ist seine Anwendung begrenzt.
PTC-Heizelemente bieten große Vorteile beim Einsatz zur Wärmeerhaltung von Wasserkochern. Die Wärmeerhaltungsleistung des Wasserkochers ist relativ gering und die Verwendung von PTC-Heizelementen erhöht die Kosten nicht wesentlich. Das PTC-Heizelement verfügt über eine Anti-Trocken brennfunktion und seine Trocken brennleistung beträgt etwa ein Zehntel der Wasserkochleistung. Bei einem Ausfall des Temperierelements bleibt die Eigentemperatur des PTC auf einer niedrigeren Temperatur und es entsteht keine Gefahr.
Thermostate werden unterteilt in: SPST-Thermoschalter, Bimetall-Thermostate, wasserdichte und trocken hitzebeständige Thermostat schalter.
Die meisten Elektrogeräte und Wasserkocher mit Wärmeisolationsfunktion verfügen über zwei Heizrohre, und eines der Wärmeisolationsheizrohre wird unabhängig vom SPST-Thermoschalter gesteuert. Damit können Benutzer steuern, ob sie warm bleiben möchten oder nicht. Die Wärmedämmleistung liegt im Allgemeinen unter 50 W und der Stromverbrauch überschreitet normalerweise nicht 0,1 Kilowattstunde pro Stunde. Denn heutige Wasserkocher können Wasser sehr schnell kochen und es dauert nur vier bis fünf Minuten, um einen Topf Wasser zum Kochen zu bringen. Wenn das Heizrohr das Wasser zum Kochen bringt, wird die Stromversorgung automatisch unterbrochen. Zu diesem Zeitpunkt beginnt das Isolierrohr zu arbeiten. Die Heiztemperatur des Isolierrohrs liegt zwischen 70 und 80 Grad, wodurch das Wasser auf einer konstanten Temperatur gehalten werden kann.

Es besteht aus dem Anti-Trocken-Heizthermostat ST1, dem Hauptheizgerät EH1, dem Heizthermostat ST2, der Gleichrichterdiode VD1, der Isolationsheizung EH2, der Heizungskontrollleuchte HL1, der Isolationskontrollleuchte HL2 und anderen Komponenten. Schalten Sie den Strom ein und der 220-V-Netzstrom wird über die Übertemperatursicherung fu an eh1 angelegt, um das Wasser in der Flasche zu erhitzen. Gleichzeitig zeigt hl1 rotes Licht an, was darauf hinweist, dass die Thermosflasche in den Heizzustand übergegangen ist. Da hl2 und r2, vd1 und eh2 in Reihe geschaltet sind und durch st2 kurzgeschlossen werden, leuchtet hl2 nicht und eh2 heizt nicht. Wenn das Wasser in der Flasche kocht, wird der Kontakt st2 automatisch getrennt, wodurch die Stromversorgung des Heizkreises unterbrochen wird, eh1 heizt nicht und hl1 erlischt. Zu diesem Zeitpunkt versorgt die Einweggleichrichtung vd1 eh2 und eh1 mit Strom. Da eh2 und eh1 in Reihe geschaltet sind und der Widerstand von eh1 sehr klein ist, liegt fast die gesamte halbwellengleichgerichtete Spannung an eh2. eh2 heizt mit halber Leistung (d. h. 30 W), um das kochende Wasser lange warm zu halten Gleichzeitig fließt durch hl2 Strom und die Anzeige leuchtet grün. Das Licht zeigt an, dass die Thermosflasche in den Wärmeerhaltungszustand übergegangen ist.

Da jedoch viele Konstrukteure von Wasserkochern nicht an die Verwendung von PTC-Heizelementen gewöhnt sind und der Preis für PTC relativ hoch und das Volumen relativ groß ist, ist seine Anwendung begrenzt.
PTC-Heizelemente bieten große Vorteile beim Einsatz zur Wärmeerhaltung von Wasserkochern. Die Wärmeerhaltungsleistung des Wasserkochers ist relativ gering und die Verwendung von PTC-Heizelementen erhöht die Kosten nicht wesentlich. Das PTC-Heizelement verfügt über eine Anti-Trocken brennfunktion und seine Trocken brennleistung beträgt etwa ein Zehntel der Wasserkochleistung. Bei einem Ausfall des Temperierelements bleibt die Eigentemperatur des PTC auf einer niedrigeren Temperatur und es entsteht keine Gefahr.






