Funktionsprinzip mechanischer und elektronischer Thermostate
1. Thermostat - Einführung
Der Thermostat, bekannt als Temperaturregler (Thermostat), auch bekannt als Temperaturregler, Temperaturschutz, ist in zwei mechanische und elektronische Kategorien unterteilt. Es basiert hauptsächlich auf der Temperaturänderung der Arbeitsumgebung, der physischen Verformung innerhalb des Schalters, was zu einigen Spezialeffekten führt, was zu einer Reihe von automatischen Steuerungskomponenten für die Leitung oder Trennung führt. Oder die elektronischen Komponenten können dem Schaltkreis Temperaturdaten bei unterschiedlichen Temperaturen und unterschiedlichen Arbeitszuständen bereitstellen, damit der Schaltkreis Temperaturdaten sammelt.
2. Das Funktionsprinzip des Thermostats
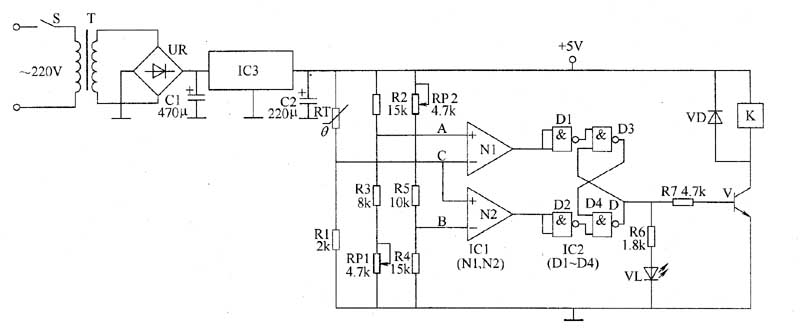
Das Arbeitsprinzip des Thermostats besteht darin, die Umgebungstemperatur automatisch über den Temperatursensor zu messen und zu überwachen. Die Steuereinheit startet, wenn die Umgebungstemperatur höher als der eingestellte Steuerwert ist und die Steuerhysterese eingestellt werden kann. Der Thermostat besteht aus vier Hauptmechanismen: Konvertierungsangabe Mechanismus, Einstellmechanismus, Vergleichsberechnung Mechanismusund Ausgabemechanismus. Wenn der Temperatursensor die Feldtemperatur in ein elektrisches Signal umwandelt und an den Thermostat überträgt, wandelt der Umwandlungsanzeige Mechanismus des Thermostats das elektrische Signal in eine digitale Anzeige oder eine analoge Anzeige um. Intern wird der eingestellte Wert des Einstell Mechanismus mit dem Vergleichsmechanismus verglichen und dann über den Ausgabe Mechanismus an die Steuerung ausgegeben, und dann steuert die Steuerung die Heizung / den Kühler.
3. Thermostatfunktion
In den meisten Fällen in Europa ist der Thermostat ein Muss für Wandöfen. Die beiden werden gleichzeitig an den Benutzer geliefert, und die Thermostate sind meist intelligente Thermostate. Die Hauptfunktionen des Thermostats sind in folgende Kategorien unterteilt:
Bequemlichkeit: Stellen Sie den Wandkessel automatisch so ein, dass der Schalter jeden Tag vor- oder verzögert wird, sodass keine manuelle Bedienung erforderlich ist, die für Büroangestellte am wichtigsten ist.
Komfortabel: Jeden Morgen, Mitternacht und Abend wird die Raumtemperatur automatisch in unterschiedlichen Zeitintervallen angepasst, um die Peinlichkeit zu vermeiden, darauf zu warten, dass sich der Raum nach dem Aufstehen am Morgen und der Rückkehr von der Arbeit erwärmt und gefriert.
Gassparen: Die umfassende Wassertemperaturregelung wird auf eine erweiterte und genaue Raumtemperaturregelung umgestellt, und die feste Raumtemperatur wird bei Bedarf in verschiedenen Zeiträumen betrieben, sodass keine Tag- und Nachtheizung erforderlich ist.
seien Sie versichert: Wenn die Raumtemperatur zu niedrig ist, muss der Kessel starten, und es wird nur eine geringe Menge Gas benötigt, um den Raum sicher vor Frost zu schützen.
In unserem Leben ist die Anwendung des Thermostats kein Unbekannter. Zum Beispiel nutzt die Klimaanlage das Funktionsprinzip des Thermostats, um im Sommer zu kühlen und im Winter zu wärmen!
Der Thermostat, bekannt als Temperaturregler (Thermostat), auch bekannt als Temperaturregler, Temperaturschutz, ist in zwei mechanische und elektronische Kategorien unterteilt. Es basiert hauptsächlich auf der Temperaturänderung der Arbeitsumgebung, der physischen Verformung innerhalb des Schalters, was zu einigen Spezialeffekten führt, was zu einer Reihe von automatischen Steuerungskomponenten für die Leitung oder Trennung führt. Oder die elektronischen Komponenten können dem Schaltkreis Temperaturdaten bei unterschiedlichen Temperaturen und unterschiedlichen Arbeitszuständen bereitstellen, damit der Schaltkreis Temperaturdaten sammelt.

2. Das Funktionsprinzip des Thermostats
Das Arbeitsprinzip des Thermostats besteht darin, die Umgebungstemperatur automatisch über den Temperatursensor zu messen und zu überwachen. Die Steuereinheit startet, wenn die Umgebungstemperatur höher als der eingestellte Steuerwert ist und die Steuerhysterese eingestellt werden kann. Der Thermostat besteht aus vier Hauptmechanismen: Konvertierungsangabe Mechanismus, Einstellmechanismus, Vergleichsberechnung Mechanismusund Ausgabemechanismus. Wenn der Temperatursensor die Feldtemperatur in ein elektrisches Signal umwandelt und an den Thermostat überträgt, wandelt der Umwandlungsanzeige Mechanismus des Thermostats das elektrische Signal in eine digitale Anzeige oder eine analoge Anzeige um. Intern wird der eingestellte Wert des Einstell Mechanismus mit dem Vergleichsmechanismus verglichen und dann über den Ausgabe Mechanismus an die Steuerung ausgegeben, und dann steuert die Steuerung die Heizung / den Kühler.

3. Thermostatfunktion
In den meisten Fällen in Europa ist der Thermostat ein Muss für Wandöfen. Die beiden werden gleichzeitig an den Benutzer geliefert, und die Thermostate sind meist intelligente Thermostate. Die Hauptfunktionen des Thermostats sind in folgende Kategorien unterteilt:
Bequemlichkeit: Stellen Sie den Wandkessel automatisch so ein, dass der Schalter jeden Tag vor- oder verzögert wird, sodass keine manuelle Bedienung erforderlich ist, die für Büroangestellte am wichtigsten ist.
Komfortabel: Jeden Morgen, Mitternacht und Abend wird die Raumtemperatur automatisch in unterschiedlichen Zeitintervallen angepasst, um die Peinlichkeit zu vermeiden, darauf zu warten, dass sich der Raum nach dem Aufstehen am Morgen und der Rückkehr von der Arbeit erwärmt und gefriert.
Gassparen: Die umfassende Wassertemperaturregelung wird auf eine erweiterte und genaue Raumtemperaturregelung umgestellt, und die feste Raumtemperatur wird bei Bedarf in verschiedenen Zeiträumen betrieben, sodass keine Tag- und Nachtheizung erforderlich ist.
seien Sie versichert: Wenn die Raumtemperatur zu niedrig ist, muss der Kessel starten, und es wird nur eine geringe Menge Gas benötigt, um den Raum sicher vor Frost zu schützen.
In unserem Leben ist die Anwendung des Thermostats kein Unbekannter. Zum Beispiel nutzt die Klimaanlage das Funktionsprinzip des Thermostats, um im Sommer zu kühlen und im Winter zu wärmen!






