KSD301, KSD302 Bimetallic Thermostat Product Features
product name:
KSD301, KSD302 bimetal thermostat
product description:
KSD301, KSD302 is a bimetallic development and application of representative products, Widely used in thermal protection products thermal components.
Product Features:
Service life: ≥100000 times
Electrical strength: AC 50Hz 1800V lasted 1min, no flicker, no breakdown
Operating temperature range: 0 ~ 240 ℃ (optional), temperature accuracy: ± 2 ± 3 ± 5 ± 10 ℃
KSD301 Features:
1, Electrical parameters: 1) AC250V 50 ~ 60Hz 5A / 10A / 15A (resistive load), 2) AC 125V 50Hz 15A (resistive load)
2, the operating temperature range: -20 ~ 240 ℃ (optional), temperature accuracy: ± 2 ± 3 ± 5 ± 10 ℃
Application temperature range: -20 ℃ ~ 250 ℃
KSD302 Features:
1, the technical parameters: AC250V, 400V 15A-60A
2, the temperature range: -20 ℃ -180 ℃
Use the chip:
Bimetal (automatic reset, manual reset)
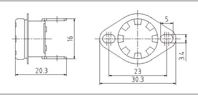
Product Size:
Pin Terminal Pose:
1: Horizontal 2: Vertical 90 °, 3: Vertical / 45 °, 4: Horizontal / 45 ° 5: 45 ° / 45 °, 6: Horizontal / Vertical, 7: Other types
Aluminum cap fixed form:
1: movable aluminum cover, 2: no fixed aluminum cover, 3: 45 ° fixed aluminum cover, 4: 90 ° fixed aluminum cover, 5: 180 ° fixed aluminum cover
KSD301 product size chart
Dimension drawing of KSD302

KSD301, KSD302 have different appearance and installation. customers need to be installed in accordance with product requirements, Choose a different product appearance. Yaxun Electronics provides a wide range of product design. Welcome to inquire.
Appearance picture:
KSD301 product images
KSD302 product images

Applications range:
KSD301 Application:
Widely used: water dispenser, water heater, sandwich toaster, dishwasher, dryer, disinfection cabinet, microwave ovens, electric coffee pot, electric cooker, refrigerator, air conditioning, plastic machine, office equipment, car seat heater Electric heating appliances.
KSD302 Application:
Widely used in: high-power welding machines, washing machines, air conditioners, refrigerators, sanitary wares thermostats, electric water bottles, electric kettles, electric heaters, electric ovens, water heaters, water dispensers, microwave ovens, disinfection cabinet, electric pressure cookers, rice cookers and other industries and Temperature control of household appliances
Composition Materials:
KSD series of temperature control switch, the basic components of the temperature switch accessories: shell (bakelite, ceramic), KSD301 aluminum cover (KSD302 stainless steel cover)
Terminals:
(N: 187 series terminals (4.8 × 0.5)
M: 187 series terminals (4.8 × 0.8)
R: 250 series terminal (6.3 × 0.8) Non-standard terminal,
Contacts (copper, silver), rivets, static contact, dynamic reed, bimetal
Precautions for use:
1, the use of contact temperature-type installation, The metal cover should be close to the mounting surface of the controlled device. To ensure that the temperature effect, Should be coated in the surface temperature of thermal grease or other properties similar to the thermal medium.
2, the top cover can not be installed when the pressure collapse, loose or deformation, so as not to affect performance.
3, can not let the liquid into the temperature controller internal, Shall not make the shell cracks, Do not change the shape of the external terminal.
4, the product is not greater than 5A current in the circuit used, Should choose the copper core section for 0. 5-1 mm2 wire connection; Not more than 10A current used in the circuit, Should be selected copper conductor cross-section 0.75-1.5 mm2 wire connection.
5, the product should be less than 90% relative humidity,Ambient temperature below 40 ℃ ventilation, clean, dry, non-corrosive gas storage warehouse.
KSD301, KSD302 bimetal thermostat
product description:
KSD301, KSD302 is a bimetallic development and application of representative products, Widely used in thermal protection products thermal components.
Product Features:
Service life: ≥100000 times
Electrical strength: AC 50Hz 1800V lasted 1min, no flicker, no breakdown
Operating temperature range: 0 ~ 240 ℃ (optional), temperature accuracy: ± 2 ± 3 ± 5 ± 10 ℃
KSD301 Features:
1, Electrical parameters: 1) AC250V 50 ~ 60Hz 5A / 10A / 15A (resistive load), 2) AC 125V 50Hz 15A (resistive load)
2, the operating temperature range: -20 ~ 240 ℃ (optional), temperature accuracy: ± 2 ± 3 ± 5 ± 10 ℃
Application temperature range: -20 ℃ ~ 250 ℃
KSD302 Features:
1, the technical parameters: AC250V, 400V 15A-60A
2, the temperature range: -20 ℃ -180 ℃
Use the chip:
Bimetal (automatic reset, manual reset)
Product Size:
Pin Terminal Pose:
1: Horizontal 2: Vertical 90 °, 3: Vertical / 45 °, 4: Horizontal / 45 ° 5: 45 ° / 45 °, 6: Horizontal / Vertical, 7: Other types
Aluminum cap fixed form:
1: movable aluminum cover, 2: no fixed aluminum cover, 3: 45 ° fixed aluminum cover, 4: 90 ° fixed aluminum cover, 5: 180 ° fixed aluminum cover
KSD301 product size chart
Dimension drawing of KSD302

KSD301, KSD302 have different appearance and installation. customers need to be installed in accordance with product requirements, Choose a different product appearance. Yaxun Electronics provides a wide range of product design. Welcome to inquire.
Appearance picture:
KSD301 product images
KSD302 product images

Applications range:
KSD301 Application:
Widely used: water dispenser, water heater, sandwich toaster, dishwasher, dryer, disinfection cabinet, microwave ovens, electric coffee pot, electric cooker, refrigerator, air conditioning, plastic machine, office equipment, car seat heater Electric heating appliances.
KSD302 Application:
Widely used in: high-power welding machines, washing machines, air conditioners, refrigerators, sanitary wares thermostats, electric water bottles, electric kettles, electric heaters, electric ovens, water heaters, water dispensers, microwave ovens, disinfection cabinet, electric pressure cookers, rice cookers and other industries and Temperature control of household appliances
Composition Materials:
KSD series of temperature control switch, the basic components of the temperature switch accessories: shell (bakelite, ceramic), KSD301 aluminum cover (KSD302 stainless steel cover)
Terminals:
(N: 187 series terminals (4.8 × 0.5)
M: 187 series terminals (4.8 × 0.8)
R: 250 series terminal (6.3 × 0.8) Non-standard terminal,
Contacts (copper, silver), rivets, static contact, dynamic reed, bimetal
Precautions for use:
1, the use of contact temperature-type installation, The metal cover should be close to the mounting surface of the controlled device. To ensure that the temperature effect, Should be coated in the surface temperature of thermal grease or other properties similar to the thermal medium.
2, the top cover can not be installed when the pressure collapse, loose or deformation, so as not to affect performance.
3, can not let the liquid into the temperature controller internal, Shall not make the shell cracks, Do not change the shape of the external terminal.
4, the product is not greater than 5A current in the circuit used, Should choose the copper core section for 0. 5-1 mm2 wire connection; Not more than 10A current used in the circuit, Should be selected copper conductor cross-section 0.75-1.5 mm2 wire connection.
5, the product should be less than 90% relative humidity,Ambient temperature below 40 ℃ ventilation, clean, dry, non-corrosive gas storage warehouse.





