Ksd301 Datasheet
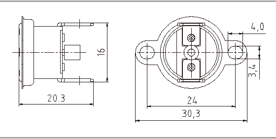
Ksd301 bimetallic contact temperature-sensing snap-on thermostat, in order to meet the needs of different users, the working mode is divided into automatic reset and manual reset, and the installation methods are movable and combined. The width of the connecting terminals is 6.3mm, 4.8mm flat feet, 45°C bent feet, 90°C bent feet, etc.
Ksd301 has a fixed operating temperature, reliable and crisp action, no arcing, long service life, reliable performance, no wireless interference, precise structure, and complete functions.
Precautions for installation and use of Ksd301 bimetallic thermostat
1. When using contact temperature-sensing installation, the surface of the metal upper cover of the temperature switch should be completely close to the installation surface of the controller.
2. In order to ensure the temperature sensing effect, a thermal conductive paste is applied to the temperature sensing surface of the appliance.
3. Do not crush, loosen or deform the top of the metal surface of the temperature switch during installation, so as not to affect the function and precision.
4. Do not allow liquid to penetrate into the temperature switch or excessive force to cause cracks in the shell.
5. Do not change the shape of the external wiring terminal at will, so as not to affect the electrical reliability, and have insulation protection measures to prevent leakage and ensure safe use.
Technical parameters of Ksd301 bimetallic thermostat
1. Conditions of Use
① The relative humidity reaches 95% at +20℃
② Atmospheric pressure: 86-106Kpa
③ Working position: any
④ Heat resistance: ceramic shell≦300℃ PPS plastic shell≦220℃ Bakelite shell≦160℃
Technical parameters of Ksd301 bimetallic thermostat
① Contact form: normally closed or normally open (limited to automatic reset)
② Contact load: 250VAC16A 10A 5A or 24VDC 16A 10A 5A
③ Insulation resistance: normal temperature and humidity ≥100MΩ
④ Contact resistance: ≤ 100 mΩ
⑤ Medium withstand voltage: ≥1500VAC
⑥ Vibration intensity: 50HZ single width 0.35mm
⑦ Impact strength: 150m/S
⑧ Weight: 10g
⑨ Service life: 100,000 times.



Ksd301 has a fixed operating temperature, reliable and crisp action, no arcing, long service life, reliable performance, no wireless interference, precise structure, and complete functions.
Precautions for installation and use of Ksd301 bimetallic thermostat
1. When using contact temperature-sensing installation, the surface of the metal upper cover of the temperature switch should be completely close to the installation surface of the controller.
2. In order to ensure the temperature sensing effect, a thermal conductive paste is applied to the temperature sensing surface of the appliance.
3. Do not crush, loosen or deform the top of the metal surface of the temperature switch during installation, so as not to affect the function and precision.
4. Do not allow liquid to penetrate into the temperature switch or excessive force to cause cracks in the shell.
5. Do not change the shape of the external wiring terminal at will, so as not to affect the electrical reliability, and have insulation protection measures to prevent leakage and ensure safe use.
Technical parameters of Ksd301 bimetallic thermostat
1. Conditions of Use
① The relative humidity reaches 95% at +20℃
② Atmospheric pressure: 86-106Kpa
③ Working position: any
④ Heat resistance: ceramic shell≦300℃ PPS plastic shell≦220℃ Bakelite shell≦160℃
Technical parameters of Ksd301 bimetallic thermostat
① Contact form: normally closed or normally open (limited to automatic reset)
② Contact load: 250VAC16A 10A 5A or 24VDC 16A 10A 5A
③ Insulation resistance: normal temperature and humidity ≥100MΩ
④ Contact resistance: ≤ 100 mΩ
⑤ Medium withstand voltage: ≥1500VAC
⑥ Vibration intensity: 50HZ single width 0.35mm
⑦ Impact strength: 150m/S
⑧ Weight: 10g
⑨ Service life: 100,000 times.








