Ksd301 Temperatur Regel Schalter Datenblatt
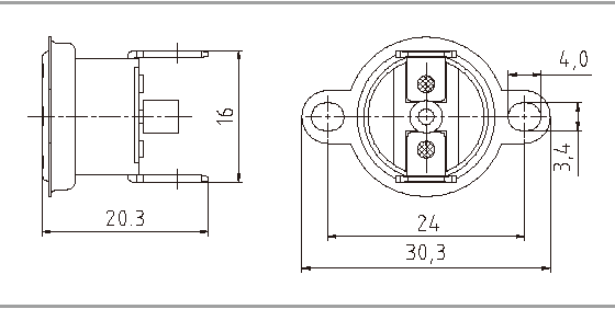
Ksd301 Bimetall kontakt Temperaturer fassungs Schnapp-Thermostat, um die Bedürfnisse der verschiedenen Nutzer gerecht zu werden, wird der Arbeitsmodus in den automatischen Reset und manuelle Rückstellung unterteilt, und die Installations methoden sind beweglich und kombiniert. Die Breite der Verbindung klemmen beträgt 6,3 mm, 4,8 mm flache Füße, 45 ° C gebogene Füße, 90 ° C gebogene Füße usw.
Der Ksd301 hat eine feste Betriebstemperatur, eine zuverlässige und scharfe Wirkung, keine Lichtbögen, eine lange Lebensdauer, eine zuverlässige Leistung, keine Funkstörungen, eine präzise Struktur und vollständige Funktionen.
Vorsichtsmaßnahmen für die Installation und Verwendung des Bimetall thermostats Ksd301
1. Wenn die Kontakttemperatur-Erfassungs Installation verwendet wird, sollte die Oberfläche der Metall oberen Abdeckung des Temperaturschalters vollständig nahe an der Montagefläche der gesteuerten Vorrichtung.
2. Um den Temperaturer fassungs effekt sicherzustellen, wird eine wärmeleitende Paste auf die Temperaturer fassungs fläche des Geräts aufgetragen.
3. Die Oberseite der Metalloberfläche des Temperaturschalters während der Installation nicht quetschen, lösen oder verformen, um die Funktion und Präzision nicht zu beeinträchtigen.
4. Lassen Sie keine Flüssigkeit in den Temperaturschalter eindringen oder übermäßige Kraft, um Risse in der Schale zu verursachen.
5. Ändern Sie die Form der externen Kabelklemme nicht nach Belieben, um die elektrische Zuverlässigkeit nicht zu beeinträchtigen, und treffen Sie Isolation schutzmaßnahmen, um Leckagen zu vermeiden und eine sichere Verwendung zu gewährleisten.
Technische Parameter des Bimetall thermostats Ksd301
1. Nutzungsbedingungen
① Die relative Luftfeuchtigkeit erreicht 95% bei + 20 ℃
② Atmosphärendruck: 86-106 kPa
③ Arbeitsposition: beliebig
④ Hitzebeständigkeit: Keramikschale ≦ 300 ℃ PPS-Kunststoffschale ≦ 220 ℃ Bakelitschale ≦ 160 ℃
Technische Parameter des Bimetall thermostats Ksd301
① Kontaktformular: normalerweise geschlossen oder normalerweise geöffnet (beschränkt auf automatisches Zurücksetzen)
② Kontaktlast: 250VAC16A 10A 5A oder 24VDC 16A 10A 5A
③ Isolationswiderstand: normale Temperatur und Luftfeuchtigkeit ≥ 100 MΩ
④ Kontaktwiderstand: ≤ 100 mΩ
⑤ Mittlere Spannungsfestigkeit: ≥1500VAC
⑥ Vibrationsintensität: 50 Hz Einzelbreite 0,35 mm
⑦ Schlagfestigkeit: 150 m / s
⑧ Gewicht: 10 g
⑨ Lebensdauer: 100.000 Mal.




Der Ksd301 hat eine feste Betriebstemperatur, eine zuverlässige und scharfe Wirkung, keine Lichtbögen, eine lange Lebensdauer, eine zuverlässige Leistung, keine Funkstörungen, eine präzise Struktur und vollständige Funktionen.
Vorsichtsmaßnahmen für die Installation und Verwendung des Bimetall thermostats Ksd301
1. Wenn die Kontakttemperatur-Erfassungs Installation verwendet wird, sollte die Oberfläche der Metall oberen Abdeckung des Temperaturschalters vollständig nahe an der Montagefläche der gesteuerten Vorrichtung.
2. Um den Temperaturer fassungs effekt sicherzustellen, wird eine wärmeleitende Paste auf die Temperaturer fassungs fläche des Geräts aufgetragen.
3. Die Oberseite der Metalloberfläche des Temperaturschalters während der Installation nicht quetschen, lösen oder verformen, um die Funktion und Präzision nicht zu beeinträchtigen.
4. Lassen Sie keine Flüssigkeit in den Temperaturschalter eindringen oder übermäßige Kraft, um Risse in der Schale zu verursachen.
5. Ändern Sie die Form der externen Kabelklemme nicht nach Belieben, um die elektrische Zuverlässigkeit nicht zu beeinträchtigen, und treffen Sie Isolation schutzmaßnahmen, um Leckagen zu vermeiden und eine sichere Verwendung zu gewährleisten.
Technische Parameter des Bimetall thermostats Ksd301
1. Nutzungsbedingungen
① Die relative Luftfeuchtigkeit erreicht 95% bei + 20 ℃
② Atmosphärendruck: 86-106 kPa
③ Arbeitsposition: beliebig
④ Hitzebeständigkeit: Keramikschale ≦ 300 ℃ PPS-Kunststoffschale ≦ 220 ℃ Bakelitschale ≦ 160 ℃
Technische Parameter des Bimetall thermostats Ksd301
① Kontaktformular: normalerweise geschlossen oder normalerweise geöffnet (beschränkt auf automatisches Zurücksetzen)
② Kontaktlast: 250VAC16A 10A 5A oder 24VDC 16A 10A 5A
③ Isolationswiderstand: normale Temperatur und Luftfeuchtigkeit ≥ 100 MΩ
④ Kontaktwiderstand: ≤ 100 mΩ
⑤ Mittlere Spannungsfestigkeit: ≥1500VAC
⑥ Vibrationsintensität: 50 Hz Einzelbreite 0,35 mm
⑦ Schlagfestigkeit: 150 m / s
⑧ Gewicht: 10 g
⑨ Lebensdauer: 100.000 Mal.









