Neue Thermostate beherrschen gleichzeitig die Funktionen der Temperatur anhebung und -absenkung
Eine Beschädigung des Kühlsystems ist einer der Hauptgründe für die Verschrottung des Kühlschranks, aber der Schrank ist intakt und viele Labors benötigen einen Inkubator mit konstanter Temperatur. Es ist von großer praktischer Bedeutung, einen Abfallkühlschrank in einen Inkubator mit konstanter Temperatur umzuwandeln. Der Autor ist in der Praxis, Schrottkühlschränke in Inkubatoren mit konstanter Temperatur (im Folgenden als Inkubatoren mit konstanter Temperatur bezeichnet) umzuwandeln. Durch die Verwendung der Einzelchip-Schaltung wird die Genauigkeit der Temperaturregelung durch Optimierung der Programmierung verbessert, sodass der technische Leistungsindex die Anforderungen des derzeit auf dem Markt befindlichen Inkubators für konstante Temperaturen erfüllt oder übertrifft.
Die wichtigsten technischen Indikatoren lauten wie folgt:
Temperaturregelbereich: 5-40 ° C;
Temperaturschwankung Toleranz: ± 0,2 ° C; Temperaturgleichförmigkeit Toleranz; ± 0,5 ° C.
Wenn Sie den Altkühlschrank zu einem Inkubator mit konstanter Temperatur umbauen, entfernen Sie zuerst das Kühlsystem des Kühlschranks. Achten Sie beim Entfernen darauf, den Schrank zu schützen, und installieren Sie dann den Thermostat und den Lüfter in der richtigen Position. Der Thermostat-Inkubator benötigt sowohl Heizen als auch Kühlen, während der handelsübliche Thermostat nur die einzige Funktion zum Heizen oder Kühlen hat, die die Anforderungen des Thermostat-Inkubators nicht erfüllen kann. Daher besteht der Schlüssel zur Renovierung von Altkühlschränken in der Entwicklung einer Art Temperaturregler, der die Funktionen zum Erhöhen und Senken der Temperatur integriert und eine hohe Präzision der Temperaturregelung aufweist. Dieser Artikel beschreibt einen selbst hergestellten Inkubator-Temperaturregler mit konstanter Temperatur (als Temperaturregler bezeichnet).
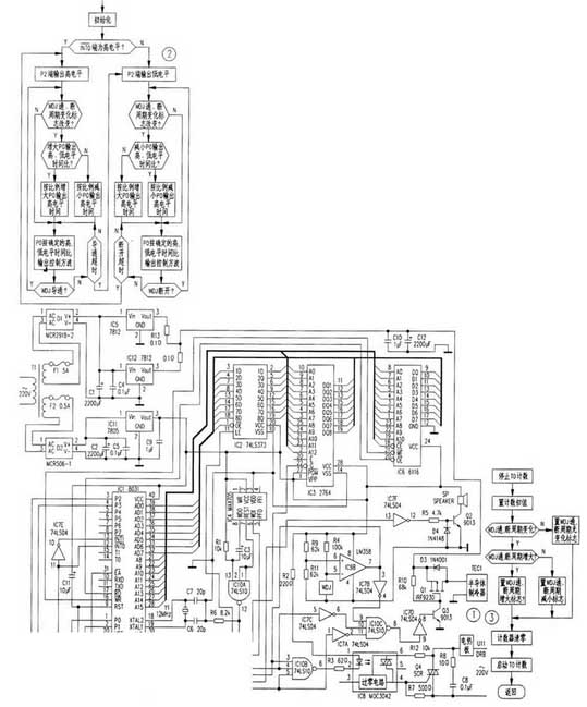
Die Schaltung ist in Abbildung 1 dargestellt. Es besteht hauptsächlich aus einer automatischen Identifikationsschaltung zum Anheben und Absenken, einer Heizungssteuerschaltung, einer Kühlsteuerschaltung und einer Temperaturanomalie-Alarmschaltung.

1. Automatische Erkennungsschaltung zum Anheben und Absenken der Temperatur
Wenn der Temperaturanstieg erforderlich ist, befindet sich das Quecksilberthermometer mit elektrischem Kontakt im ausgeschalteten Zustand (WDJ leitet nicht). Der Operationsverstärker LM358 (IC9B) hat einen hohen Fußpegel. Sein Fuß beträgt 2,5 V, wenn die Spannung zwischen R9 und RI1 aufgeteilt wird. Der Fuß gibt einen hohen Pegel an den Fuß des Einzelchip-IC 1 aus. Wenn gemäß der obigen Analyse abgekühlt werden muss, ist der Mikrocontroller-IC Pin 1 niedrig. Lesen Sie nach der Initialisierung der MCU zuerst die Daten von Fuß ⑫. Wenn foot⑫ als "1" eingegeben wird, bedeutet dies, dass der Thermostat beheizt werden muss, andernfalls muss er gekühlt werden. Wenn die Temperatur steigt, macht der Single-Chip-Computer den Ausgang des P2-Ports flach. Beim Abkühlen macht die MCU den Ausgang des P2-Ports niedrig.
2. Temperaturregelschaltung
Wenn die Temperatur erhöht werden muss, gibt der 7. Pin von IC9B einen hohen Pegel aus, so dass der 3-Pin des NAND-Gatters IC10B (74LS10) hoch ist. Gleichzeitig geht der hohe Pegel des 7-Pin-Ausgangs von IC9B durch den Nicht-Gate-IC7B, um den 9-Pin des NAND-Gatters IC10C niedrig zu machen, und das NAND-Gate IC10C wird ausgeschaltet, und der Kühlkreis kann nicht Arbeit. Wenn die MCU automatisch erkennt, dass der Ofen aufgeheizt werden muss, stellen Sie den P2-Anschluss (hoher Ausgangspegel) ein und geben Sie am PO-Anschluss eine Rechteckwelle mit einem Tastverhältnis von 1: 1 aus. IC l OB 5 Fuß sind hochpegelig, 4 Fuß sind Rechteckwelle, sein 6-poliger Ausgang und 5-polige invertierte Rechteckwelle, IC8 wird erregt, der Zweiwege-Thyristor-SCR wird eingeschaltet, die Heizplatte beginnt mit der Versorgung der Inkubatorwärme. Zu diesem Zeitpunkt befindet sich der 11. Pin des IC10C zwar auf einem hohen Pegel, der 11. Pin jedoch auf einem niedrigen Pegel, sodass das NAND-Gatter IC10C ausgeschaltet bleibt und die Temperaturabfallschaltung immer noch nicht funktioniert.
Wenn die Temperatur des Inkubators die eingestellte Temperatur erreicht, wird WDJ eingeschaltet. Zu diesem Zeitpunkt ist das 5-polige Potential des IC9B niedriger als das 6-polige, der 7-polige Ausgang ist niedrig, das NAND-Gatter IC10B ist ausgeschaltet, sein 6-poliger Ausgang ist hoch, IC8 funktioniert nicht mehr und die Heizplatte hört auf zu heizen. Gleichzeitig wird der 7-polige Ausgang des IC9B an den INTO C7 des IC1 gesendet, seine fallende Flanke verursacht einen IC 1-Interrupt und die externe Interrupt-Serviceroutine bewirkt, dass der interne Timer des IC 1 mit dem Zählen beginnt.
Nachdem die Heizplatte aufgehört hat zu heizen, beginnt die Temperatur des Inkubators zu fallen. Nach einiger Zeit wird der WDJ abgeschaltet und die elektrische Heizplatte beginnt erneut, das Temperaturregelgerät zu heizen. Bei Erwärmung auf die eingestellte Temperatur wird WDJ eingeschaltet und der 7. Pin des IC9 gibt einen niedrigen Pegel aus. Einerseits stoppt die Heizplatte die Erwärmung. Andererseits wird der INTO-Interrupt ausgelöst, so dass der TO aufhört zu zählen, nachdem die Ein- und Ausschaltperioden des WDJ analysiert und beurteilt und die entsprechenden Flag-Bits nebeneinander gestellt wurden. Der TO beginnt erneut zu zählen und speichert die Ein- und Ausschaltzyklen des aktuellen WDJ zum Vergleich mit den nächsten Ein- und Ausschaltzyklen. TO arbeitet in Modus 2, wenn die Zeiteinheit niedriger Ordnung überläuft, wird der TO-Interrupt ausgelöst, um den Übertrag von der Zeiteinheit niedriger Ordnung zur Zeiteinheit hoher Ordnung abzuschließen, dh TO bildet einen Tabellenkalkulationszeitgeber. Das Hauptprogramm führt eine Berechnungsverarbeitung gemäß dem Flag-Bit durch und erhöht oder verringert das Tastverhältnis der Rechteckwellenausgangsrechteckwelle bei einem bestimmten Verhältnis in der Grundperiode (WDJ einmal an, Aus-Periode) und gibt den Temperatursteuerimpuls aus nach dem Zeitverhältnis. Auf diese Weise wird die Anzahl der Leitungszyklen des Triac-SCR innerhalb eines bestimmten Zeitraums geändert und die Leistung der Heizplatte gesteuert. Der Steueralgorithmus ist wie folgt:
Wenn die aktuelle Ein / Aus-Periode des WDJ kürzer als beim letzten Mal ist, wird das Verhältnis der hohen und niedrigen Zeit des PO-Ausgangs in der Basisperiode verringert. Andernfalls werden die hohen und niedrigen Zeitverhältnisse der PO-Ausgabe in der Basisperiode erhöht, und schließlich sind die Ein- und Ausschaltperioden des WDJ am kürzesten. Das PO-Ende gibt den Temperaturregelimpuls gemäß dem dadurch bestimmten Arbeitszyklusimpuls aus, und der vom Ofen verlorene Wärme und die von der elektrischen Heizplatte bereitgestellte Wärme erreichen im wesentlichen ein dynamisches Gleichgewicht, so dass die Regelgenauigkeit ein hohes Niveau erreicht. Es ist ersichtlich, dass die Heizplatte nicht nur vom WDJ gesteuert wird, sondern auch vom PO-Ausgangsimpuls. Der WDJ steuert, ob das Temperaturregelgerät erwärmt wird, und der Impuls des PO-Ausgangs steuert das Zeitverhältnis des Zweiwege-Thyristors ein und aus, wodurch die Leistung der Heizplatte gesteuert wird.
Wenn die Temperatur auf den eingestellten Wert abfällt, wird der WDJ ausgeschaltet und der Kühlkreislauf funktioniert nicht mehr. Da sich der Inkubator zu diesem Zeitpunkt noch im Kühlzustand befindet, befindet sich der P2-Anschluss des Einzelchips auf einem niedrigen Pegel, das NAND-Gate IC10B ist ausgeschaltet und die Heizplatte funktioniert nicht. Nachdem der Halbleiterkühlschrank nicht mehr abkühlt, steigt die Temperatur an. Nach einiger Zeit schaltet sich der WDJ ein und der Halbleiterkühler beginnt wieder abzukühlen. Der Kühlprozess ähnelt dem Temperaturanstiegs- und Temperaturregelungsprozess. Der Unterschied besteht darin, dass die temperaturgesteuerte Temperaturregelschaltung den eingestellten Rechteckwellenausgang des Einzelchip-PO-Anschlusses verwendet, um die Arbeitszeit des Halbleiterkühlschranks zu steuern. Schließlich werden die vom Inkubator von außen aufgenommene Wärme und die vom Halbleiterkühler aus dem Tank aufgenommene Wärme grundsätzlich ausgeglichen, so dass die Regelgenauigkeit ein hohes Niveau erreicht.
4. Alarmkreis für abnormale Temperatur
Wenn der Temperaturregelkreis normal arbeitet, beträgt der Ein- / Ausschaltzyklus des Quecksilberthermometers mit elektrischem Kontakt im Allgemeinen mehrere zehn Sekunden. Wenn der Steuerkreis für Anstieg und Abfall ausfällt, ist dieser Zyklus unweigerlich abnormal. Die Obergrenze des Zyklus wird entsprechend der Lautstärke des Ofens eingestellt (im Zeitsteuerungsprogramm eingestellt). Wenn die Periode den oberen Grenzwert überschreitet, gibt der P3-Anschluss des Einzelchip-Mikrocomputers einen niedrigen Pegel aus, und nachdem der IC7F invertiert wurde, wird der Q2 zufriedenstellend eingeschaltet und der in sich geschlossene Mikro-Gleichstrom-Schallgeber SP wird erregt einen Alarmton erzeugen.
Zweitens Software-Design
Die Steuerungssoftware besteht aus drei Teilen: dem Hauptprogramm, dem externen Interrupt-INTO-Serviceprogramm und dem Timer-TO-Interrupt-Serviceprogramm.
Dritte, Zuverlässigkeit Design
Der Temperaturregler verwendet Halbleiterbauelemente wie einen Thyristor und einen Feldeffekttransistor zum Steuern der ansteigenden und abfallenden Elemente der elektrischen Heizplatte und des Halbleiterkühlschranks. Dadurch wird der Nachteil beseitigt, dass der Relaiskontakt aufgrund eines schlechten Oxidationskontakts einen Temperaturverlust verursachen kann.
Diese Anwendung verwendet auch die von MAX hergestellte Mikroprozessorüberwachungsschaltung. Wenn das Programm wegläuft, ist das WDI-Ende in 1,6 s "kleiner als das Impulssignal, und das WDO-Ende gibt einen niedrigen Pegel aus, so dass der 10. Pin von IC10A einen hohen Pegel ausgibt und IC 1 zurückgesetzt wird Verhindern Sie, dass das Programm wegläuft und die Temperatur außer Kontrolle gerät. Außerdem werden Software-Traps an geeigneten Stellen in der nicht verwendeten Population und im Leerraum des Programmspeichers hinzugefügt, um zu verhindern, dass das Programm wegläuft.
Automatische Korrektur von Fehleinschätzungen von Anstieg und Abkühlung. Wenn sich die MCU in einem Erwärmungszustand befindet und gerade die vorgegebene Temperatur erreicht hat und stoppt, wird sie bei einem Stromausfall plötzlich angerufen. Die MCU wird neu gestartet und der Inkubator sollte sich im Kühlzustand befinden. Wenn sich die MCU im Kühlzustand befindet, ist die Situation ähnlich. Das Verfahren zum automatischen Korrigieren dieser Fehleinschätzung durch den Einzelchip-Mikrocomputer besteht darin, dass nach dem Zurücksetzen des Einzelchip-Mikrocomputers die Vorrichtung zum Erhöhen und Senken der Temperatur automatisch gemäß dem erfassten Anstiegs- und Abfallzustand gesteuert wird. Wenn die Anzahl der Minuten (je nach Lautstärke der Box per Software eingestellt), ändert sich der Status des Quecksilberthermometers mit internem Kontakt nicht, was darauf hinweist, dass die Unterscheidung falsch ist. Der Mikrocontroller ändert dann den Pegel des P2-Anschlusses, wodurch sich der Zustand des Anstiegs und Abfalls ändert.
Die wichtigsten technischen Indikatoren lauten wie folgt:
Temperaturregelbereich: 5-40 ° C;
Temperaturschwankung Toleranz: ± 0,2 ° C; Temperaturgleichförmigkeit Toleranz; ± 0,5 ° C.
Wenn Sie den Altkühlschrank zu einem Inkubator mit konstanter Temperatur umbauen, entfernen Sie zuerst das Kühlsystem des Kühlschranks. Achten Sie beim Entfernen darauf, den Schrank zu schützen, und installieren Sie dann den Thermostat und den Lüfter in der richtigen Position. Der Thermostat-Inkubator benötigt sowohl Heizen als auch Kühlen, während der handelsübliche Thermostat nur die einzige Funktion zum Heizen oder Kühlen hat, die die Anforderungen des Thermostat-Inkubators nicht erfüllen kann. Daher besteht der Schlüssel zur Renovierung von Altkühlschränken in der Entwicklung einer Art Temperaturregler, der die Funktionen zum Erhöhen und Senken der Temperatur integriert und eine hohe Präzision der Temperaturregelung aufweist. Dieser Artikel beschreibt einen selbst hergestellten Inkubator-Temperaturregler mit konstanter Temperatur (als Temperaturregler bezeichnet).
1, das Arbeitsprinzip
Der Thermostat verwendet den 8031-Einzelchip-Mikrocomputer als Kern und das Quecksilberthermometer mit elektrischem Kontakt zur Temperatureinstellung. Die Temperaturregelung des Inkubators mit konstanter Temperatur wird durch Regulieren des Ein- und Ausschaltzyklus des Quecksilberthermometers mit elektrischem Kontakt realisiert. Der Einzelchip-Mikrocomputer erkennt automatisch die Erwärmung oder Abkühlung, indem er den Ein-Aus-Zustand des Quecksilberthermometers mit elektrischem Kontakt erkennt. Wenn die Temperatur angehoben zu werden braucht, die Heizplatte Heizung, die Einchip-Steuerung und der Zweiwege-Thyristor-Leistungseinstellungsmodus angenommen werden. Wenn eine Abkühlung erforderlich ist, wird der Halbleiterkühlschrank gekühlt und der Einzelchip-Steuermodus wird angewendet, um die Genauigkeit der Temperaturregelung auf ein hohes Niveau zu bringen.
Der Thermostat verwendet den 8031-Einzelchip-Mikrocomputer als Kern und das Quecksilberthermometer mit elektrischem Kontakt zur Temperatureinstellung. Die Temperaturregelung des Inkubators mit konstanter Temperatur wird durch Regulieren des Ein- und Ausschaltzyklus des Quecksilberthermometers mit elektrischem Kontakt realisiert. Der Einzelchip-Mikrocomputer erkennt automatisch die Erwärmung oder Abkühlung, indem er den Ein-Aus-Zustand des Quecksilberthermometers mit elektrischem Kontakt erkennt. Wenn die Temperatur angehoben zu werden braucht, die Heizplatte Heizung, die Einchip-Steuerung und der Zweiwege-Thyristor-Leistungseinstellungsmodus angenommen werden. Wenn eine Abkühlung erforderlich ist, wird der Halbleiterkühlschrank gekühlt und der Einzelchip-Steuermodus wird angewendet, um die Genauigkeit der Temperaturregelung auf ein hohes Niveau zu bringen.
Die Schaltung ist in Abbildung 1 dargestellt. Es besteht hauptsächlich aus einer automatischen Identifikationsschaltung zum Anheben und Absenken, einer Heizungssteuerschaltung, einer Kühlsteuerschaltung und einer Temperaturanomalie-Alarmschaltung.

1. Automatische Erkennungsschaltung zum Anheben und Absenken der Temperatur
Wenn der Temperaturanstieg erforderlich ist, befindet sich das Quecksilberthermometer mit elektrischem Kontakt im ausgeschalteten Zustand (WDJ leitet nicht). Der Operationsverstärker LM358 (IC9B) hat einen hohen Fußpegel. Sein Fuß beträgt 2,5 V, wenn die Spannung zwischen R9 und RI1 aufgeteilt wird. Der Fuß gibt einen hohen Pegel an den Fuß des Einzelchip-IC 1 aus. Wenn gemäß der obigen Analyse abgekühlt werden muss, ist der Mikrocontroller-IC Pin 1 niedrig. Lesen Sie nach der Initialisierung der MCU zuerst die Daten von Fuß ⑫. Wenn foot⑫ als "1" eingegeben wird, bedeutet dies, dass der Thermostat beheizt werden muss, andernfalls muss er gekühlt werden. Wenn die Temperatur steigt, macht der Single-Chip-Computer den Ausgang des P2-Ports flach. Beim Abkühlen macht die MCU den Ausgang des P2-Ports niedrig.
2. Temperaturregelschaltung
Wenn die Temperatur erhöht werden muss, gibt der 7. Pin von IC9B einen hohen Pegel aus, so dass der 3-Pin des NAND-Gatters IC10B (74LS10) hoch ist. Gleichzeitig geht der hohe Pegel des 7-Pin-Ausgangs von IC9B durch den Nicht-Gate-IC7B, um den 9-Pin des NAND-Gatters IC10C niedrig zu machen, und das NAND-Gate IC10C wird ausgeschaltet, und der Kühlkreis kann nicht Arbeit. Wenn die MCU automatisch erkennt, dass der Ofen aufgeheizt werden muss, stellen Sie den P2-Anschluss (hoher Ausgangspegel) ein und geben Sie am PO-Anschluss eine Rechteckwelle mit einem Tastverhältnis von 1: 1 aus. IC l OB 5 Fuß sind hochpegelig, 4 Fuß sind Rechteckwelle, sein 6-poliger Ausgang und 5-polige invertierte Rechteckwelle, IC8 wird erregt, der Zweiwege-Thyristor-SCR wird eingeschaltet, die Heizplatte beginnt mit der Versorgung der Inkubatorwärme. Zu diesem Zeitpunkt befindet sich der 11. Pin des IC10C zwar auf einem hohen Pegel, der 11. Pin jedoch auf einem niedrigen Pegel, sodass das NAND-Gatter IC10C ausgeschaltet bleibt und die Temperaturabfallschaltung immer noch nicht funktioniert.
Wenn die Temperatur des Inkubators die eingestellte Temperatur erreicht, wird WDJ eingeschaltet. Zu diesem Zeitpunkt ist das 5-polige Potential des IC9B niedriger als das 6-polige, der 7-polige Ausgang ist niedrig, das NAND-Gatter IC10B ist ausgeschaltet, sein 6-poliger Ausgang ist hoch, IC8 funktioniert nicht mehr und die Heizplatte hört auf zu heizen. Gleichzeitig wird der 7-polige Ausgang des IC9B an den INTO C7 des IC1 gesendet, seine fallende Flanke verursacht einen IC 1-Interrupt und die externe Interrupt-Serviceroutine bewirkt, dass der interne Timer des IC 1 mit dem Zählen beginnt.
Nachdem die Heizplatte aufgehört hat zu heizen, beginnt die Temperatur des Inkubators zu fallen. Nach einiger Zeit wird der WDJ abgeschaltet und die elektrische Heizplatte beginnt erneut, das Temperaturregelgerät zu heizen. Bei Erwärmung auf die eingestellte Temperatur wird WDJ eingeschaltet und der 7. Pin des IC9 gibt einen niedrigen Pegel aus. Einerseits stoppt die Heizplatte die Erwärmung. Andererseits wird der INTO-Interrupt ausgelöst, so dass der TO aufhört zu zählen, nachdem die Ein- und Ausschaltperioden des WDJ analysiert und beurteilt und die entsprechenden Flag-Bits nebeneinander gestellt wurden. Der TO beginnt erneut zu zählen und speichert die Ein- und Ausschaltzyklen des aktuellen WDJ zum Vergleich mit den nächsten Ein- und Ausschaltzyklen. TO arbeitet in Modus 2, wenn die Zeiteinheit niedriger Ordnung überläuft, wird der TO-Interrupt ausgelöst, um den Übertrag von der Zeiteinheit niedriger Ordnung zur Zeiteinheit hoher Ordnung abzuschließen, dh TO bildet einen Tabellenkalkulationszeitgeber. Das Hauptprogramm führt eine Berechnungsverarbeitung gemäß dem Flag-Bit durch und erhöht oder verringert das Tastverhältnis der Rechteckwellenausgangsrechteckwelle bei einem bestimmten Verhältnis in der Grundperiode (WDJ einmal an, Aus-Periode) und gibt den Temperatursteuerimpuls aus nach dem Zeitverhältnis. Auf diese Weise wird die Anzahl der Leitungszyklen des Triac-SCR innerhalb eines bestimmten Zeitraums geändert und die Leistung der Heizplatte gesteuert. Der Steueralgorithmus ist wie folgt:
Wenn die aktuelle Ein / Aus-Periode des WDJ kürzer als beim letzten Mal ist, wird das Verhältnis der hohen und niedrigen Zeit des PO-Ausgangs in der Basisperiode verringert. Andernfalls werden die hohen und niedrigen Zeitverhältnisse der PO-Ausgabe in der Basisperiode erhöht, und schließlich sind die Ein- und Ausschaltperioden des WDJ am kürzesten. Das PO-Ende gibt den Temperaturregelimpuls gemäß dem dadurch bestimmten Arbeitszyklusimpuls aus, und der vom Ofen verlorene Wärme und die von der elektrischen Heizplatte bereitgestellte Wärme erreichen im wesentlichen ein dynamisches Gleichgewicht, so dass die Regelgenauigkeit ein hohes Niveau erreicht. Es ist ersichtlich, dass die Heizplatte nicht nur vom WDJ gesteuert wird, sondern auch vom PO-Ausgangsimpuls. Der WDJ steuert, ob das Temperaturregelgerät erwärmt wird, und der Impuls des PO-Ausgangs steuert das Zeitverhältnis des Zweiwege-Thyristors ein und aus, wodurch die Leistung der Heizplatte gesteuert wird.
3. Steuerkreis für Kühlung
Wenn abgekühlt werden muss, weist der IC9B-Gate-Ausgangspin 7 einen niedrigen Pegel auf. Nach der Inversion des Nicht-Gate-IC7B befindet sich einerseits der 9-Pin des NAND-Gates IC10C (74LS10) auf einem hohen Pegel, einerseits wird der IC10B ausgeschaltet und die Temperaturerhöhungsschaltung funktioniert nicht. Wenn der Einzelchip erkennt, dass der Ofen gekühlt werden muss, wird der P2-Anschluss zurückgesetzt (niedriger Ausgangspegel) und der P0-Anschluss gibt eine Rechteckwelle mit einem Tastverhältnis von 1: 1 aus. Der niedrige Pegel des P2-Ausgangs wird von IC7A invertiert und an den 11. Pin von IC10C gesendet, so dass der 8-Pin-Ausgang von IC10C freigegeben wird. Der Transistor 9013, Hochleistungs-FET Q1, arbeitet weiterhin mit der Welle, der Halbleiterkühler arbeitet und der Ofen beginnt abzukühlen.
Wenn abgekühlt werden muss, weist der IC9B-Gate-Ausgangspin 7 einen niedrigen Pegel auf. Nach der Inversion des Nicht-Gate-IC7B befindet sich einerseits der 9-Pin des NAND-Gates IC10C (74LS10) auf einem hohen Pegel, einerseits wird der IC10B ausgeschaltet und die Temperaturerhöhungsschaltung funktioniert nicht. Wenn der Einzelchip erkennt, dass der Ofen gekühlt werden muss, wird der P2-Anschluss zurückgesetzt (niedriger Ausgangspegel) und der P0-Anschluss gibt eine Rechteckwelle mit einem Tastverhältnis von 1: 1 aus. Der niedrige Pegel des P2-Ausgangs wird von IC7A invertiert und an den 11. Pin von IC10C gesendet, so dass der 8-Pin-Ausgang von IC10C freigegeben wird. Der Transistor 9013, Hochleistungs-FET Q1, arbeitet weiterhin mit der Welle, der Halbleiterkühler arbeitet und der Ofen beginnt abzukühlen.
Wenn die Temperatur auf den eingestellten Wert abfällt, wird der WDJ ausgeschaltet und der Kühlkreislauf funktioniert nicht mehr. Da sich der Inkubator zu diesem Zeitpunkt noch im Kühlzustand befindet, befindet sich der P2-Anschluss des Einzelchips auf einem niedrigen Pegel, das NAND-Gate IC10B ist ausgeschaltet und die Heizplatte funktioniert nicht. Nachdem der Halbleiterkühlschrank nicht mehr abkühlt, steigt die Temperatur an. Nach einiger Zeit schaltet sich der WDJ ein und der Halbleiterkühler beginnt wieder abzukühlen. Der Kühlprozess ähnelt dem Temperaturanstiegs- und Temperaturregelungsprozess. Der Unterschied besteht darin, dass die temperaturgesteuerte Temperaturregelschaltung den eingestellten Rechteckwellenausgang des Einzelchip-PO-Anschlusses verwendet, um die Arbeitszeit des Halbleiterkühlschranks zu steuern. Schließlich werden die vom Inkubator von außen aufgenommene Wärme und die vom Halbleiterkühler aus dem Tank aufgenommene Wärme grundsätzlich ausgeglichen, so dass die Regelgenauigkeit ein hohes Niveau erreicht.
4. Alarmkreis für abnormale Temperatur
Wenn der Temperaturregelkreis normal arbeitet, beträgt der Ein- / Ausschaltzyklus des Quecksilberthermometers mit elektrischem Kontakt im Allgemeinen mehrere zehn Sekunden. Wenn der Steuerkreis für Anstieg und Abfall ausfällt, ist dieser Zyklus unweigerlich abnormal. Die Obergrenze des Zyklus wird entsprechend der Lautstärke des Ofens eingestellt (im Zeitsteuerungsprogramm eingestellt). Wenn die Periode den oberen Grenzwert überschreitet, gibt der P3-Anschluss des Einzelchip-Mikrocomputers einen niedrigen Pegel aus, und nachdem der IC7F invertiert wurde, wird der Q2 zufriedenstellend eingeschaltet und der in sich geschlossene Mikro-Gleichstrom-Schallgeber SP wird erregt einen Alarmton erzeugen.
Zweitens Software-Design
Die Steuerungssoftware besteht aus drei Teilen: dem Hauptprogramm, dem externen Interrupt-INTO-Serviceprogramm und dem Timer-TO-Interrupt-Serviceprogramm.
Dritte, Zuverlässigkeit Design
Der Temperaturregler verwendet Halbleiterbauelemente wie einen Thyristor und einen Feldeffekttransistor zum Steuern der ansteigenden und abfallenden Elemente der elektrischen Heizplatte und des Halbleiterkühlschranks. Dadurch wird der Nachteil beseitigt, dass der Relaiskontakt aufgrund eines schlechten Oxidationskontakts einen Temperaturverlust verursachen kann.
Diese Anwendung verwendet auch die von MAX hergestellte Mikroprozessorüberwachungsschaltung. Wenn das Programm wegläuft, ist das WDI-Ende in 1,6 s "kleiner als das Impulssignal, und das WDO-Ende gibt einen niedrigen Pegel aus, so dass der 10. Pin von IC10A einen hohen Pegel ausgibt und IC 1 zurückgesetzt wird Verhindern Sie, dass das Programm wegläuft und die Temperatur außer Kontrolle gerät. Außerdem werden Software-Traps an geeigneten Stellen in der nicht verwendeten Population und im Leerraum des Programmspeichers hinzugefügt, um zu verhindern, dass das Programm wegläuft.
Automatische Korrektur von Fehleinschätzungen von Anstieg und Abkühlung. Wenn sich die MCU in einem Erwärmungszustand befindet und gerade die vorgegebene Temperatur erreicht hat und stoppt, wird sie bei einem Stromausfall plötzlich angerufen. Die MCU wird neu gestartet und der Inkubator sollte sich im Kühlzustand befinden. Wenn sich die MCU im Kühlzustand befindet, ist die Situation ähnlich. Das Verfahren zum automatischen Korrigieren dieser Fehleinschätzung durch den Einzelchip-Mikrocomputer besteht darin, dass nach dem Zurücksetzen des Einzelchip-Mikrocomputers die Vorrichtung zum Erhöhen und Senken der Temperatur automatisch gemäß dem erfassten Anstiegs- und Abfallzustand gesteuert wird. Wenn die Anzahl der Minuten (je nach Lautstärke der Box per Software eingestellt), ändert sich der Status des Quecksilberthermometers mit internem Kontakt nicht, was darauf hinweist, dass die Unterscheidung falsch ist. Der Mikrocontroller ändert dann den Pegel des P2-Anschlusses, wodurch sich der Zustand des Anstiegs und Abfalls ändert.





