Simple and practical analog temperature control circuit principle
temperature control total circuit composition
The temperature control circuit is mainly composed of power supply part, temperature detecting component, signal amplification, proportional integral, voltage comparison, phase shift trigger control relay, over temperature protection, heating furnace and LED display. The circuit structure is shown in Figure 1.

Figure 1 circuit composition diagram

Figure 2 Power circuit diagram
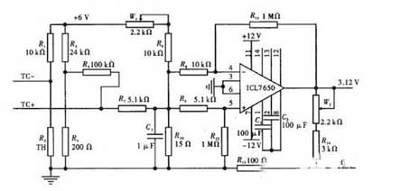
2.3 Input temperature signal amplification and temperature compensation circuit
The temperature sensor is collected by using a temperature sensor, nickel-nickel-chromium-type K-type thermocouple as a temperature sensor. The temperature signal is mV level, and the actual measurement needs to be amplified. The thermocouple measurement temperature signal is affected by the working temperature and the free end ambient temperature, so the compensation signal is needed in the measurement to eliminate the influence of the ambient temperature change on the temperature measurement.
The specific circuit is shown in Figure 3.
The temperature control circuit is mainly composed of power supply part, temperature detecting component, signal amplification, proportional integral, voltage comparison, phase shift trigger control relay, over temperature protection, heating furnace and LED display. The circuit structure is shown in Figure 1.

Figure 1 circuit composition diagram
The temperature value component can detect the temperature value signal, and the signal is amplified and sent to the proportional integration circuit and compared with the temperature setting voltage. The comparison result is sent to the phase trigger circuit to generate a variable period pulse to trigger the thyristor conduction angle in the solid state relay, thereby controlling the heating power of the heating device for the purpose of controlling the temperature. The temperature compensation circuit reduces the influence of room temperature on the accuracy of temperature measurement; The over-temperature protection circuit ensures that when the heating temperature exceeds the set value, the device stops heating and protects the device.
2.2 Each circuit design
2.1. 1 power circuit
The devices that require DC voltage in the temperature control circuit are operational amplifiers and electronic information display modules. The voltage is rectified and filtered by a 220V AC voltage. The output to the three-terminal regulator is obtained. Its circuit is shown in Figure 2.
2.2 Each circuit design
2.1. 1 power circuit
The devices that require DC voltage in the temperature control circuit are operational amplifiers and electronic information display modules. The voltage is rectified and filtered by a 220V AC voltage. The output to the three-terminal regulator is obtained. Its circuit is shown in Figure 2.

Figure 2 Power circuit diagram
2.3 Input temperature signal amplification and temperature compensation circuit
The temperature sensor is collected by using a temperature sensor, nickel-nickel-chromium-type K-type thermocouple as a temperature sensor. The temperature signal is mV level, and the actual measurement needs to be amplified. The thermocouple measurement temperature signal is affected by the working temperature and the free end ambient temperature, so the compensation signal is needed in the measurement to eliminate the influence of the ambient temperature change on the temperature measurement.
The specific circuit is shown in Figure 3.

Figure 5 signal amplification and temperature compensation circuit
Edit Comment: This paper introduces two temperature control circuits. Compared with digital circuits, the analog temperature control circuit is simpler in design and implementation. Therefore, the design of the temperature control circuit is realized by a simple and practical analog circuit.





