Sobrecarga significa que la corriente de funcionamiento del dispositivo alimentado excede su propia corriente nominal o permitida. Despus de una sobrecarga, es fcil hacer que la temperatura de la lnea y del equipo elctrico aumente, destruye....
1. El motor es ms fcil de quemar el devanado que en el pasado. Se debe al continuo desarrollo de la tecnologa de aislamiento. En el diseo del motor, se requiere aumentar la salida y reducir el volumen, de modo que la capacidad de calor del....
Primero. los principios bsicos de seleccin Hoy en da, no existen estndares uniformes para los productos de proteccin de motores en el mercado, y las especificaciones del modelo son variadas. Para satisfacer las diferentes necesidades de los....
Qu es un protector de sobrecalentamiento del motor y un protector de sobrecarga? La funcin del protector del motor es proteger y controlar el motor de manera integral. En caso de sobrecorriente, subcorriente, falla de fase, bloqueo, cortoci....
Su principio de funcionamiento bsico es que un circuito magntico cerrado con un cierto espacio est compuesto por dos imanes en forma de U y dos elementos Hall integrados de tres terminales. Como sistema de deteccin de corriente, una carga y....
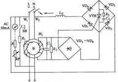
Como se muestra en la figura siguiente, la seal de sobretensin del motor de la red elctrica se extrae de los circuitos divisores de voltaje R3 y RP. Despus de encender el diodo disparador, se activa el tiristor micro disparador para que el....
Seleccin del modo de cableado del circuito principal del protector de sobrecarga del motor El modo de conexin actual principal se divide en: 1, tipo de perforacin de ncleo primario (tambin se puede utilizar el circuito secundario del transf....
1, rel trmico: Motor AC ordinario de pequea capacidad, las condiciones de trabajo son buenas, no hay ocasin de condiciones severas como arranque frecuente; Debido a la poca precisin, la fiabilidad no est garantizada y no se recomienda. 2, t....
Qu es un protector de sobrecarga del motor? El papel del protector del motor es proporcionar una proteccin completa del motor. Un dispositivo que alarma o protege el motor cuando hay sobrecarga, sobrecorriente, prdida de fase, bloqueo, cort....
Qu es el protector de sobrecarga? Los protectores de sobrecarga a menudo se denominan: Soporte de torque, protector de sobrecarga, embrague de torque, embrague de torque, limitador, protector de sobrecarga de carga axial, limitador de torsi....