En la produccin y la investigacin cientfica, los termostatos de hornos elctricos se usan ampliamente, y tambin se requieren mediciones de temperatura y precisin de control. En la aplicacin, cuando el controlador del termostato corta la ener....
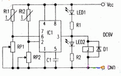
El controlador del termostato consta del termistor Rt1, Rt2, circuito base de tiempo NE555, resistencias de ajuste del rango de temperatura RP1, RP2 y el actuador de control. El circuito se muestra en la Figura 1 (haga clic aqu para descarg....
El circuito controlador de temperatura utiliza diodos emisores de luz LED para mostrar la temperatura en secciones. Cuando la temperatura alcanza la temperatura ms alta que se muestra, el dispositivo de calentamiento deja de funcionar autom....
1. Afloje el tornillo en la parte superior del termostato con un destornillador Phillips pequeo y luego retire la carcasa exterior. Luego use los tornillos provistos en la placa inferior para fijar el lugar que desea fijar y luego fije la c....
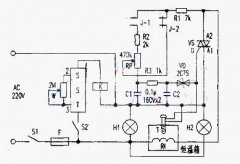
1, inspeccin visual y juicio (1) Juzgar: Los indicadores XDl (rojo) y XD2 (verde) en el panel de control indican la conservacin del calor y el estado de calentamiento del horno de alta temperatura (es decir, apagado y encendido). Cerrar K2....
La conexin del termostato no es ms que la conexin de los dos cables principales de entrada y salida. Mientras la fuente de alimentacin sea normal, puede funcionar. Los termostatos complejos de alta gama tienen ms funciones, principalmente p....
Los termostatos electrnicos actuales estn generalmente equipados con una pantalla de cristal lquido, que tiene un tipo de botn y un tipo de pantalla tctil. Pero como se muestra en la figura a continuacin, todos funcionan de la misma manera,....
El termostato de calefaccin por suelo radiante se divide en dos tipos: El termostato de calentamiento elctrico y el termostato de calentamiento de agua. Con la mejora de la calidad de vida de las personas, el mtodo de calefaccin tradicional....
El controlador intermitente presentado en este ejemplo puede controlar automticamente los dispositivos de energa elctrica tales como calentadores elctricos, humidificadores y motores de CA monofsicos para que funcionen de manera intermitent....
Palabras clave: termostato LM358 Mapa de ruta del circuito base del tiempo del controlador del termostato Lm358 (1) La siguiente figura muestra un circuito controlador de termostato que utiliza un circuito de base de tiempo como ncleo. El c....