Temperature control switch is a temperature control switching element,According to the work environment (Heating objects) temperature changes,Temperature control switch within the physical deformation occurs,Resulting in some special effects....
Overload protection is widely used in machinery, metallurgy, building materials, chemicals, textile industry,For three-phase (single-phase) motors,And other Electrical appliances current protection and monitoring.When the current of the circ....
Currently bimetallic thermostat on the market price is very confusing,Unit price difference is very big,The main factors affecting the unit price of the product,Is the product quality, So how to determine the quality of the thermostat it?Thi....
PPTC is a chemical principle application: PPTC is Polymeric Positive Temperature Coefficient acronym,PPTC device that is the polymer temperature coefficient of positive devices,The device can be in the current surge is too large,When the te....
Overcurrent protection,Is used for motor current overload protection device.When it enters the setup state,The relay within the protector will be released automatically,Protector exit protection status,Effectively preventing misoperation of....
Operation Principle KSD301 snap action thermostat series is a small-size bimetal thermostat series with a metal cap,which belongs to thermal relaysfamily.The main principle is that one function of bimetal discs ls snap action under the c....
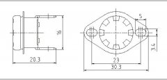
Bimetallic KSD series temperature control switch structure and components Bimetallic KSD series temperature control switch (such as: KSD9700, KSD301, KSD302, TB02, BW9700) structure and composition Accessories:Shell (KSD301 bakelite and cer....
Often customers have asked me what is bimetallic thermostat. Somebody replied like this:Bimetal thermostat is able to control the temperature of the switch. In fact, this question only half of the answer,Did not say that the bimetallic therm....
Q: Digital thermostat is not displayed after power is turned on? A: 1, check the digital thermostat power supply is connected. 2, check the digital thermostat power switch is playing in the open position (only mosaic and BWD3K series digital....
Temperature control switch detection equipment consists of five parts:Heating system,Air cooling system,Load system,Detection control display system,alarm system. 1, the load system settings: Test voltage: 0-400VAC adjustable; Electrical loa....