Keywords: LM358 thermostat Lm358 thermostat controller time base circuit road map (1) The figure below shows a thermostat controller circuit using a time base circuit as the core. The thermostat controller circuit uses two temperature probes....
The intermittent controller introduced in this example can automatically control the electric power devices such as electric heaters, humidifiers, and single-phase AC motors to make them work intermittently. Circuit working principle The in....
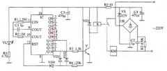
Circuit working principle The temperature controller circuit is composed of a power supply circuit, a temperature detecting/display circuit, a reference voltage circuit, and a control circuit, as shown in the figure. The power circuit is co....
The floor heating thermostat is divided into two types: the electric heating thermostat and the water heating thermostat. With the improvement of peoples quality of life, the traditional heating method has been changed in winter heating. The....
Todays electronic thermostats are generally equipped with a liquid crystal display, which has a button type and a touch screen type. But as shown in the figure below, they all operate in the same way, just with the distinction between touch....
The connection of the thermostat is nothing more than the connection of the two main leads of input and output. As long as the power supply is normal, it can work. High-end, complex thermostats have more functions, mainly to give signals to....
1, visual inspection and judgment (1) Judging: The XDl (red) and XD2 (green) indicators on the control panel indicate the heat preservation and heating status of the high temperature furnace (ie power off and power on). Close K2 under normal....
1. Loosen the screw at the top of the thermostat with a small Phillips screwdriver and then remove the outer casing. Then use the screws provided on the bottom plate to fix the place you want to fix and then fasten the temperature controller....
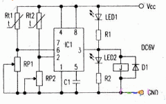
The thermostat controller consists of the thermistor Rt1, Rt2, NE555 time base circuit, temperature range adjustment resistors RP1, RP2 and the control actuator. The circuit is shown in Figure 1 (click here to download the schematic). Rt1 a....
In production and scientific research, electric oven thermostats are widely used, and temperature measurement and control accuracy are also required. In the application, when the thermostat controller cuts off the electric power of the elect....