Temperaturregler koennen verwendet werden, um die Schaltung zu steuern Design mit Temperaturbereich von -20 ~ 60 °C
Die Temperaturregler-Schaltung verwendet LED-Leuchtdioden, die Temperatur in den Abschnitten anzuzeigen. Wenn die Temperatur die höchste angezeigte Temperatur erreicht, funktioniert das Heizgerät automatisch nicht mehr. Mit dem Temperaturregler kann der Temperaturbereich von -20 bis 60 ° C geregelt werden.
Auswahl der Komponenten des Temperaturregler-Schaltplans
R1 ~ R11 und R13 ~ R15 wählen 1 / 4W Metallfilmwiderstand oder Kohlefilmwiderstand; R12 wählt 1 / 2W Metallfilmwiderstand.
Sowohl C1 als auch C2 sind Elektrolytkondensatoren aus Aluminium mit einer Spannungsfestigkeit von 16 V.
VD1 ~ VD4 Siliziumgleichrichterdiode vom Typ 1N4007 auswählen.
VL1 ~ VL10 wählen Sie φ3mm Leuchtdioden mit hoher Helligkeit, VL1 ~ VL9 ist grün, VL10 ist rot.
IC1 wählt den integrierten Schaltkreis des Temperatursensors vom Typ LM335Z aus;
IC2 wählt die integrierte Schaltung mit drei Anschlüssen für Präzisionsspannungsregler vom Typ TL43l oder ptA431, AS43l;
IC3 wählt die integrierte Schaltung der Spannungsreferenzquelle vom Typ LM385 aus;
IC4 wählt eine integrierte LED-Punkt- / Leitungstreiberschaltung vom Typ LM3914 oder SF3914 zur Verwendung aus;
IC5 wählt eine integrierte Schaltung mit drei Anschlüssen vom Typ 78M09 aus;
IC6 wählt CD4069 oder CC4069, MC14069, Typ sechs integrierte Nicht-Gate-Schaltkreise (die nicht verwendeten zwei Nicht-Gate-Eingänge sollten geerdet sein).
KN wählt das Halbleiterrelais SSP2110-1.
KM wählt ein Wechselstromschütz mit einer Spulenspannung von 220 V aus, und seine Kontaktstromkapazität sollte entsprechend der tatsächlichen Leistung von EH ausgewählt werden.
T wählt einen 6-W-Leistungstransformator mit einer Sekundärspannung von 12 V.
S verwendet einen unipolaren Vier-Bit-Bandschalter.
Funktionsprinzip des Schaltplans des Temperaturreglers
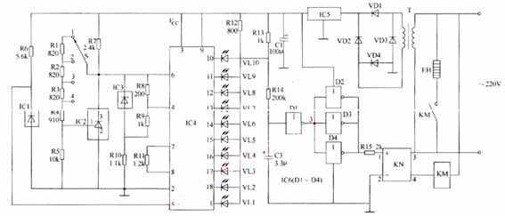
Die Temperatursteuerschaltung ist aus einer Stromversorgungsschaltung zusammengesetzt, ein Temperaturerfassung Steuerschaltung, eine LED-Temperaturanzeige Schaltung und eine elektrischen Heizungssteuerschaltung, wie sie in der Figur gezeigt.
Die Leistungsschaltung besteht aus einem Leistungstransformator T, Gleichrichterdioden VD1 bis VD4, einer integrierten Schaltung IC5 mit Spannungsregler mit drei Anschlüssen und einem Filterkondensator C1.
Die Temperaturerfassung Steuerschaltung besteht aus einer integrierten Temperatursensorschaltung IC1, einem Temperatursteuerbereichsauswahlschalter S, einer integrierten Spannungsregelungsschaltung IC2 mit drei Anschlüssen und Widerständen R1 bis R6.
Die LED-Temperaturanzeige Schaltung besteht aus einer integrierten Spannungsreferenz Quellenumschaltung IC3, einer LED-Anzeige, die die integrierte Schaltung IC4 ansteuert, Widerständen R8 bis R13 und Leuchtdioden VL1 bis VL10.
Die Steuerschaltung für die elektrische Heizung besteht aus den Widerständen R14 und R15, einem Kondensator C2, einer integrierten Schaltung IC6 ohne Gate (D1 bis D4), einem Halbleiterrelais KN, einem Wechselstromschütz KM und einer elektrischen Heizung EH.
Nachdem die 220-V-Wechselspannung durch Gleichrichtung T, VD1 ~ VD4, IC5-Spannungsregelung und C1-Filterung herabgesetzt wurde, liefert sie eine Arbeitsspannung von +9 V für den Temperaturerfassung Steuerkreis, den LED-Temperaturanzeige Schaltkreis und den Steuerstromkreis der elektrischen Heizung.
IC1 ist ein integrierter Temperatursensor mit positivem Temperaturkoeffizienten und einer Empfindlichkeit von 10 mY / ° C. Bei 0 ° C beträgt die Ausgangsspannung 2,73 V und bei 100 ° C die Ausgangsspannung 3,73 V. Wenn sich die gemessene Temperatur ändert, ändert sich die Ausgangsspannung von IC1 synchron mit der Eingangsspannung von Pin 5 von IC4. Nach der Verarbeitung durch den 10-Pegel-Spannungskomparator in IC4 werden VL1 bis VL10 angesteuert, um Licht zu emittieren, das den Temperaturwert anzeigt.
S hat "1" (- 20 ° C ~ 0 ° C), "2" (0 ° C ~ 20 ° C), "3" (20 ° C ~ 40 ° C) und "4" (40 ° C ~) 60 ° C) Vier-Temperatur-Regelung Die Gangstellung kann je nach Bedarf gewählt werden.
Wenn die gemessene Temperatur unter der Obergrenze des Temperaturregelbereichs liegt (wenn VL10 nicht leuchtet), gibt Pin 10 von IC1 einen hohen Pegel aus. Das Nicht-Gate D1 gibt einen niedrigen Pegel aus, die Nicht-Gates D2 bis D4 geben einen hohen Pegel aus, der KN wird intern eingeschaltet, das KM wird eingezogen, der normalerweise offene Kontakt wird eingeschaltet und die elektrische Heizung EH wird erregt .
Wenn die gemessene Temperatur die Obergrenze des Temperaturregelbereichs erreicht, leuchten alle VL1 bis VL10. Das Nicht-Gate D1 gibt einen hohen Pegel aus, die Nicht-Gates D2 bis D4 geben einen niedrigen Pegel aus, das KN wird ausgeschaltet, das KM wird freigegeben, die Arbeitsleistung der elektrischen Heizung EH wird abgeschaltet und das EH stoppt die Heizung .
Auswahl der Komponenten des Temperaturregler-Schaltplans
R1 ~ R11 und R13 ~ R15 wählen 1 / 4W Metallfilmwiderstand oder Kohlefilmwiderstand; R12 wählt 1 / 2W Metallfilmwiderstand.
Sowohl C1 als auch C2 sind Elektrolytkondensatoren aus Aluminium mit einer Spannungsfestigkeit von 16 V.
VD1 ~ VD4 Siliziumgleichrichterdiode vom Typ 1N4007 auswählen.
VL1 ~ VL10 wählen Sie φ3mm Leuchtdioden mit hoher Helligkeit, VL1 ~ VL9 ist grün, VL10 ist rot.
IC1 wählt den integrierten Schaltkreis des Temperatursensors vom Typ LM335Z aus;
IC2 wählt die integrierte Schaltung mit drei Anschlüssen für Präzisionsspannungsregler vom Typ TL43l oder ptA431, AS43l;
IC3 wählt die integrierte Schaltung der Spannungsreferenzquelle vom Typ LM385 aus;
IC4 wählt eine integrierte LED-Punkt- / Leitungstreiberschaltung vom Typ LM3914 oder SF3914 zur Verwendung aus;
IC5 wählt eine integrierte Schaltung mit drei Anschlüssen vom Typ 78M09 aus;
IC6 wählt CD4069 oder CC4069, MC14069, Typ sechs integrierte Nicht-Gate-Schaltkreise (die nicht verwendeten zwei Nicht-Gate-Eingänge sollten geerdet sein).
KN wählt das Halbleiterrelais SSP2110-1.
KM wählt ein Wechselstromschütz mit einer Spulenspannung von 220 V aus, und seine Kontaktstromkapazität sollte entsprechend der tatsächlichen Leistung von EH ausgewählt werden.
T wählt einen 6-W-Leistungstransformator mit einer Sekundärspannung von 12 V.
S verwendet einen unipolaren Vier-Bit-Bandschalter.
Funktionsprinzip des Schaltplans des Temperaturreglers
Die Temperatursteuerschaltung ist aus einer Stromversorgungsschaltung zusammengesetzt, ein Temperaturerfassung Steuerschaltung, eine LED-Temperaturanzeige Schaltung und eine elektrischen Heizungssteuerschaltung, wie sie in der Figur gezeigt.

Figur Temperaturregler Schaltung entworfen
Die Leistungsschaltung besteht aus einem Leistungstransformator T, Gleichrichterdioden VD1 bis VD4, einer integrierten Schaltung IC5 mit Spannungsregler mit drei Anschlüssen und einem Filterkondensator C1.
Die Temperaturerfassung Steuerschaltung besteht aus einer integrierten Temperatursensorschaltung IC1, einem Temperatursteuerbereichsauswahlschalter S, einer integrierten Spannungsregelungsschaltung IC2 mit drei Anschlüssen und Widerständen R1 bis R6.
Die LED-Temperaturanzeige Schaltung besteht aus einer integrierten Spannungsreferenz Quellenumschaltung IC3, einer LED-Anzeige, die die integrierte Schaltung IC4 ansteuert, Widerständen R8 bis R13 und Leuchtdioden VL1 bis VL10.
Die Steuerschaltung für die elektrische Heizung besteht aus den Widerständen R14 und R15, einem Kondensator C2, einer integrierten Schaltung IC6 ohne Gate (D1 bis D4), einem Halbleiterrelais KN, einem Wechselstromschütz KM und einer elektrischen Heizung EH.
Nachdem die 220-V-Wechselspannung durch Gleichrichtung T, VD1 ~ VD4, IC5-Spannungsregelung und C1-Filterung herabgesetzt wurde, liefert sie eine Arbeitsspannung von +9 V für den Temperaturerfassung Steuerkreis, den LED-Temperaturanzeige Schaltkreis und den Steuerstromkreis der elektrischen Heizung.
IC1 ist ein integrierter Temperatursensor mit positivem Temperaturkoeffizienten und einer Empfindlichkeit von 10 mY / ° C. Bei 0 ° C beträgt die Ausgangsspannung 2,73 V und bei 100 ° C die Ausgangsspannung 3,73 V. Wenn sich die gemessene Temperatur ändert, ändert sich die Ausgangsspannung von IC1 synchron mit der Eingangsspannung von Pin 5 von IC4. Nach der Verarbeitung durch den 10-Pegel-Spannungskomparator in IC4 werden VL1 bis VL10 angesteuert, um Licht zu emittieren, das den Temperaturwert anzeigt.
S hat "1" (- 20 ° C ~ 0 ° C), "2" (0 ° C ~ 20 ° C), "3" (20 ° C ~ 40 ° C) und "4" (40 ° C ~) 60 ° C) Vier-Temperatur-Regelung Die Gangstellung kann je nach Bedarf gewählt werden.
VL1 bis VL10 zeigen die Temperaturänderung linear mit 2 ° C pro Segment an (entsprechend einer Spannung von 20 mV). Wenn beispielsweise S im Bereich "3" liegt, wird VL1 als 22 ° C angezeigt, VL2 als 24 ° C, VL9 als 38 ° C und VL10 als 40 ° C. Wenn sowohl VLI als auch VL5 während des Gebrauchs leuchten, beträgt der gemessene Temperaturwert 30 ° C.
VL1 bis VL10 zeigen die Temperaturänderung linear mit 2 ° C pro Segment an (entsprechend einer Spannung von 20 mV). Wenn beispielsweise S im Bereich "3" liegt, wird VL1 als 22 ° C angezeigt, VL2 als 24 ° C, VL9 als 38 ° C und VL10 als 40 ° C. Wenn sowohl VLI als auch VL5 während des Gebrauchs leuchten, beträgt der gemessene Temperaturwert 30 ° C.
VL1 bis VL10 zeigen die Temperaturänderung linear mit 2 ° C pro Segment an (entsprechend einer Spannung von 20 mV). Wenn beispielsweise S im Bereich "3" liegt, wird VL1 als 22 ° C angezeigt, VL2 als 24 ° C, VL9 als 38 ° C und VL10 als 40 ° C. Wenn sowohl VLI als auch VL5 während des Gebrauchs leuchten, beträgt der gemessene Temperaturwert 30 ° C.
Wenn die gemessene Temperatur unter der Obergrenze des Temperaturregelbereichs liegt (wenn VL10 nicht leuchtet), gibt Pin 10 von IC1 einen hohen Pegel aus. Das Nicht-Gate D1 gibt einen niedrigen Pegel aus, die Nicht-Gates D2 bis D4 geben einen hohen Pegel aus, der KN wird intern eingeschaltet, das KM wird eingezogen, der normalerweise offene Kontakt wird eingeschaltet und die elektrische Heizung EH wird erregt .
Wenn die gemessene Temperatur die Obergrenze des Temperaturregelbereichs erreicht, leuchten alle VL1 bis VL10. Das Nicht-Gate D1 gibt einen hohen Pegel aus, die Nicht-Gates D2 bis D4 geben einen niedrigen Pegel aus, das KN wird ausgeschaltet, das KM wird freigegeben, die Arbeitsleistung der elektrischen Heizung EH wird abgeschaltet und das EH stoppt die Heizung .





