What is overload protection?
Overloading means that the operating current of the powered device exceeds its own rated or allowable current. After overload, it is easy to cause the temperature of the line and the electrical equipment to rise, destroying the insulation of the electrical equipment and the line, and there is a safety hazard in the operation of the equipment. Therefore, certain important equipment and lines need to be protected by certain measures, which has the overload protection mentioned therein.
Overloading is an overload that exceeds the rated load of the device itself. The phenomenon is that the current is too large, and the electrical equipment is heated. Long-term overload of the line will reduce the insulation level of the line and even burn equipment or lines.
Overload protection equipment installed to prevent overheating damage of protector caused by overload of main power supply line. Overloading is a relatively broad term that can mean that the electrical equipment is overloaded, or that the object is subjected to excessive force. The protection of these behaviors beyond the “load” is collectively referred to as overload protection. In a communication power system, the function of automatically disconnecting the power supply from the power supply due to excessive load is called overload protection.
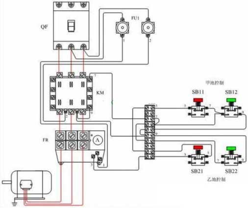
The figure is the primary circuit of the general motor. In the figure, the circuit breaker QF, AC contactor KM, thermal relay FR and motor M are in order from top to bottom. The FR in the figure is for motor overload protection, and QF is line overload protection. However, these protections need to be matched with reasonable setting settings to be effective.
During the operation of the motor M, if the overload is operated, the thermal relay FR will function after the set value and time are reached, the power supply is cut off, and the motor is protected. However, his accuracy is not high and his protection function is weak.
The above picture relies on thermal relays to achieve overheating protection. This method has been popular in previous years, and most motor circuits now rely on motor protectors. This approach differs from the conventional approach described above in that the latter replaces the conventional thermal relay with a motor protector and relies on a current transformer in the loop to collect the operating current for comparison with the setpoint. Because of the powerful functions of the motor protector, the complete range of protection, the high accuracy of setting, the inability to malfunction, and the ease of use, it has gradually replaced the traditional thermal relay protection.
Overloading is an overload that exceeds the rated load of the device itself. The phenomenon is that the current is too large, and the electrical equipment is heated. Long-term overload of the line will reduce the insulation level of the line and even burn equipment or lines.
Overload protection equipment installed to prevent overheating damage of protector caused by overload of main power supply line. Overloading is a relatively broad term that can mean that the electrical equipment is overloaded, or that the object is subjected to excessive force. The protection of these behaviors beyond the “load” is collectively referred to as overload protection. In a communication power system, the function of automatically disconnecting the power supply from the power supply due to excessive load is called overload protection.

The figure is the primary circuit of the general motor. In the figure, the circuit breaker QF, AC contactor KM, thermal relay FR and motor M are in order from top to bottom. The FR in the figure is for motor overload protection, and QF is line overload protection. However, these protections need to be matched with reasonable setting settings to be effective.
During the operation of the motor M, if the overload is operated, the thermal relay FR will function after the set value and time are reached, the power supply is cut off, and the motor is protected. However, his accuracy is not high and his protection function is weak.
The above picture relies on thermal relays to achieve overheating protection. This method has been popular in previous years, and most motor circuits now rely on motor protectors. This approach differs from the conventional approach described above in that the latter replaces the conventional thermal relay with a motor protector and relies on a current transformer in the loop to collect the operating current for comparison with the setpoint. Because of the powerful functions of the motor protector, the complete range of protection, the high accuracy of setting, the inability to malfunction, and the ease of use, it has gradually replaced the traditional thermal relay protection.





