China Thermal Protector Manufacturer

China Micro Thermal Switches & thermostat manufacturer

KSD301 Bimetal thermal protector

Product Item: KSD301 Bimetal thermal protector
Category: Bimetal Switch
Divided by model: BW, KW, BR, KSD9700, ST-22, AMT, RS9700 KSD01F, JUC31F, JUC1M;
According to brand, it can be divided into: KSD temperature switch, Emerson temperature switch, NEC temperature switch;
Divided by temperature: 0 ~ 300 degrees, one jump every 5 °;
Divided by the nature of the action: normally open, normally closed;
According to the material points can be divided into:
Bakelite body, plastic body, iron case, ceramic body.

The temperature switch has the characteristics of small size, insulated casing, sensitive action, and long life. It is widely used for double protection of overheating and overcurrent of various motors, induction cookers, vacuum cleaners, coils, transformers, heaters, ballasts, electric heating appliances, fluorescent ballasts, automotive motors, integrated circuits and general electrical equipment.

  • PRODUCT DETAIL
Divided by model: BW, KW, BR, KSD9700, ST-22, AMT, RS9700 KSD01F, JUC31F, JUC1M;
According to brand, it can be divided into: KSD temperature switch, Emerson temperature switch, NEC temperature switch;
Divided by temperature: 0 ~ 300 degrees, one jump every 5 °;
Divided by the nature of the action: normally open, normally closed;
According to the material points can be divided into:
Bakelite body, plastic body, iron case, ceramic body.

The temperature switch has the characteristics of small size, insulated casing, sensitive action, and long life. It is widely used for double protection of overheating and overcurrent of various motors, induction cookers, vacuum cleaners, coils, transformers, heaters, ballasts, electric heating appliances, fluorescent ballasts, automotive motors, integrated circuits and general electrical equipment.


● KSD301 series thermostat technical parameters
⑴ electrical parameters:
1) CQC, VDE, UL, CUL AC250V 50 ~ 60Hz 5A / 10A / 15A (resistive load)
2) UL AC125V 50Hz 15A (resistive load)
⑵ operating temperature range: 0-300 ℃ (optional), temperature accuracy: ± 2 ± 3 ± 5 ± 10 ℃
⑶ recovery and action temperature difference: 8 ~ 100 ℃ (optional)
⑷ Connection: plug terminal 250 # (bend 0 ~ 90 ° optional); plug terminals 187 # (bend 0 ~ 90 ° optionally, the thickness 0.5,0.8mm optional)
⑸ life: ≥ 100,000 times
⑹ electrical strength: AC 50Hz 1800V lasted 1min, no flicker, no breakdown
⑺ Contact resistance: ≤50mΩ
⑻ Insulation resistance: ≥100MΩ
⑼ Contact form: Normally closed: temperature rise, contacts open, the temperature drops, contact connected;
Normally open type: temperature rise, contact connected, the temperature drops, contacts open
Normally open type: temperature rise, contact connected, the temperature drops, contacts open
⑽ shell protection grade: IP00
Installation: KSD301 Series Installation ordinary activities ring, ring install small round activities, installation of flat panel active ring, with mounting holes ordinary large aluminum cover with mounting holes lengthened aluminum cover.
 
● KSD301 series thermostat competitive advantage
⑴ stable performance
⑵ high precision
⑶ small size, light weight
⑷ high reliability, long life
⑸ small radio dry worry
⑹ do not pull the arc

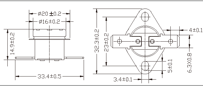
KSD301 thermostat dimension drawing
KSD301



PREV:Thermal Switches Bimetal
NEXT:Ksd301 Temperature Switch



Skype

WhatsApp

WangWang

QQ
Email me

Mail to us