The role of compressor overload protector Overload protector is called overload and overheat protector or overheat protector. As the name suggests, it is set to prevent the compressor from overheating and overcurrent damage. When the compre....
The above are various ETA product models, including overload protectors, overload switches, circuit breakers, etc.
ESS20-003-DC 24V (4A)
ETA 2-5700-iG1-P10 3.5A
ESX10-TA-100-DC24V-4A
ESS20-003-....
Recently, some customers reported that the motor has an overload protector (overload switch) installed, why the motor is still burned out? Before explaining this problem, lets first understand the reason why the motor burns out. The motor bu....
Electric Motor Overload Reset Switch Electric Motor Parts Wiring ... Electric motor overload reset switch also im 005 thermal overload protector switch 266354958 along with 77778 as well as electrical wiring diagram symbols flash cards as w....
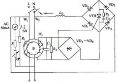
When the motor is blocked, its working current Iw increases, and the voltage Vt increases. According to the above VO1, VO2 conduction function relationship, it can be concluded that VO2 also increases. Since the preset reference voltage Vref....
Motors are often used in daily life and in all walks of life. If the motor is not protected, it may cause a safety accident. This article discusses the overheating protection of the motor for the danger of overheating. The dangers that may o....
For example, a manufacturer produces air compressors, and the sales market is in North America (Canada and the United States), applying for CSA product safety certification to comply with North American standards. The standard applicable to....
Overload protector is a typical bimetal overcurrent protector,Using the physical properties of bimetal,Applied to various motor overcurrent protection. The role of overload protection:Commonly used in the installation of the power transmissi....
When the motor is overloaded (greater than the preset current of the protector) or the motor is disconnected (one or more phases without current), the normally closed shock 3 or 4 will be temporarily disconnected (the circuit in the figure).....
What is an overload protector? Overload protectors are often referred to as: Torque Holder, Overload Protector, Torque Clutch, Torque Clutch, Limiter, Axial Load Overload Protector, Torsion Limiter, Safety Clutch, Safety Coupling, Force Limi....