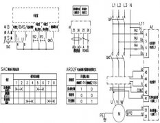
Wiring mode selection of main circuit of overload protector The main current connection mode is divided into: 1, Primary core-piercing type (peripheral current transformer secondary circuit can also be used) 2, the terminal type (can also u....
Why Overheat, Overcurrent Protection Element Small Batch Manufacturing Is The Way Of The Future The world of electronic product design continues to undergo some fundamental and even revolutionary changes. Electronic product lifespans are get....
Calculate Size of Contactor, Fuse, CB, Over Load Relay of DOL Starter Calculate Size of Contactor, Fuse, C.B, O/L of DOL Starter Calculate Size of each Part of DOL starter for The System Voltage 415V ,5HP Three Phase House hold Application I....
KUOYUH 98 SERIES 15AMP CIRCUIT BREAKER Carling Brand AC/DC Push to Reset Panel Mount 15 amp Circuit Breaker Carling Brand AC/DC Push to R 6.50. Free PP. 5 Circuit Breaker waterproof Dust Cover Flat head Cap For KUOYUH 98 88 Series YG. 5 Cir....
Guide: Protector, an automatic alarm or error detection alarm device for implementing motor equipment. A motor protector is naturally a device for self-protecting the motor. So how does the motor protector accomplish this glorious and arduou....
What is a motor overload protector? The role of the motor protector is to provide complete protection of the motor. A device that alarms or protects the motor when there is overload, overcurrent, phase loss, stall, short circuit, overvoltag....
1, thermal relay: Ordinary small-capacity AC motor, working conditions are good, there is no occasion of severe conditions such as frequent start-up; Due to poor accuracy, reliability is not guaranteed and is not recommended. 2, electronic t....
The schematic diagram of the current-type flyback switching power supply controlled by UC3842 is shown in Figure 1. It uses a dual-loop control mode, one is a voltage outer loop that detects the output voltage, one is a current inner loop th....
First, the basic principles of selection Today, there are no uniform standards for motor protection products on the market, and the model specifications are varied. In order to meet the different needs of users, manufacturers have derived a....