Overloading means that the operating current of the powered device exceeds its own rated or allowable current. After overload, it is easy to cause the temperature of the line and the electrical equipment to rise, destroying the insulation of....
Principle of Phase Break Protection Phase-breaking protection is a kind of protection method that relies on the disappearance of current in one-phase conductor of multiphase circuit to disconnect the protected equipment, or relies on one-pha....
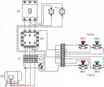
1, timing automatic cycle control circuit Description: 1. The capacity of the three-phase asynchronous motor in the map is 1.5KW, which requires the circuit to automatically cycle forward and reverse control. The forward rotation maintenanc....
The motor protector consists of a three-phase current transformer, detection, amplification, delay, adjustment circuit and execution relay. When the detection circuit detects that the current induced by the current transformer is out of phas....
It is a well-known fact that bimetal thermal relays and motor protectors cannot be equated. According to incomplete statistics when, occur about every 100 motor burned, thermal relay can work less than 30 times. The reason is multi-faceted,....
The motor protector shows the overload solution as follows: Motor protector parameter check: (1) Is the built-in CT of the motor protector consistent with the external CT current and rating? solution: If they are inconsistent, follow the sa....
1. For the single-machine independent operation motor with low requirements on working conditions, simple operation control, and no impact on production, normal type protector can be used. Because the common type protector has a simple stru....
Mechanical life and electrical life, if operated improperly or under abnormal conditions, will accelerate the aging of electrical components and shorten the service life of the motor protector. Therefore, whether natural or human factors wi....